Saturday, August 7th, 2010 AT 10:51 PM
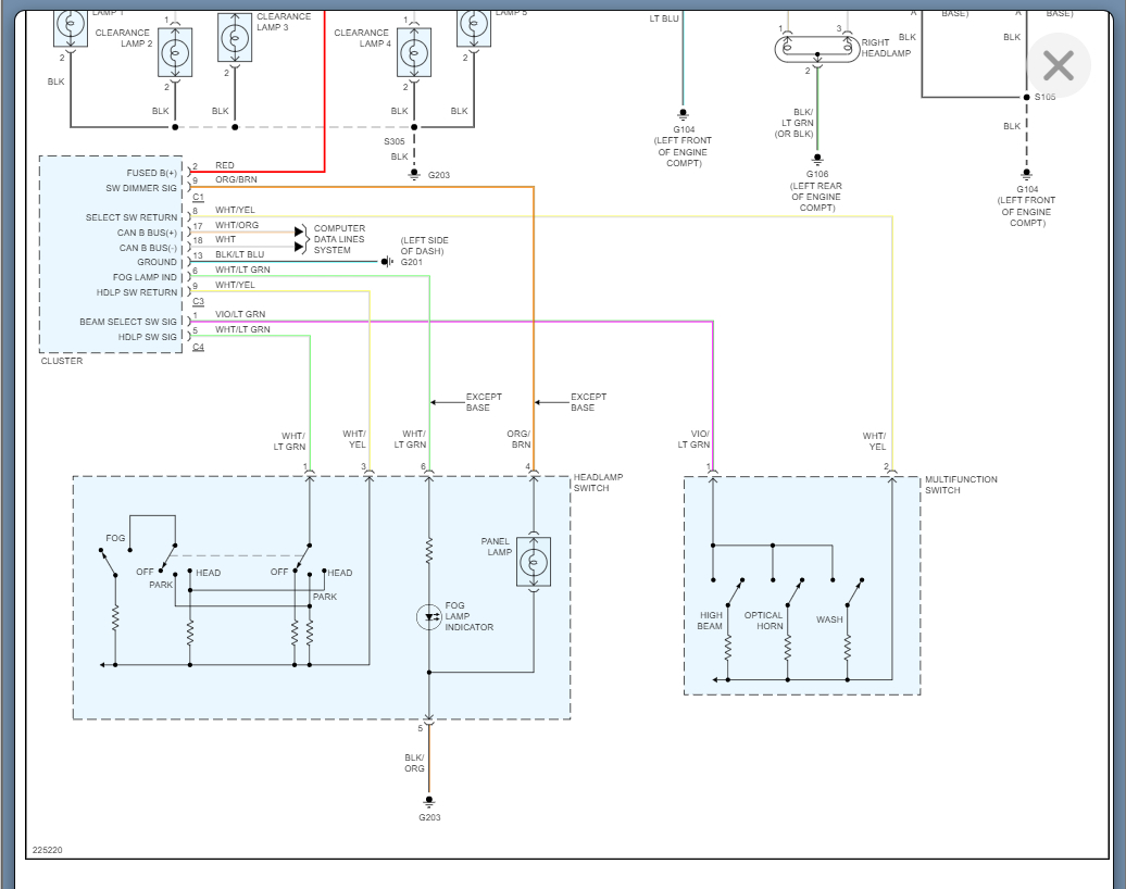
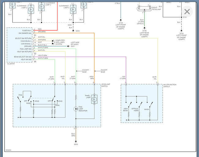
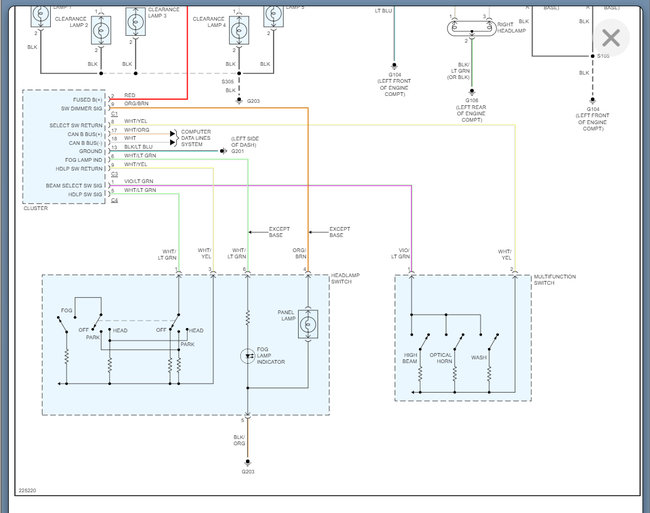
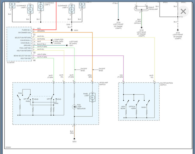
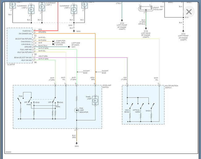
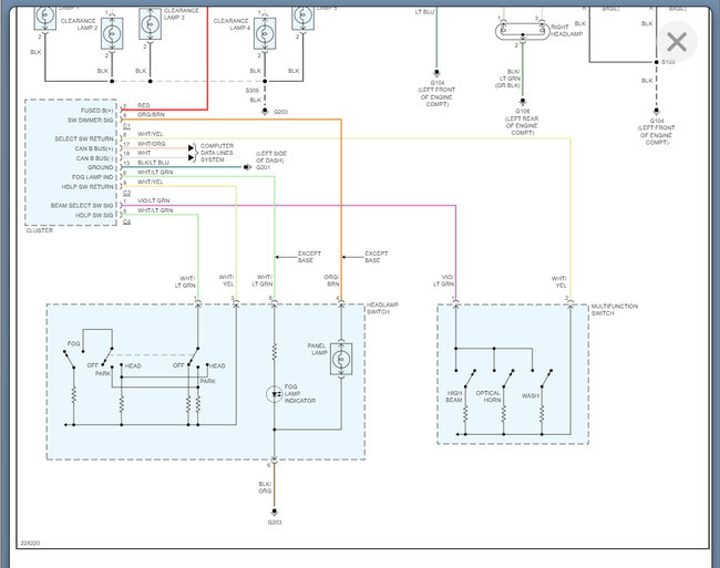
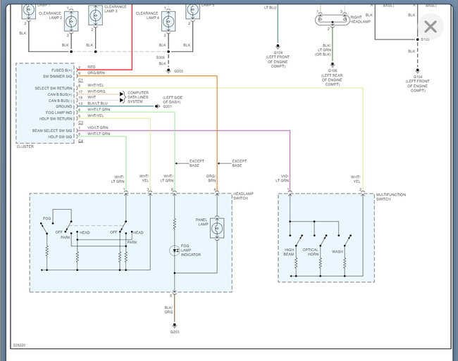
I am having issues with my headlights. My low beams work on both the driver and passenger side. However, my high beams are working on the driver side but not the passenger side. I have changed bulbs thinking that was the issue and it has not changed anything. What is causing this and how can I fix it?

