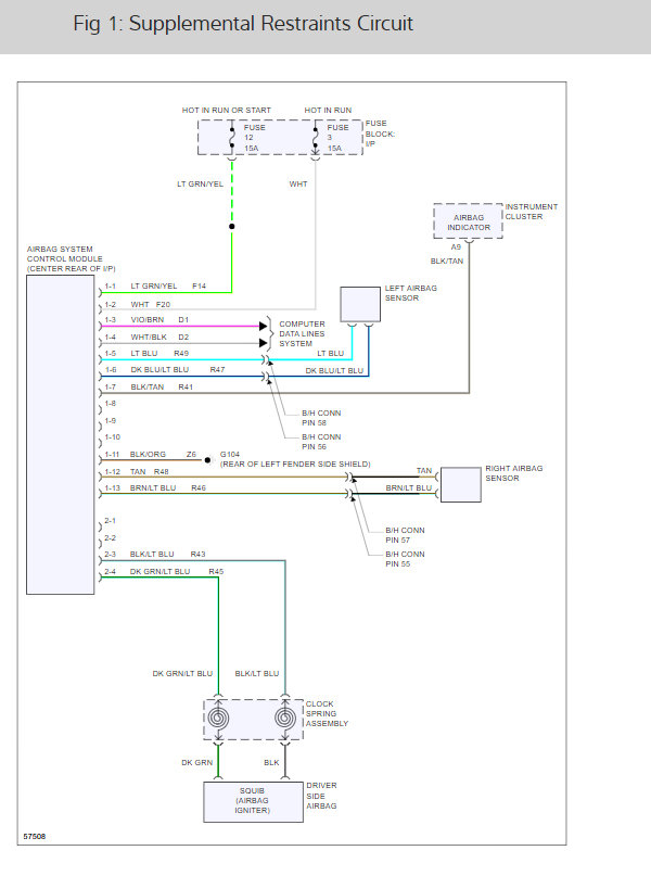
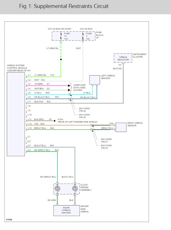
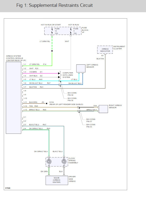
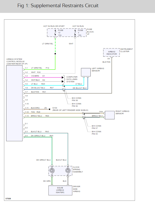
I have a 1999 Dodge Ram 1500 Magnum V8 Quad Cab and the airbag light comes on intermittently I have tried to pin down any particular reason for this ie. Time between the light coming on and beeping each time, and the times it beeps before stopping and going out again, or is there a particular time of day or weather (too hot or too cold) factor that is affecting this, shutting the vehicle off and restarting to see if that makes its come on or will stop it. Nothing is consistent, it could go weeks with out it coming on or it could come on every time I start it for days in a row. The local dodge dealer in my town went bankrupt and closed down and the nearest one is more than 2 hours away.
Sunday, May 10th, 2009 AT 3:34 PM




