Fuel Filter?

Tiny
GARYBFLO
  • MEMBER
  • 1997 DODGE RAM
  • V8
  • 4WD
  • AUTOMATIC
  • 155,000 MILES
OK, seeing that my truck does not have a fuel filter, what is the black canister that is on the frame rail that seems to have a line-in and line-out from the gas tank. I am getting a fuel smell coming from this.
Friday, February 19th, 2010 AT 5:26 AM

30 Replies

Tiny
JACOBANDNICKOLAS
  • MECHANIC
  • 110,194 POSTS
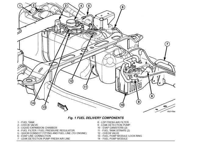
You do have a filter, but you need to remove the fuel tank to replace it. Here are the instruction to do so in the diagrams below with a guide to help walk you through the repair.

https://www.2carpros.com/articles/how-to-change-a-fuel-filter

Check out the diagrams (Below). Please let us know if you need anything else to get the problem fixed.
Was this
answer
helpful?
Yes
No
Friday, February 19th, 2010 AT 9:43 AM
Tiny
PUNKIN17CHEF
  • MEMBER
  • 1 POST
  • 1997 DODGE RAM
  • V8
  • 4WD
  • AUTOMATIC
  • 140,000 MILES
While driving my truck just cuts off. I think I might have a bad fuel filter and or a bad fuel pump but after the truck sits for a while it will crank back up but the problem still occurs help please any all thoughts welcome.
Was this
answer
helpful?
Yes
No
Thursday, August 27th, 2020 AT 12:09 PM (Merged)
Tiny
JACOBANDNICKOLAS
  • MECHANIC
  • 110,194 POSTS
Here is a how to for checking fuel pump pressure:

https://www.2carpros.com/how_to/how_to_check_fuel_pressure.htm

Let me know what you find.
Was this
answer
helpful?
Yes
No
Thursday, August 27th, 2020 AT 12:09 PM (Merged)
Tiny
MRCHIEFSMAN
  • MEMBER
  • 1 POST
  • 1997 DODGE RAM
  • V8
  • 2WD
  • AUTOMATIC
  • 120,000 MILES
Where is the fule filter located?
Was this
answer
helpful?
Yes
No
Thursday, August 27th, 2020 AT 12:09 PM (Merged)
Tiny
JACOBANDNICKOLAS
  • MECHANIC
  • 110,194 POSTS
It is on top of the fuel tank. It is part of the regulator. Here is a picture of it.


https://www.2carpros.com/forum/automotive_pictures/249084_fuel_filter_1.jpg



Let me know if this helps.

Joe
Was this
answer
helpful?
Yes
No
Thursday, August 27th, 2020 AT 12:09 PM (Merged)
Tiny
GEAR_HEAD26
  • MEMBER
  • 1 POST
  • 1997 DODGE RAM
  • V8
  • 4WD
  • AUTOMATIC
  • 135,000 MILES
A friend of mine has a 1997 dodge ram 1500 with a 360 V8, four wheel drive and it does not have a sport package. Everytime we start it it takes usually two tries to get it to fire. We think it could have something to do with the fuel filter. How do we get the fuel pump off to either replace the pump or the filter? And if possible please have a diagram so we can get an idea on how much work is required.
Was this
answer
helpful?
Yes
No
Thursday, August 27th, 2020 AT 12:09 PM (Merged)
Tiny
CARADIODOC
  • MECHANIC
  • 34,489 POSTS
The filter is on the frame rail, not in the tank. I have never heard of someone solving a starting problem by changing the filter.

There have been a lot of problems with the ignition switches getting burned contacts or overheated terminals and melted connectors. The next time it doesn't start, watch what's happening on the instrument cluster. The circuit that usually causes trouble feeds the radio, cluster, and heater fan. I don't believe I've ever heard of a no-start condition, but that's what it sounds like.

On the other hand, if there is a fuel injector leaking pressure down over night, there will be a long crank time. Try turning the ignition switch to "Run" for a few seconds, then off for a few seconds, then cranking it. Every time you turn the switch on, the fuel pump will run for two seconds to get the pressure up. If it starts better, it could also be a leaky pressure regulator or check valve in the pump. Neither of those are serious.

Caradiodoc
Was this
answer
helpful?
Yes
No
-1
Thursday, August 27th, 2020 AT 12:09 PM (Merged)
Tiny
NATHANLEE
  • MEMBER
  • 2 POSTS
  • DODGE RAM
1997 Dodge RAM 1500, 80,000 miles, 5.2 L:
Is the fuel filter located inside the fuel pump? If so, do I get a new filter when I buy a new fuel pump? - Thanks
Was this
answer
helpful?
Yes
No
Thursday, August 27th, 2020 AT 12:09 PM (Merged)
Tiny
MERLIN2021
  • MECHANIC
  • 17,250 POSTS
No it's above the gas tank.
Was this
answer
helpful?
Yes
No
Thursday, August 27th, 2020 AT 12:09 PM (Merged)
Tiny
BILL MCCARTHY
  • MEMBER
  • 1 POST
  • 1997 DODGE RAM
  • 6 CYL
  • 2WD
  • AUTOMATIC
  • 18,000 MILES
I have a 1997 Dodge Ram with the Cummings Turbo Deisel vin # 3b7kc23dovm516101. My electric fuel pump went bad, but I cant seem to find it. It is an external fuel pump.
Was this
answer
helpful?
Yes
No
+1
Thursday, August 27th, 2020 AT 12:09 PM (Merged)
Tiny
BLUELIGHTNIN6
  • MECHANIC
  • 16,542 POSTS
The fuel transfer pump is located on the left side of the engine and above the starter motor.

The fuel filter is located under hood, driver side, lower engine area, mounted in fuel line
Was this
answer
helpful?
Yes
No
+2
Thursday, August 27th, 2020 AT 12:09 PM (Merged)
Tiny
EARL909
  • MEMBER
  • 1 POST
  • 1997 DODGE RAM
Engine Mechanical problem
1997 Dodge Ram V8 Two Wheel Drive Automatic

I CANNOT FIN THE FUEL FILTER ON MY TRUCK AND WAS WONDERING IF YOU COULD TELL ME WHERE IT IS?
Was this
answer
helpful?
Yes
No
Thursday, August 27th, 2020 AT 12:09 PM (Merged)
Tiny
JDL
  • MECHANIC
  • 16,098 POSTS
Welcome, my info says it is mounted on top of fuel pump module, the module in the gas tank.
Was this
answer
helpful?
Yes
No
+1
Thursday, August 27th, 2020 AT 12:09 PM (Merged)
Tiny
BARRY SCHUNK
  • MEMBER
  • 1 POST
  • 1997 DODGE RAM
  • V8
  • 4WD
  • AUTOMATIC
  • 70,000 MILES
My truck cut out, started to back fire and will not start. It is as if it's starving for fuel. Where is the fuel filter located?
Was this
answer
helpful?
Yes
No
Thursday, August 27th, 2020 AT 12:09 PM (Merged)
Tiny
JDL
  • MECHANIC
  • 16,098 POSTS
I believe the pressure regulator and filter are on top of the pump assembly. The regulator and filter may be one assemble, the parts book shows it is replaceable.

I'd check fuel pressure before I did anything.
Was this
answer
helpful?
Yes
No
Thursday, August 27th, 2020 AT 12:09 PM (Merged)
Tiny
PAUL ANDERSON
  • MEMBER
  • 1 POST
  • 1996 DODGE RAM
  • 5.9L
  • V8
  • 4WD
  • AUTOMATIC
  • 150,000 MILES
Alright, so I was driving down the road and I ran out of gas and I just so happened to have a can of gas in the bed of my truck so I poured that in the tank really quick, started it up and continued on my way about a mile down the road it started sputtering and coughing. The check engine light came on then it quit running or ran out of gas so I thought. So I walked to the nearest gas station with gas can in hand get back poured it in long story short, I finally got it running after a few cans of gas were agreed and some starting fluid. But now it's been running really rough and acting like it's going to shut off on me again. So I figured it's probably time to clean the fuel filter out. So where is that darn thing, anyone?
Was this
answer
helpful?
Yes
No
Thursday, August 27th, 2020 AT 12:10 PM (Merged)
Tiny
KASEKENNY
  • MECHANIC
  • 18,907 POSTS
The filter is part of the fuel pump module. I included the process to replace it. Unfortunatley you need to drop the tank.

This does sounds like a fuel issue and I suspect the fuel you put in at some point was "dirty" or the container it was in had some contamination. If this is the case, you will need to drain the tank and replace the pump but I would make sure you clean out the tank as well.
Was this
answer
helpful?
Yes
No
Thursday, August 27th, 2020 AT 12:10 PM (Merged)
Tiny
EBBIE05
  • MEMBER
  • 1 POST
  • 1996 DODGE RAM
  • V8
  • 2WD
  • MANUAL
  • 152,000 MILES
Is it difficult to change the fuel filter on 1996 Dodge 3500. Cummins diesel
Was this
answer
helpful?
Yes
No
Thursday, August 27th, 2020 AT 12:10 PM (Merged)
Tiny
INTERNETMECHANIC
  • MECHANIC
  • 700 POSTS
The procedure looks straight forward to me.


https://www.2carpros.com/forum/automotive_pictures/512072_ram_diesel_fuel_filter_1.jpg

Was this
answer
helpful?
Yes
No
+1
Thursday, August 27th, 2020 AT 12:10 PM (Merged)
Tiny
SHERLOCK666
  • MEMBER
  • 1 POST
  • 1996 DODGE RAM
  • V8
  • 2WD
  • AUTOMATIC
  • 161,740 MILES
My truck starts and runs fine. I calculate the gas by mileage and always guess low just in case. When I get down to around 30 miles (2-3 gallons) it starts to studder and shake real bad. And I cant excellerate and eventually I coast and turn it off and then im stranded. I've been told that it's the fuel filter but comon sence says that no matter how much gas is in it the filter would act up. If there was dirt being sucked up when the gas is low it would get stirred up when I put gas in, therefore acting up imediatly. It doesent. The pump is still working since I can hear it kick it on when the key is turned on.

P.S. The gas gage doesent work, thus I calculate mileage.

P.S.S. I took 4 years of auto shop in high school so I know a few things
Was this
answer
helpful?
Yes
No
Thursday, August 27th, 2020 AT 12:10 PM (Merged)

Please login or register to post a reply.