Saturday, February 14th, 2009 AT 5:04 PM
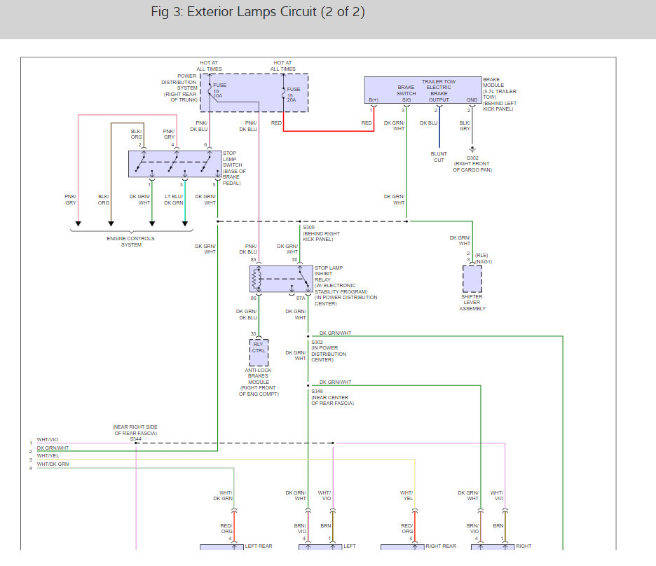
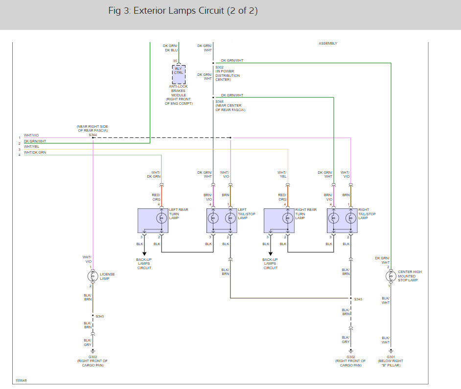
My brake lights dont. I replaced the brake switch by the pedal still nothing. Bulbs are good when I take bulb out to see if there's power going there to it but there isn't any power I checked the fuse and that was still good but replaced it. And wondering if there's a relay to the brake lights?









