A/C not cold

Tiny
FIXITMR
  • MECHANIC
  • 9,990 POSTS
Common problem.
Was this
answer
helpful?
Yes
No
Tuesday, August 4th, 2020 AT 5:30 PM (Merged)
Tiny
FIXITMR
  • MECHANIC
  • 9,990 POSTS
Check blower motor and blend door actuator.
Was this
answer
helpful?
Yes
No
Tuesday, August 4th, 2020 AT 5:30 PM (Merged)
Tiny
SOSUME
  • MEMBER
  • 2 POSTS
  • DODGE DURANGO
2002 Dodge Durango XLT 4.7L

I have narrowed the problem down to the relay that turns the air compressor on. The PCM should ground one leg of the relay to close the contact which supplies voltage to the compressor. This problem is intermittent. My question is, is there a sensor telling the PCM not to activate the relay or is there a problem with the PCM?

If I ground the coil on the relay the AC runs fine.
Was this
answer
helpful?
Yes
No
Tuesday, August 4th, 2020 AT 5:30 PM (Merged)
Tiny
MERLIN2021
  • MECHANIC
  • 17,250 POSTS
Any codes showing?
Was this
answer
helpful?
Yes
No
Tuesday, August 4th, 2020 AT 5:30 PM (Merged)
Tiny
SOSUME
  • MEMBER
  • 2 POSTS
Don't know. I don't have the equipment to check the on-board computer.
Was this
answer
helpful?
Yes
No
Tuesday, August 4th, 2020 AT 5:30 PM (Merged)
Tiny
BENDARE2
  • MEMBER
  • 13 POSTS
.

Take it to 'auto zone'. They will scan for codes for you.

. Good luck. Ol'Ben
Was this
answer
helpful?
Yes
No
-1
Tuesday, August 4th, 2020 AT 5:30 PM (Merged)
Tiny
BTDEAN78
  • MEMBER
  • 2 POSTS
  • 2002 DODGE DURANGO
  • V8
  • 2WD
  • AUTOMATIC
  • 87,000 MILES
When I turn my ac on, it partially blows out of the defrost vent. Also, it seems very weak, both up front and in the back. When I put it on first setting it doesn't blow at all. Thanks.
Was this
answer
helpful?
Yes
No
Tuesday, August 4th, 2020 AT 5:30 PM (Merged)
Tiny
DANIELCADIMA
  • MEMBER
  • 3 POSTS
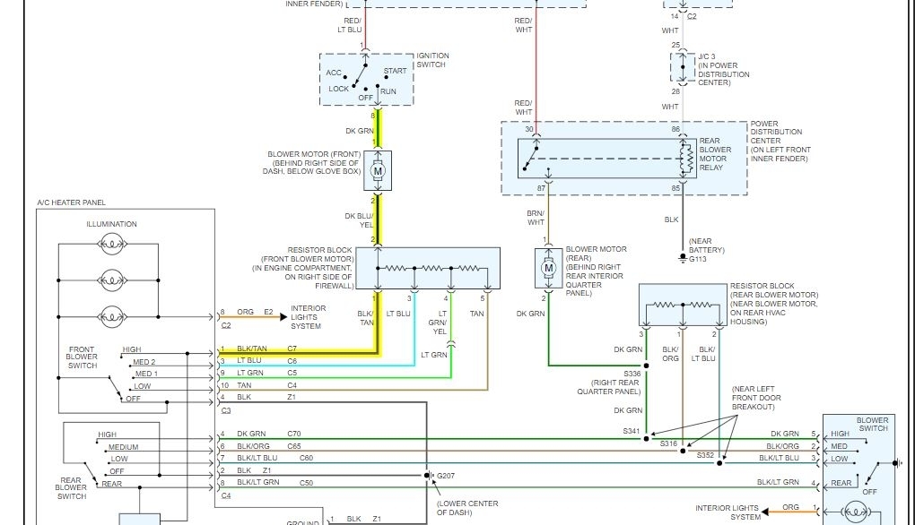
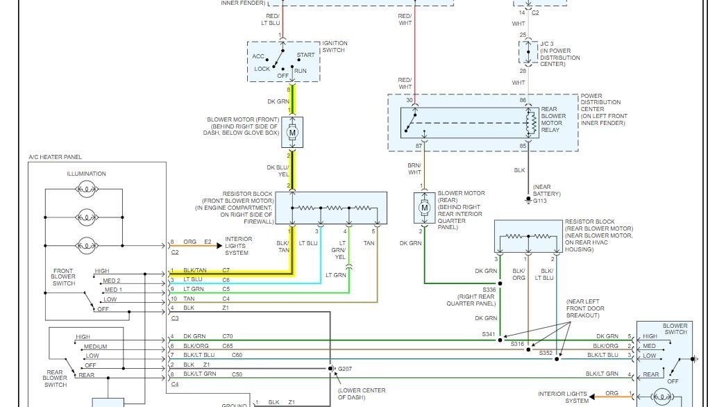
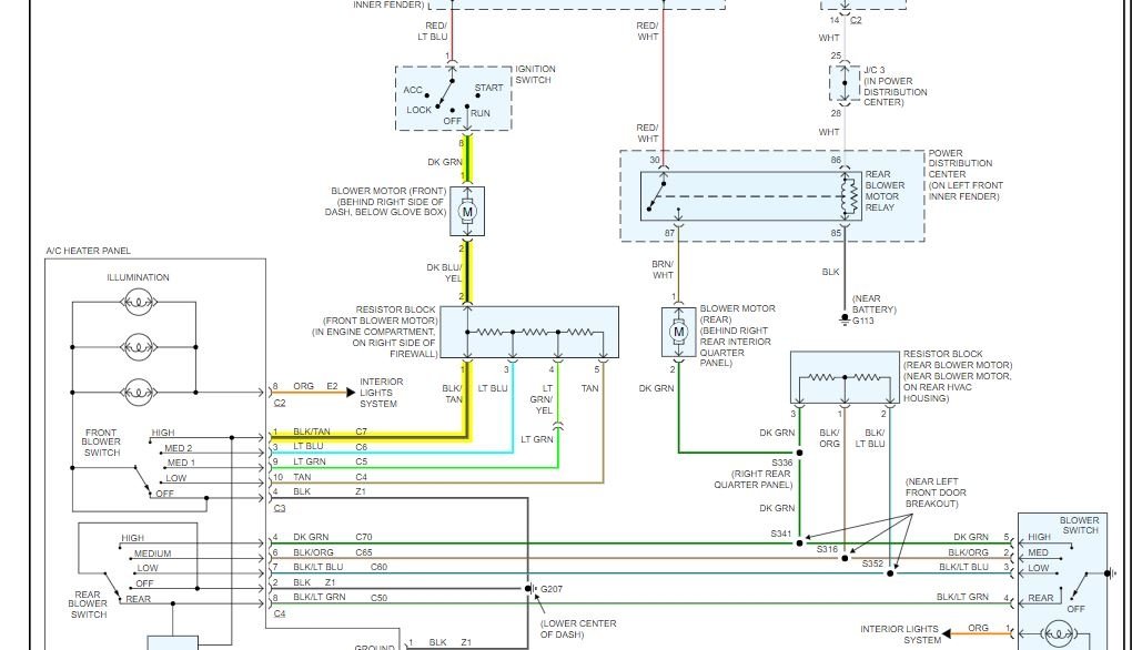
I have a 2001 Durango, on the passenger side under the dach should be a resistor, it has a plug-in and two screws holding it. This resistor is by the blower motor. When you take it out it just looks like a long-flat piece of metal, this controls your blower speeds and fan. Mine had a bad prong, it works fine now. The part was $17.00 at dealership.
The replacement part number was 4885635-AA, it's clearly a more robustly designed resistor than the original part.


https://www.2carpros.com/forum/automotive_pictures/562451_blower_resistor_2.jpg

Was this
answer
helpful?
Yes
No
+1
Tuesday, August 4th, 2020 AT 5:30 PM (Merged)
Tiny
DANIELCADIMA
  • MEMBER
  • 3 POSTS
https://www.2carpros.com/topics/climate-control/air-conditioner
Was this
answer
helpful?
Yes
No
Tuesday, August 4th, 2020 AT 5:30 PM (Merged)
Tiny
BTDEAN78
  • MEMBER
  • 2 POSTS
Thanks. It is blowing like a champ now. Part was only $10.70 from dealership. You saved me at least a bill, thank you so much. It is still blowing through the defrost a little as well, and now the A/C is super loud, especially on Max. Any thoughts?
Was this
answer
helpful?
Yes
No
Tuesday, August 4th, 2020 AT 5:30 PM (Merged)
Tiny
BRUSCIAJ
  • MEMBER
  • 3 POSTS
  • 2002 DODGE DURANGO
  • V8
  • AUTOMATIC
  • 170,000 MILES
In just purchased this vehicle. The A/C works up to the third level but still kinda weak. But as soon as I put it to the highest level the A/C cuts off entirely. Any ideas?
Was this
answer
helpful?
Yes
No
Tuesday, August 4th, 2020 AT 5:30 PM (Merged)
Tiny
ASEMASTER6371
  • MECHANIC
  • 52,796 POSTS
Good afternoon,

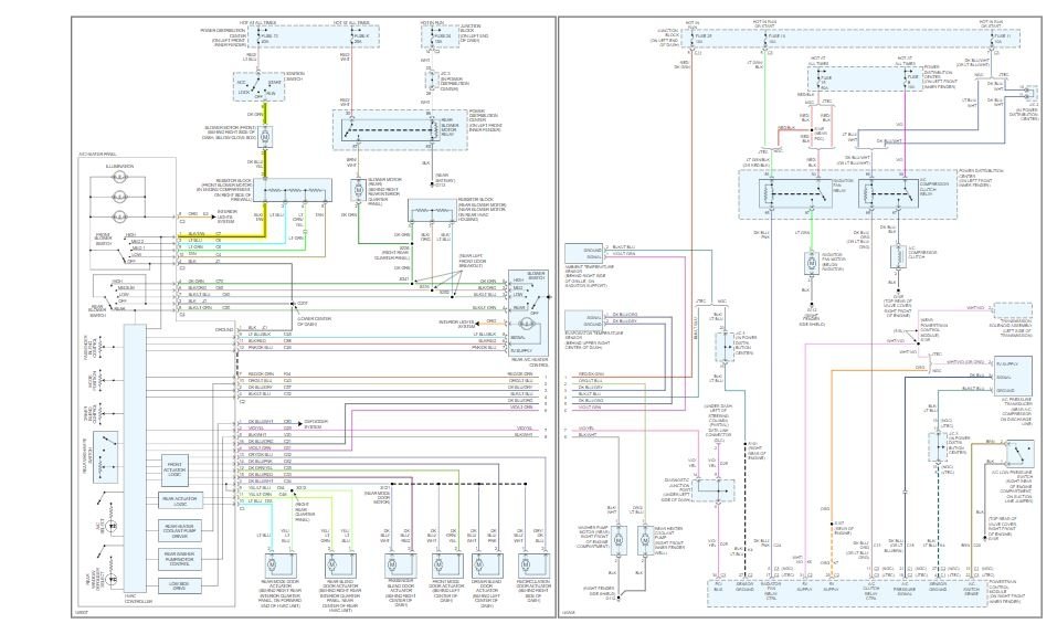
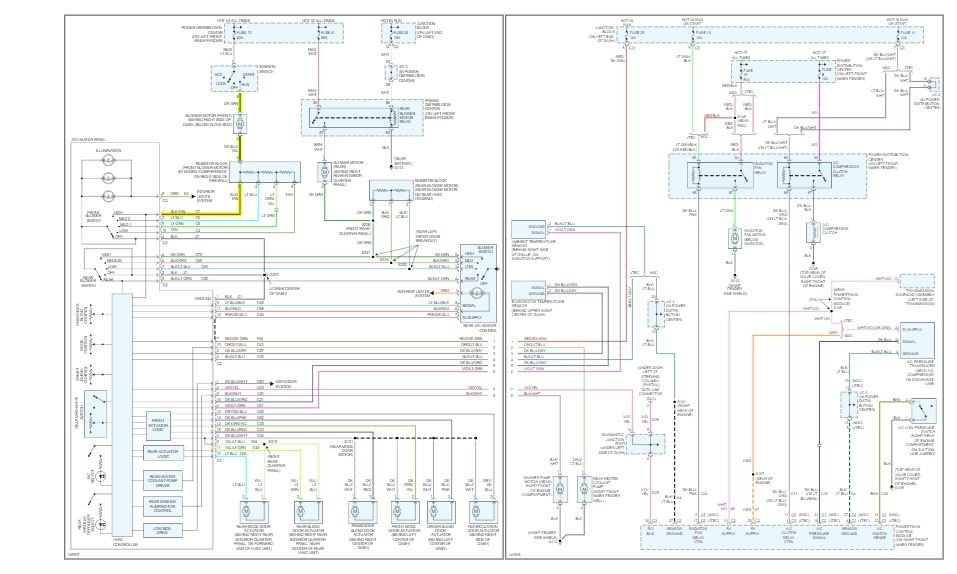
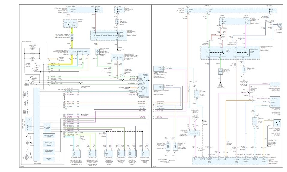
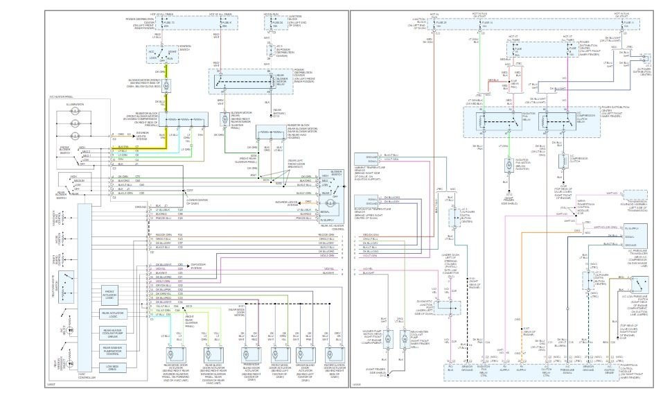
It sounds like the blower resistor may be the issue as it controls all blower speeds.

Roy

REMOVAL
1. Disconnect and isolate the battery negative cable.
2. From the passenger foot well area, remove the two hex screws used to secure the blower motor resistor.
3. Unplug the front blower motor resistor from the wire harness connector.
4. Remove the front blower motor resistor from the HVAC unit.

INSTALLATION
1. Plug the front blower motor resistor into the wire harness connector.
2. Install the front blower motor resistor to the HVAC unit. (Orientation required).
3. Install and tighten the two screws that secure the HVAC unit Tighten the mounting screws to 2 2 Nm(20 in. Lbs).
4. Connect the battery negative cable.
Was this
answer
helpful?
Yes
No
Tuesday, August 4th, 2020 AT 5:31 PM (Merged)

Please login or register to post a reply.