All lights flash

Tiny
BOBR2334
  • MEMBER
  • 2002 DODGE DAKOTA
  • V8
  • 2WD
  • AUTOMATIC
  • 72,000 MILES
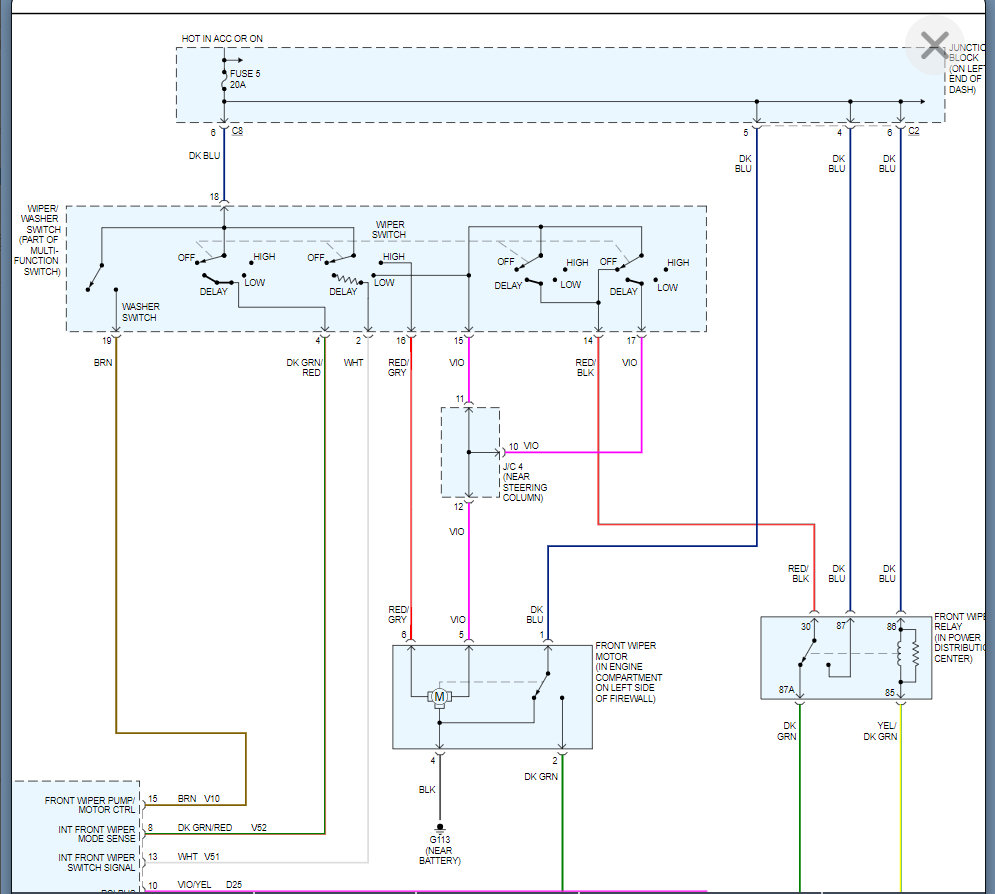
When I turn on my intermediate wipers all my lights flash(interior and exterior). Wipers only work on normal and high speed. Replaced the multifunction switch but nothing changed.
Wednesday, January 9th, 2008 AT 5:14 PM

1 Reply

Tiny
KASEKENNY
  • MECHANIC
  • 18,907 POSTS
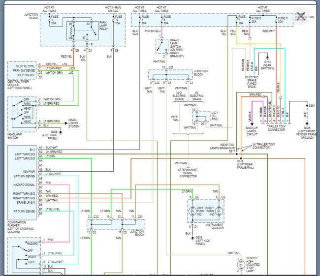
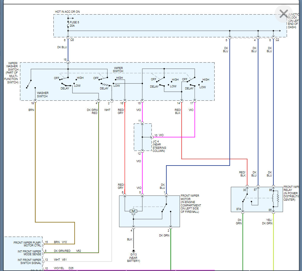
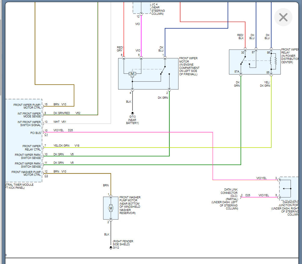
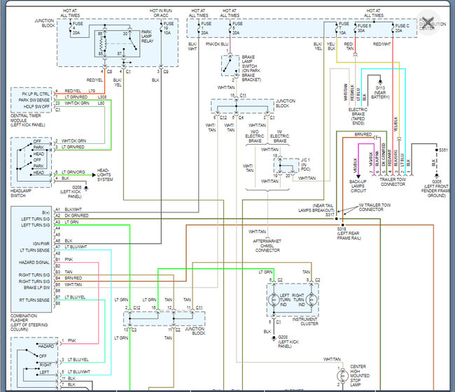
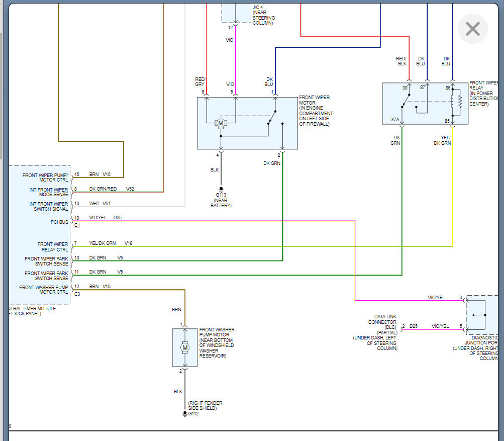
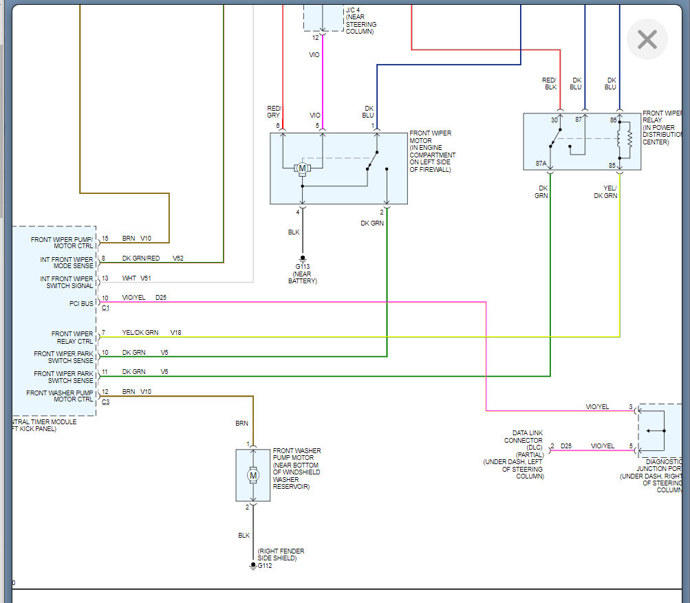
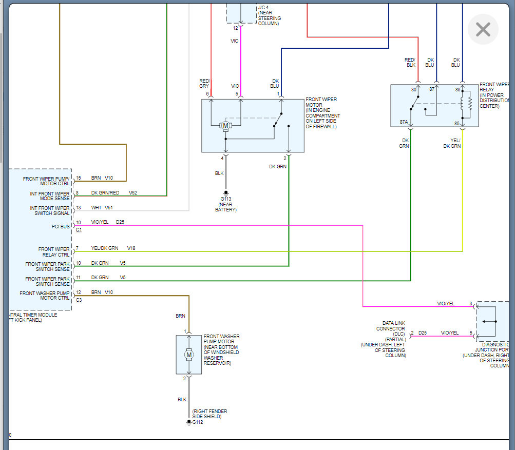
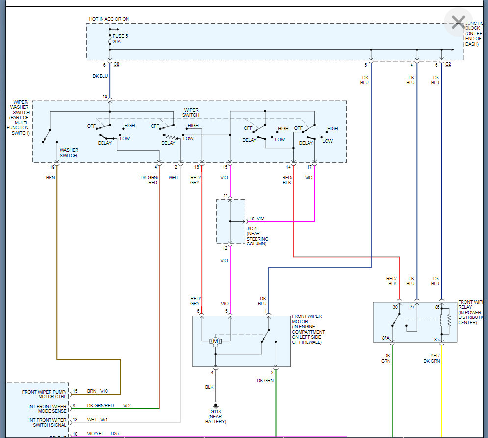
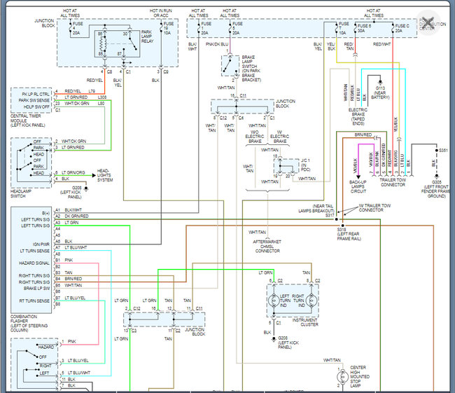
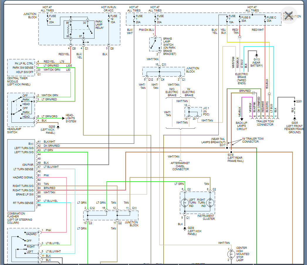
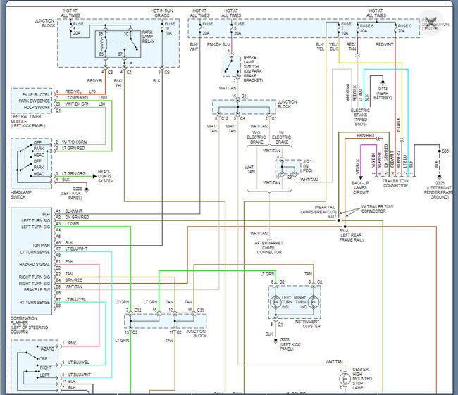
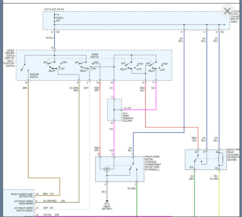
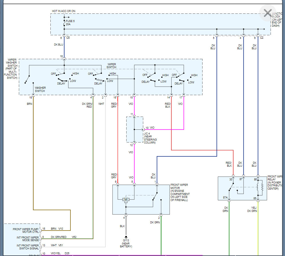
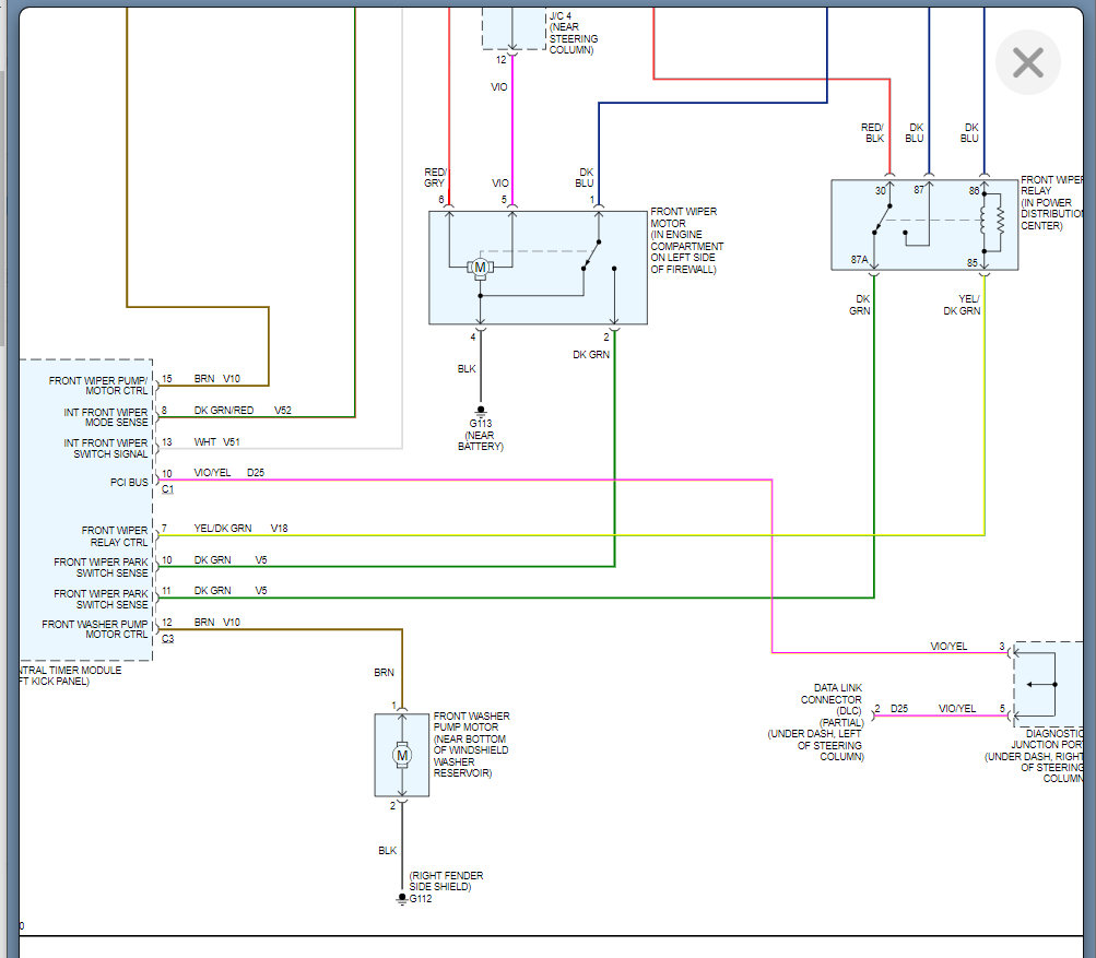
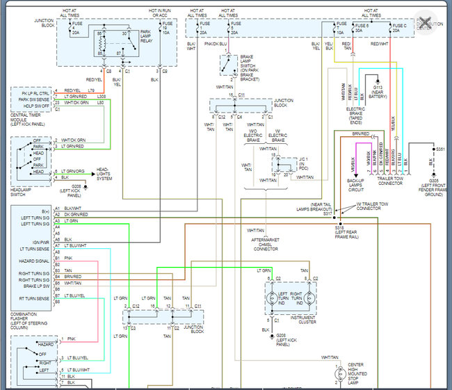
More than likely this is the central timer module.

I am attaching the testing for the CTM below but basically I have seen a number of different failures with this that this issue is most likely the CTM.

Here is a guide that will help with testing this module as shown below:

https://www.2carpros.com/articles/how-to-check-wiring

I am attaching the info below on how to test the module and the wiring diagrams. As you will see the park lights and wipers are run through the CTM so that is the likely common issue.

Also, I attached the process to replace it. Please run through this info and let us know what questions you have.

Thanks
Was this
answer
helpful?
Yes
No
Sunday, August 15th, 2021 AT 7:20 PM

Please login or register to post a reply.