The check engine light still does not work?

Tiny
BETHRON64
  • MEMBER
  • 1999 DODGE DAKOTA
  • 4 CYL
  • 4WD
  • MANUAL
  • 121,000 MILES
I just took my truck to the garage to be repaired. It didn't pass emissions. The check engine light still doesn't work. The emissions inspection said it might be unplugged. Does anyone know where this plug could be.
Thanks
RonC
Thursday, September 4th, 2008 AT 9:43 AM

1 Reply

Tiny
SQM
  • MECHANIC
  • 6,383 POSTS
Hello,

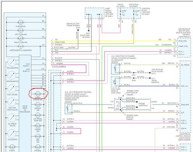
In order to access the light bulb for the check engine light you will have to take the gauge cluster off of the dash.
The bulb plugs in from the back of the gauge.

The bulb could be inoperative due to bad wiring as well.

https://www.2carpros.com/articles/how-to-check-wiring

I have attached the cluster removal process as well as the cluster wiring schematics for your reference.

Please let me know of any questions.
Thank you.
Was this
answer
helpful?
Yes
No
Saturday, September 18th, 2021 AT 10:41 PM

Please login or register to post a reply.