Saturday, October 9th, 2010 AT 2:58 PM
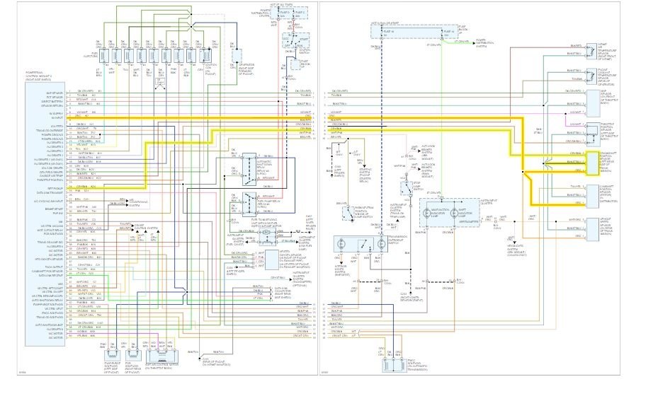
Needed to know what the wire is that comes out of the bottom the distributor cap and where it goes to. Truck sat for a few months and got infested by mice and they chewed wires. Already replaced all spark plugs and wires and noticed that other wire was chewed through. So I need to know what it is and if I have to replace distributor to fix problem.























