Fuel filter

Tiny
AUTOMAN28
  • MEMBER
  • 2007 DODGE CHARGER
6 cyl Two Wheel Drive Automatic 52000 miles

Can you tell me where is the fuel filter on a 2007 dodge charger?
Friday, October 23rd, 2009 AT 11:06 PM

7 Replies

Tiny
KEN L
  • MASTER CERTIFIED MECHANIC
  • 55,512 POSTS
Hello,

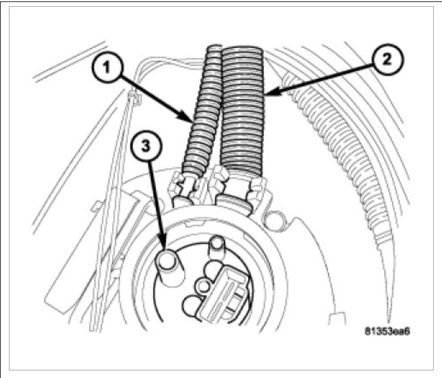
The fuel filter for your car is located in the fuel tank with the fuel pump. You will need to drain the fuel down a bit before you remove the fuel pump. Here is a guide that will show you what you are in for when doing the repair except your car has an access hole under the back seat so you don't need to remove the fuel tank.

https://www.2carpros.com/articles/how-to-replace-an-electric-fuel-pump

Here is a video on how to drain some of the gas out.

https://youtu.be/Q5MH2gnyFH0

Here is what it will be like for your car (below)

Please let us know if you need anything else to get the problem fixed.

Cheers, Ken
Was this
answer
helpful?
Yes
No
Saturday, November 18th, 2017 AT 9:19 PM
Tiny
CHADWICKCEO
  • MEMBER
  • 2 POSTS
  • 2006 DODGE CHARGER
  • 5.7L
  • V8
  • 4WD
  • AUTOMATIC
  • 190,000 MILES
I changed the fuel filter and it ran great for about 3 hours, I got back home car cooled down and I was about to leave again and it started stumbling and engine light started flashing fast and it finally turned off. It crank back up and now it seems as if it is struggling to stay on. Any idea?
Was this
answer
helpful?
Yes
No
+1
Saturday, November 18th, 2017 AT 9:20 PM (Merged)
Tiny
JDL
  • MECHANIC
  • 16,098 POSTS
Check for applicable trouble codes. To check codes, yourself, at the least, you need an obd2 code reader. Some of the national brand autostores will check codes for free, if you can get the vehicle down there.

Otherwise check the basics, proper fuel pressure, spark everywhere, check idle air system. A problem at idle could be a leak of some kind, fuel--vacuum--egr, something like that.
Was this
answer
helpful?
Yes
No
Saturday, November 18th, 2017 AT 9:20 PM (Merged)
Tiny
2CP-ARCHIVES
  • MEMBER
  • 4,540 POSTS
  • 2008 DODGE CHARGER
  • 10,100 MILES
Why does it feel like my gas isnt getting through when I accelerate? Do I need a tune up or a fuel pump?
I don't know if it's a tune up I need or something with my fuel pump.
Was this
answer
helpful?
Yes
No
Saturday, November 18th, 2017 AT 9:20 PM (Merged)
Tiny
WRENCHTECH
  • MECHANIC
  • 20,761 POSTS
With symptoms that serious, you should have a check engine light coming on. Even if you don't, have the computer scanned for codes and post the numbers here.
Was this
answer
helpful?
Yes
No
Saturday, November 18th, 2017 AT 9:20 PM (Merged)
Tiny
KEN29907
  • MEMBER
  • 1 POST
  • 2008 DODGE CHARGER
2008 dodge charger runs out of gas on quarter of tank
Was this
answer
helpful?
Yes
No
+1
Saturday, November 18th, 2017 AT 9:20 PM (Merged)
Tiny
DOCFIXIT
  • MECHANIC
  • 18,828 POSTS
Guage accurate? When it runs out can it be filled to capacity?
Was this
answer
helpful?
Yes
No
Saturday, November 18th, 2017 AT 9:20 PM (Merged)

Please login or register to post a reply.