Started to grinding when I hit the brakes?

Tiny
WHODAT
  • MEMBER
  • 2007 DODGE CARAVAN
Has started to grinding when I hit the brakes?
Sunday, October 17th, 2010 AT 8:21 PM

1 Reply

Tiny
JACOBANDNICKOLAS
  • MECHANIC
  • 110,194 POSTS
Hi,

Replacing front brake pads and rotors isn't too hard to do. Since they usually last around 25,000 miles, you can get lifetime parts and never have to pay for parts again.

Let's get started. First, here is a link that shows in general how it's done. You can use this as a guide when working on your vehicle:

https://www.2carpros.com/articles/how-to-replace-front-brake-pads-and-rotors-fwd

Here are the directions specific to your vehicle. The pics below correlate with the directions.

__________________________________________

2007 Dodge or Ram Truck Grand Caravan V6-3.3L VIN R
Removal - Front Disc Brake Shoes (Continental Teves Brakes)
Vehicle Brakes and Traction Control Disc Brake System Brake Pad Service and Repair Removal and Replacement Brake Pads/Shoes - Front Removal - Front Disc Brake Shoes (Continental Teves Brakes)
REMOVAL - FRONT DISC BRAKE SHOES (CONTINENTAL TEVES BRAKES)
REMOVAL - FRONT DISC BRAKE SHOES (CONTINENTAL TEVES BRAKES)

1. Raise the vehicle.
2. Remove both front wheel and tire assemblies.
3. Begin on one side of the vehicle.
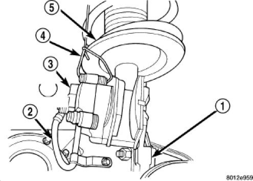
4. Remove the anti-rattle clip from the outboard side of the caliper and adapter.
5. Remove the two caliper guide pin bolts.
6. Remove caliper from caliper adapter and brake rotor.

CAUTION: Supporting weight of caliper by the flexible brake fluid hose can damage the hose.

7. Using wire or cord, hang the caliper from the front strut assembly (Figure 1). Support the caliper firmly to prevent weight of caliper from being supported by the brake fluid hose.

pic 1

Figure 1 Stored Front Disc Brake Caliper

pic 2

8. Remove the outboard brake shoe from the caliper adapter.
9. Pull the inboard brake shoe away from the caliper piston until the retaining clip on shoe is free from the cavity in the caliper piston (Figure 2).

pic 3

Figure 2 Removing Inboard Shoe

pic 4

10. Repeat the above procedure on other side of the vehicle.

Install is the opposite of removal

_______________________________________________________

Rotor Replacement
2007 Dodge or Ram Truck Grand Caravan V6-3.3L VIN R
Front Brake Rotor
Vehicle Brakes and Traction Control Disc Brake System Brake Rotor/Disc Service and Repair Removal and Replacement Installation Front Brake Rotor
FRONT BRAKE ROTOR
INSTALLATION - FRONT BRAKE ROTOR

1. Install the brake rotor back on the hub and bearing (Figure 1).
2. Install brake caliper and adapter back over brake rotor aligning adapter with mounting holes on steering knuckle (Figure 1).
3. Install the two adapter mounting bolts securing the adapter to the steering knuckle. Tighten the mounting bolts to 169 Nm (125 ft. lbs.) torque.
4. Install wheel and tire assembly on vehicle. Tighten the wheel mounting lug nuts in proper sequence until all nuts are torqued to half specification, then repeat the tightening sequence to the full specified torque of 135 Nm (100 ft. lbs.).
5. Lower vehicle to the ground.

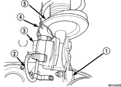
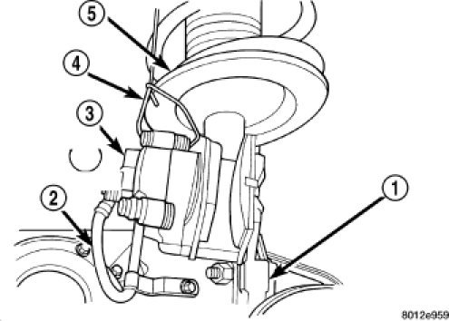
pic 5

Figure 1 Front Brake Mounting

pic 6

Install

2007 Dodge or Ram Truck Grand Caravan V6-3.3L VIN R
Front Brake Rotor
Vehicle Brakes and Traction Control Disc Brake System Brake Rotor/Disc Service and Repair Removal and Replacement Installation Front Brake Rotor
FRONT BRAKE ROTOR
INSTALLATION - FRONT BRAKE ROTOR

1. Install the brake rotor back on the hub and bearing (Figure 1).
2. Install brake caliper and adapter back over brake rotor aligning adapter with mounting holes on steering knuckle (Figure 1).
3. Install the two adapter mounting bolts securing the adapter to the steering knuckle. Tighten the mounting bolts to 169 Nm (125 ft. lbs.) torque.
4. Install wheel and tire assembly on vehicle. Tighten the wheel mounting lug nuts in proper sequence until all nuts are torqued to half specification, then repeat the tightening sequence to the full specified torque of 135 Nm (100 ft. lbs.).
5. Lower vehicle to the ground.

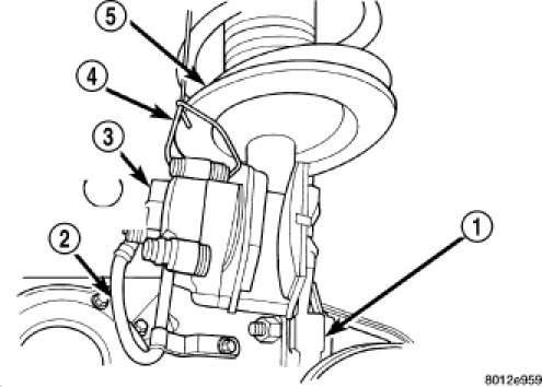
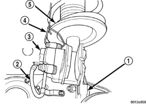
pic 5 Again

Figure 1 Front Brake Mounting

pic 6 Again

___________________________________________

I hope this helps. Let me know if you have other questions.

Take care and God Bless,

Joe

Was this
answer
helpful?
Yes
No
Monday, March 1st, 2021 AT 10:20 AM

Please login or register to post a reply.