Wednesday, September 15th, 2010 AT 4:25 PM
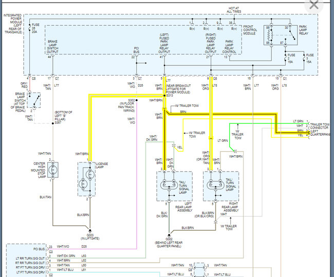
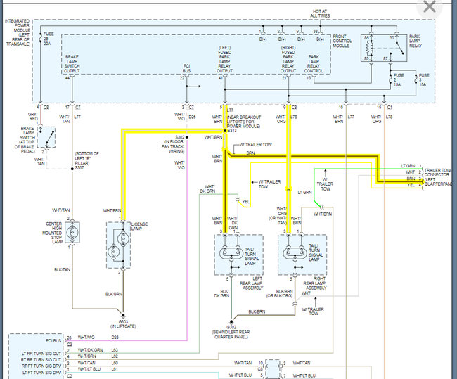
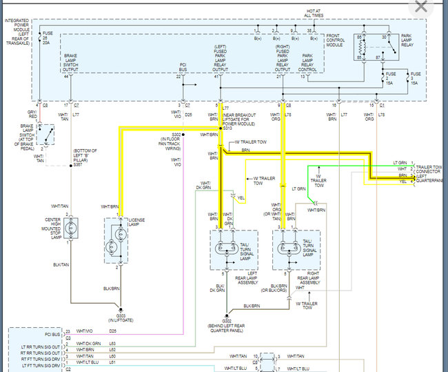
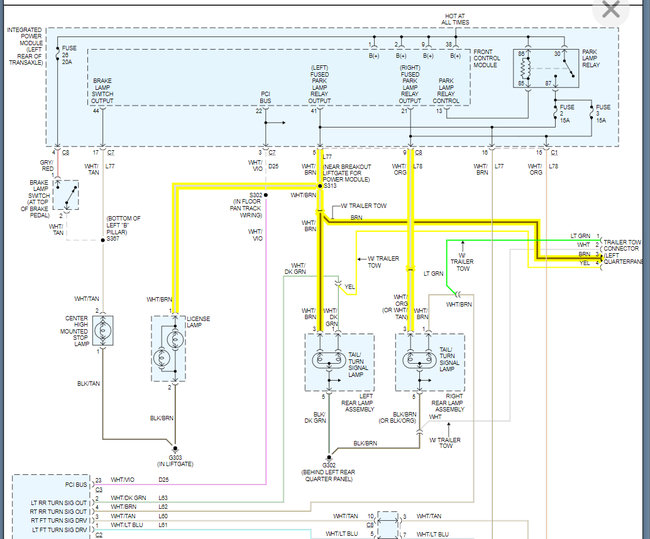
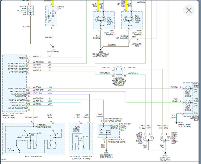
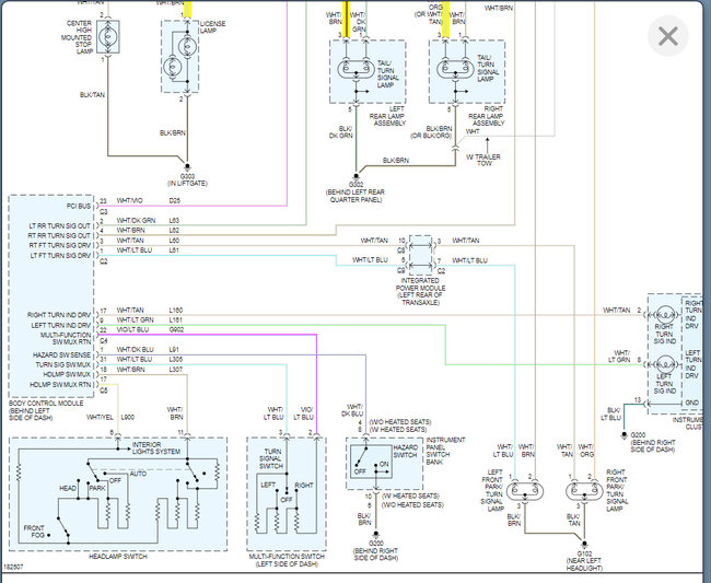
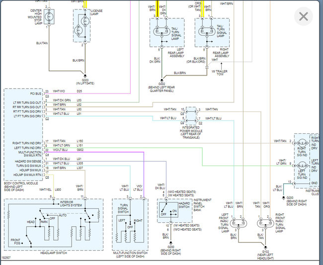
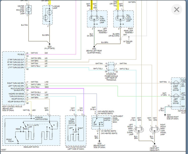
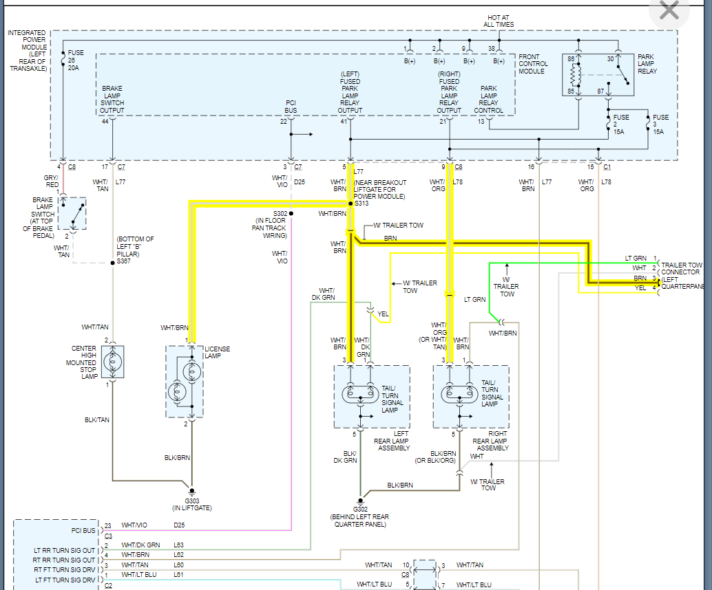
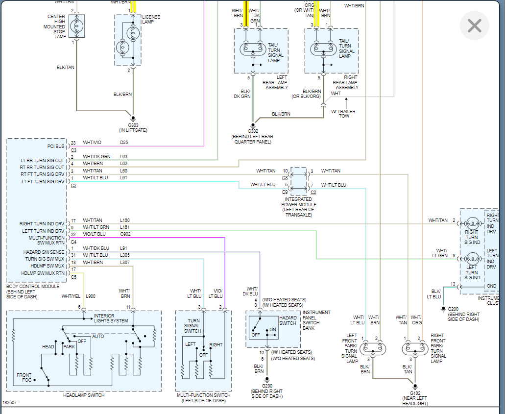
My brake and turning lights wont come up, and I cant find the right fuse for them, to see if I have a blown fuse- it is not in the main fuse box, do you know where are they located?






