Monday, November 3rd, 2008 AT 6:13 PM
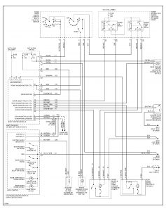
My rear wiper mtr is not working I have power to plug at motor switch lights up in both positions, removed and replaced mtr still not working, is there a relay or something I am missing, plug is 3 wire at mtr, any help would be appreciatted.

