Saturday, July 17th, 2010 AT 6:37 PM
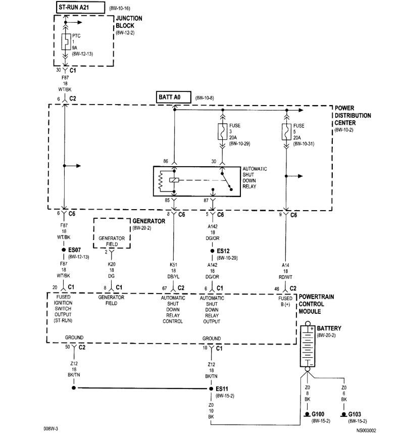
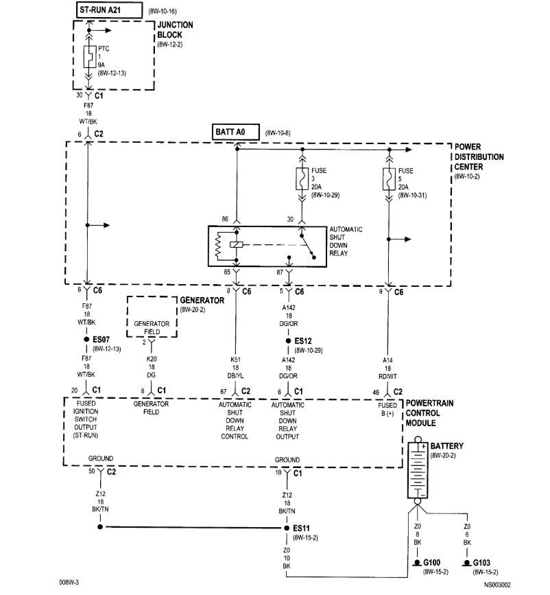
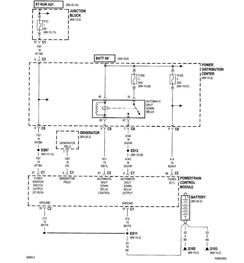
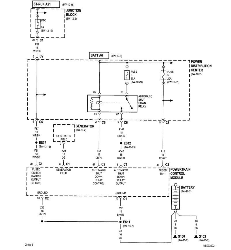
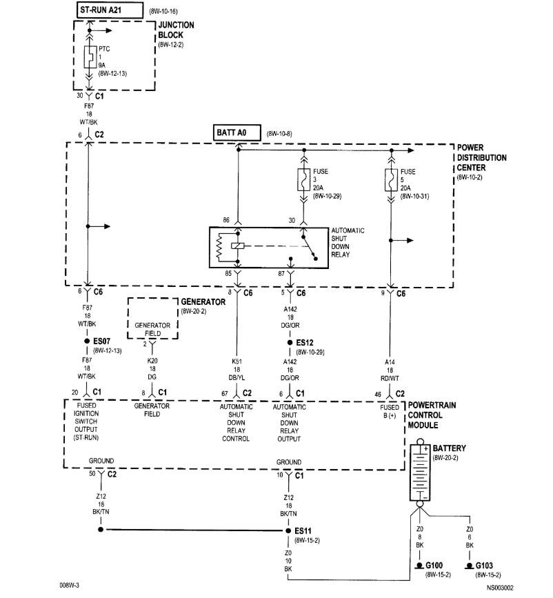
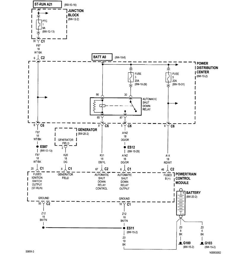
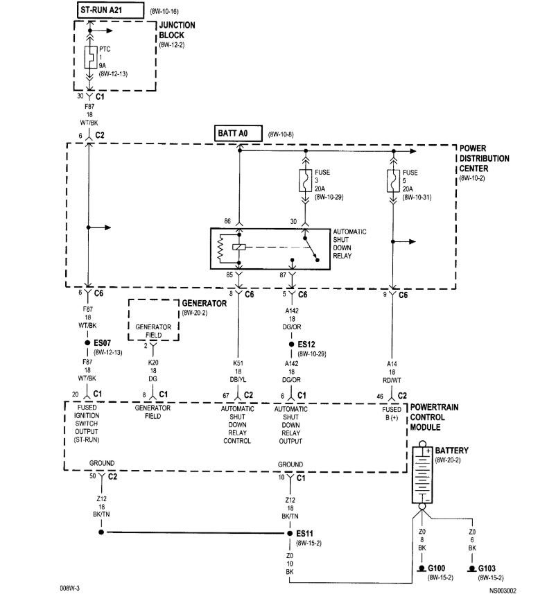
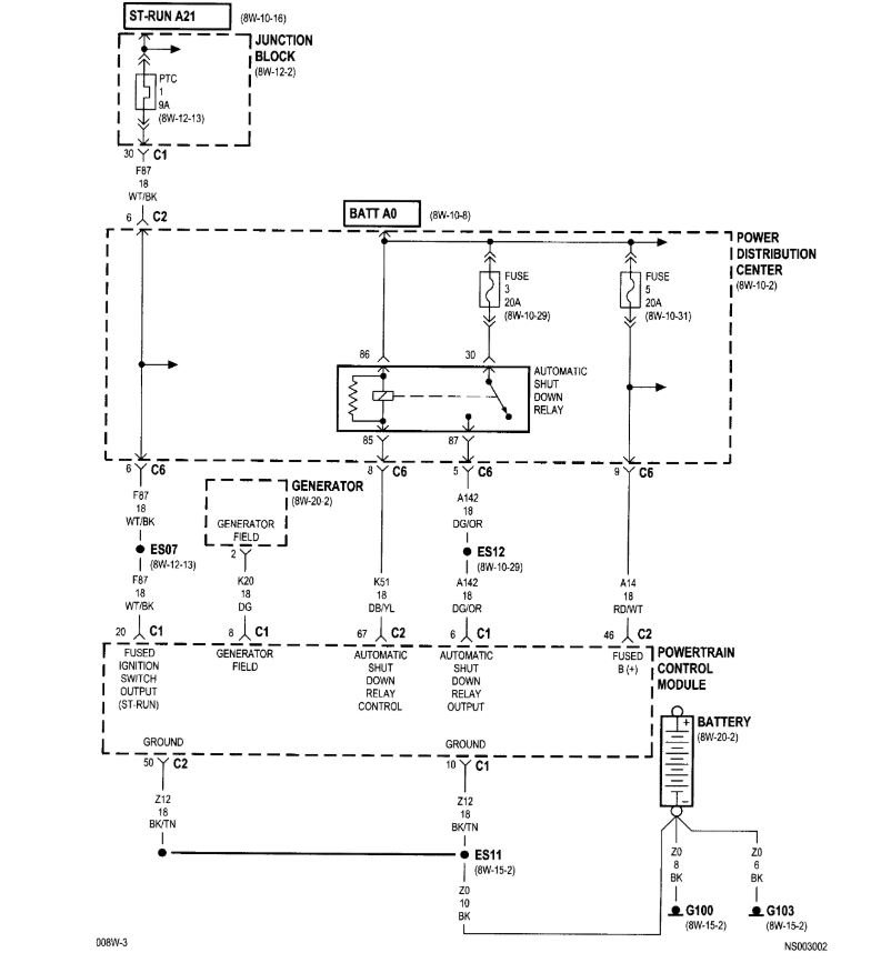
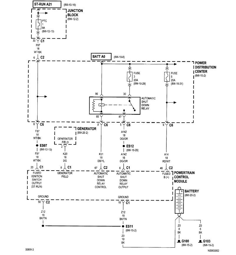
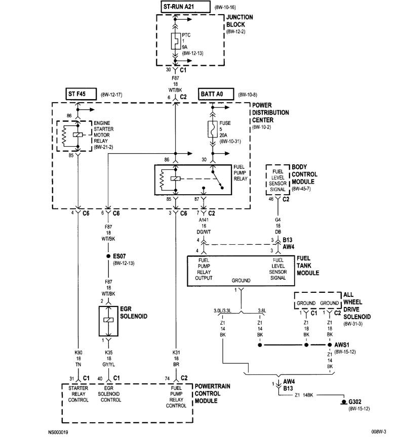
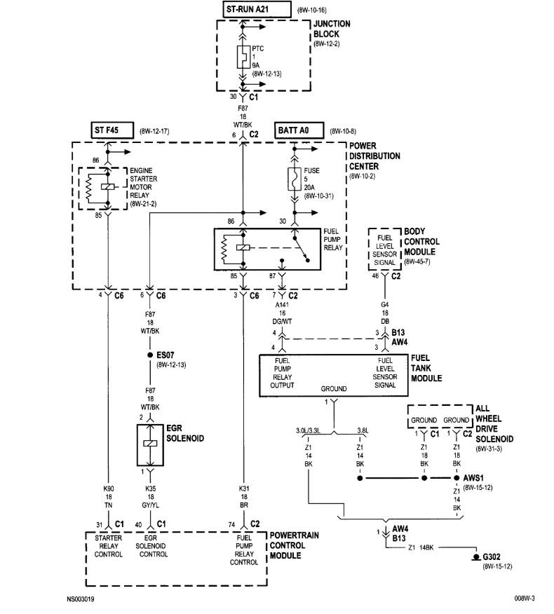
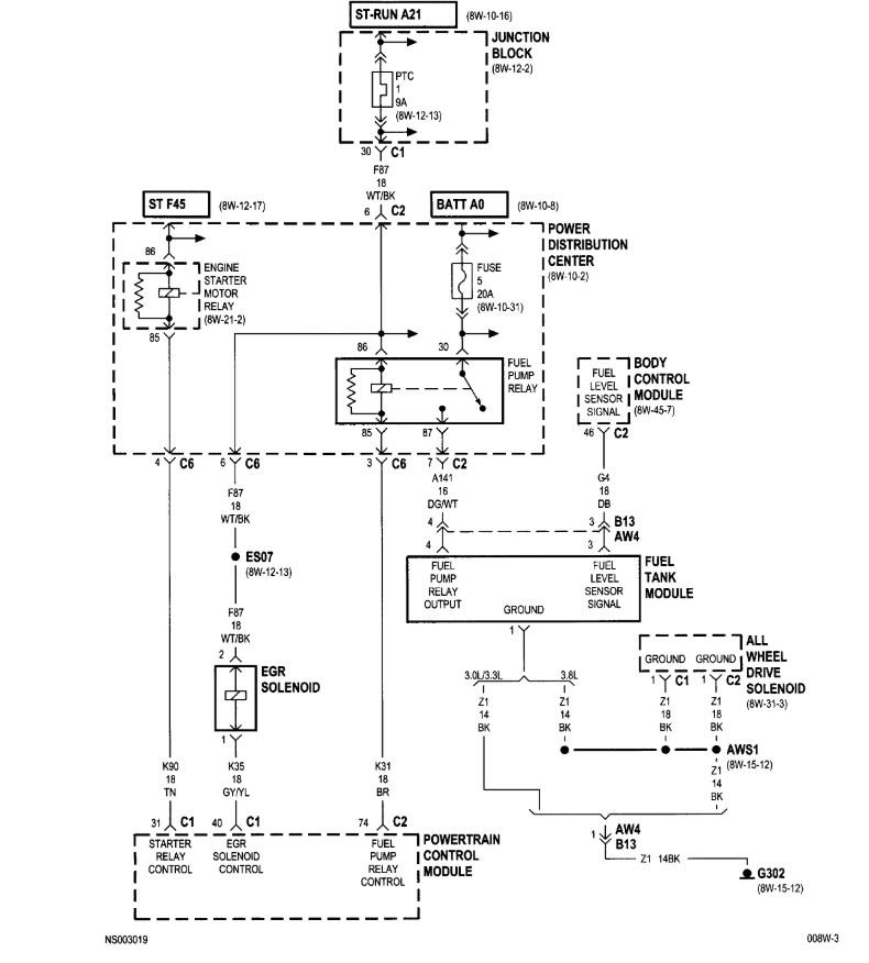
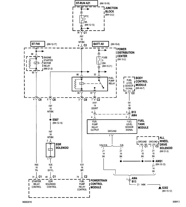
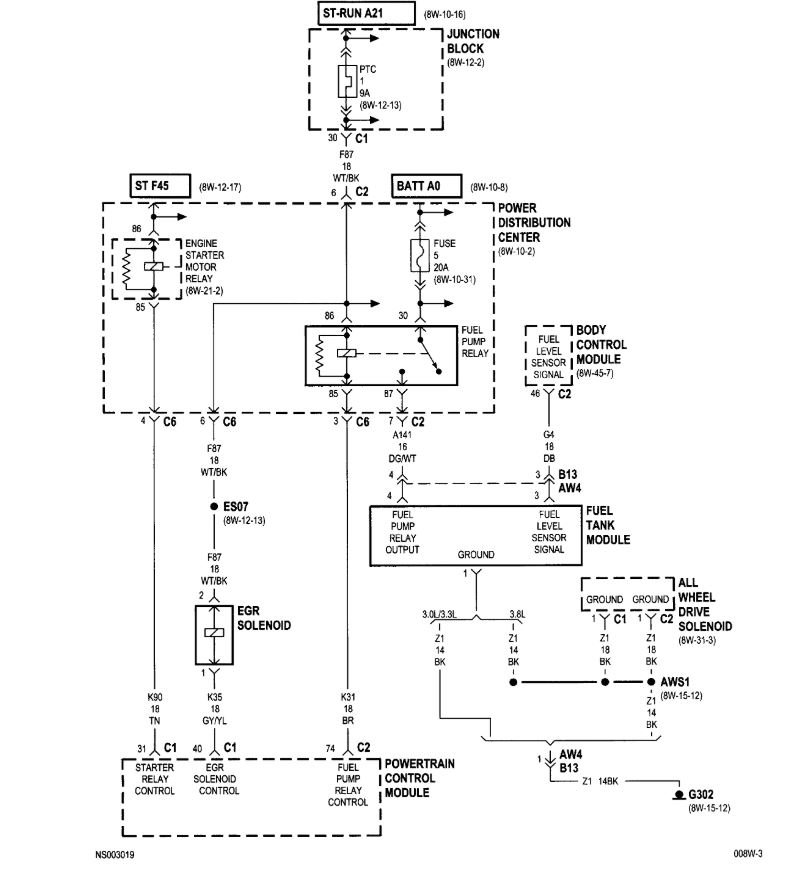
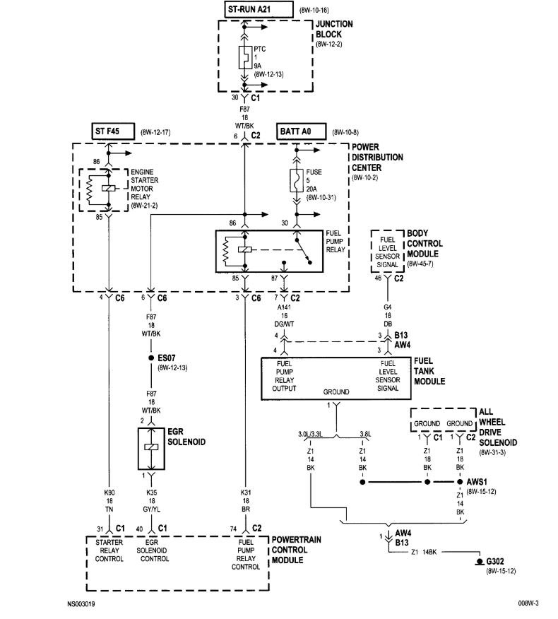
My 2000Caravan 3.8 engine L number :If I remove the fuel pump relay from the PDC and take a wire jumper from pin 87 to pin 30 on relay pin socket the vehicle starts and runs but acts like it dies when put in gear. If I replace new relay in socket the engine cranks but won't start.I put test light on battery lead and inserted into pin socket 86 and turn ignition key on the trigger circuit lights up test light. Why doesn't relay work or is my fuel pump causing the no start conditon.I'm doing this repair free as the lady can't pay for labor so I offered to fix as ministry. Can you help me?




