Saturday, August 5th, 2017 AT 6:11 PM
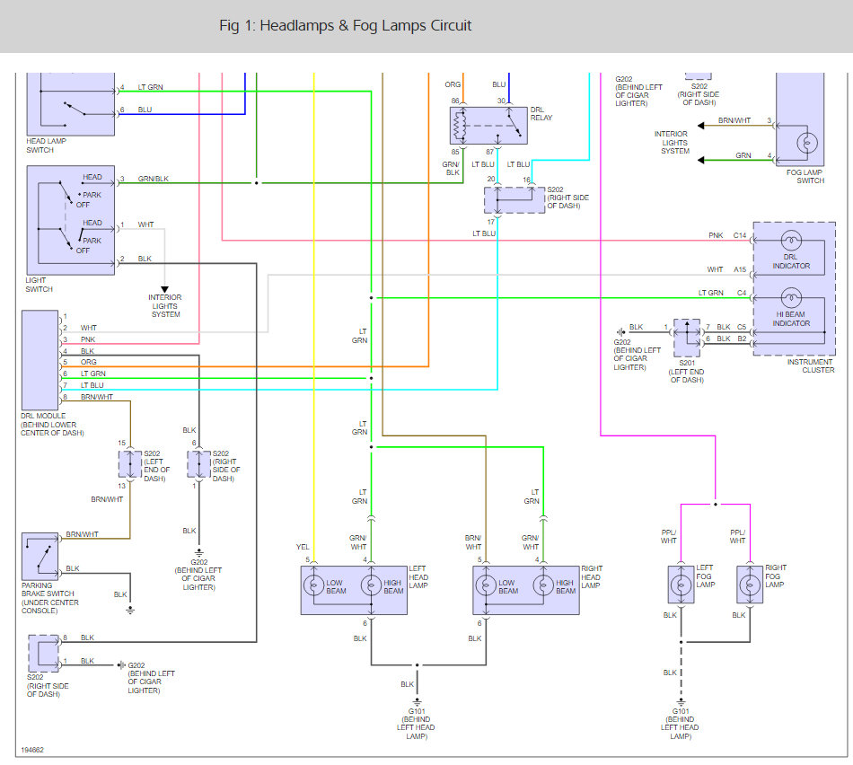
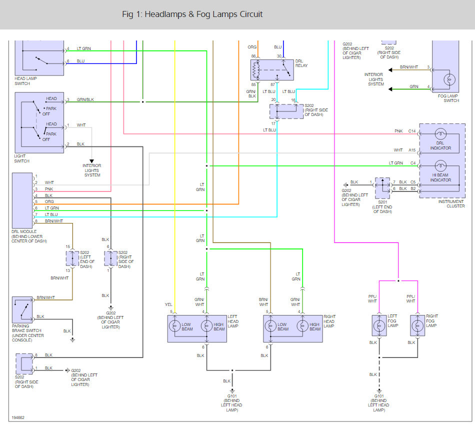
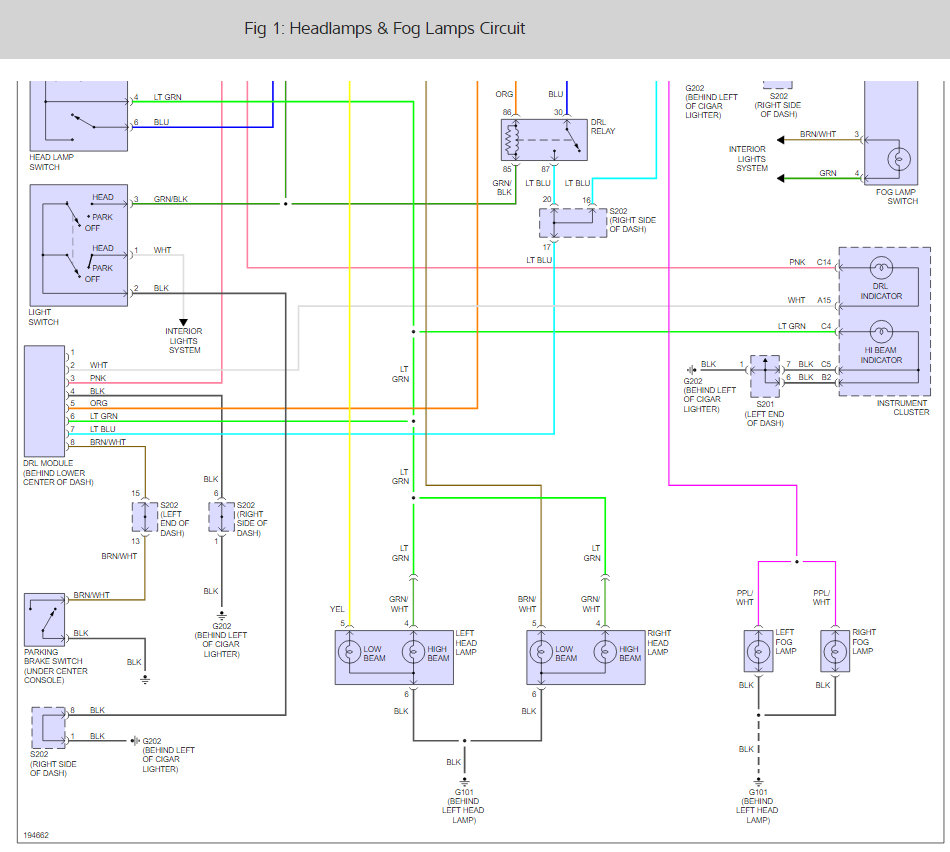
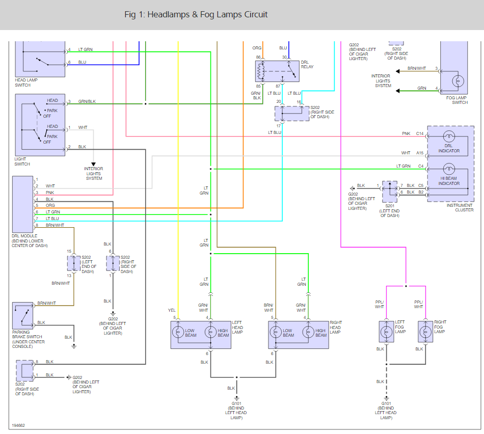
I had a problem with my headlights staying on after turning off the engine so I was told I needed the DRL's replaced. So I found a page online that showed how to disable the DRL control. So I unplugged it and that turned them off but now they will not come on.




