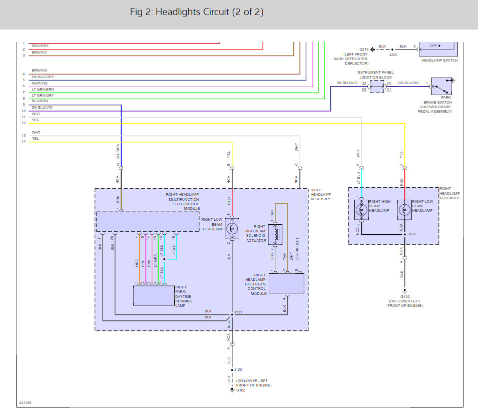
Saturday, February 10th, 2018 AT 5:01 PM
For some reason my headlights, both low and high, seem to be really dim. I thought it may have been my bulbs so I bought new LED's. They also do not seem to be as bright as they should be. I know someone who has a very similar pair and they are very bright. Any ideas what it could be?












