Dim headlamp

Tiny
JBEARJERRY
  • MEMBER
  • 2001 PONTIAC GRAND AM
  • 2.4L
  • 4 CYL
  • 2WD
  • MANUAL
  • 130,000 MILES
Dim headlamp on drivers side only.
Friday, November 24th, 2017 AT 5:17 PM

4 Replies

Tiny
STEVE W.
  • MECHANIC
  • 15,628 POSTS
Check the ground for the light and test the bulb as well. A bad ground will make the light try to ground out through the opposite filament.
Was this
answer
helpful?
Yes
No
Friday, November 24th, 2017 AT 6:03 PM
Tiny
FREEMBA
  • MECHANIC
  • 1,152 POSTS
In the under-hood fuse box, check the right hand HDLP (right hand headlight) fuse. Replace it if it is found to be faulty.
It is possible that you have a bad left side headlight (high-beam filament burned out) and a bad fuse for the right side headlight.

Let me know.

Thanks
Was this
answer
helpful?
Yes
No
+1
Friday, November 24th, 2017 AT 6:07 PM
Tiny
JBEARJERRY
  • MEMBER
  • 2 POSTS
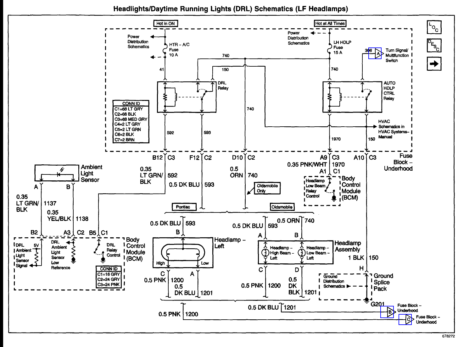
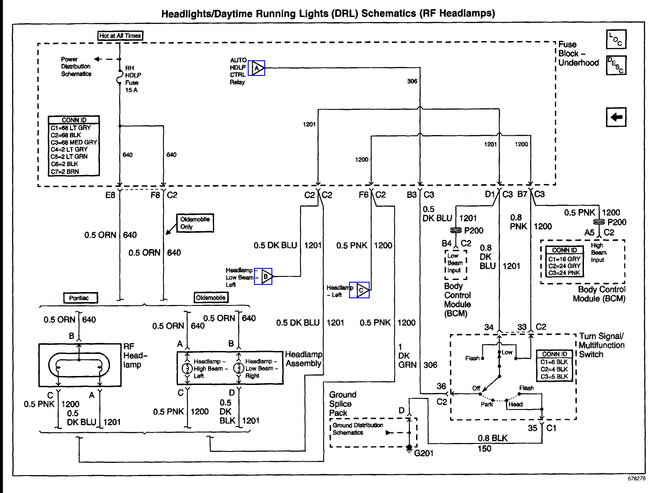
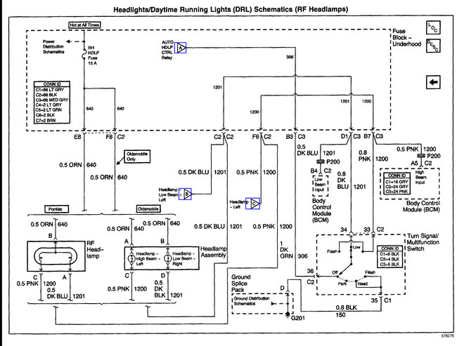
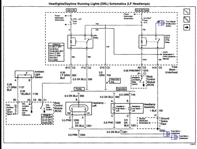
Where is the location of the ground for the left side headlight?
Was this
answer
helpful?
Yes
No
+4
Friday, November 24th, 2017 AT 9:07 PM
Tiny
STEVE W.
  • MECHANIC
  • 15,628 POSTS
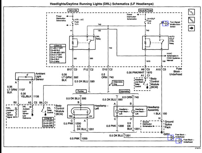
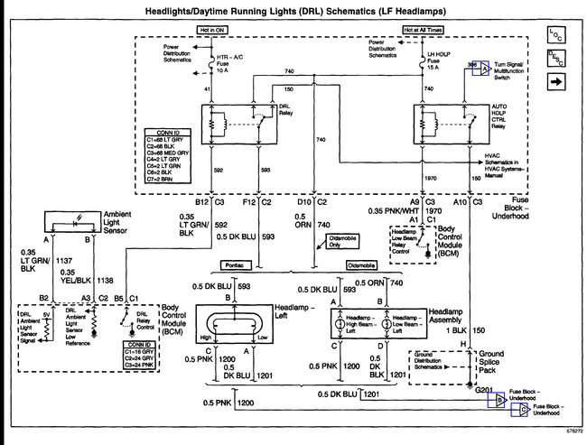
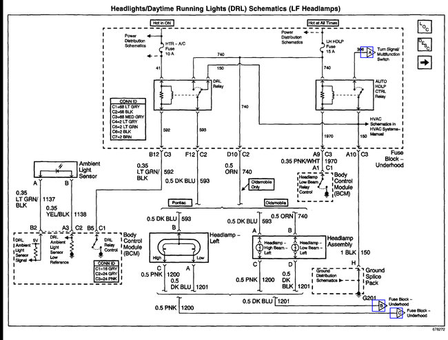
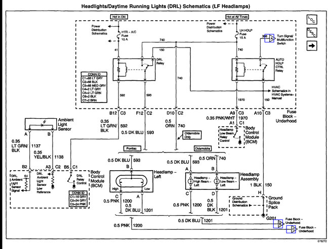
It is grounded through the DRL system. Here are the diagrams. I would check right at the light first.
Was this
answer
helpful?
Yes
No
Saturday, November 25th, 2017 AT 12:19 AM

Please login or register to post a reply.