Where is the best place to install a shut off switch?

Tiny
SKEMP8
  • MEMBER
  • 2020 TOYOTA AVALON
  • 6 CYL
  • 27,000 MILES
I've been trying to install a shut off switch in my car listed above TRD, and was told that the best place to install is the wire that travels from the fuel pump relay to the fuel pump, but I keep getting differing opinions on where the relay is located. Even the Toyota Service Dept. Could only narrow it down to 4-5 relays. Anyone been through this?
Tuesday, August 10th, 2021 AT 12:17 PM

3 Replies

Tiny
KASEKENNY
  • MECHANIC
  • 18,907 POSTS
By shut off switch I assume you are talking about a "safety" switch that only you know the location of to prevent the vehicle from being stolen?

If this is the case, I must start with saying that these vehicles are almost impossible to steal without the key. So if you are trying to prevent someone from stealing your keys and then your car then this makes sense.

Basically your options are endless as I suspect you are looking to just put a toggle switch so that you can turn it on and off. You can put this in any circuit even the battery itself. Clearly I would suggest just picking a relay control circuit to the fuel pump or ignition.

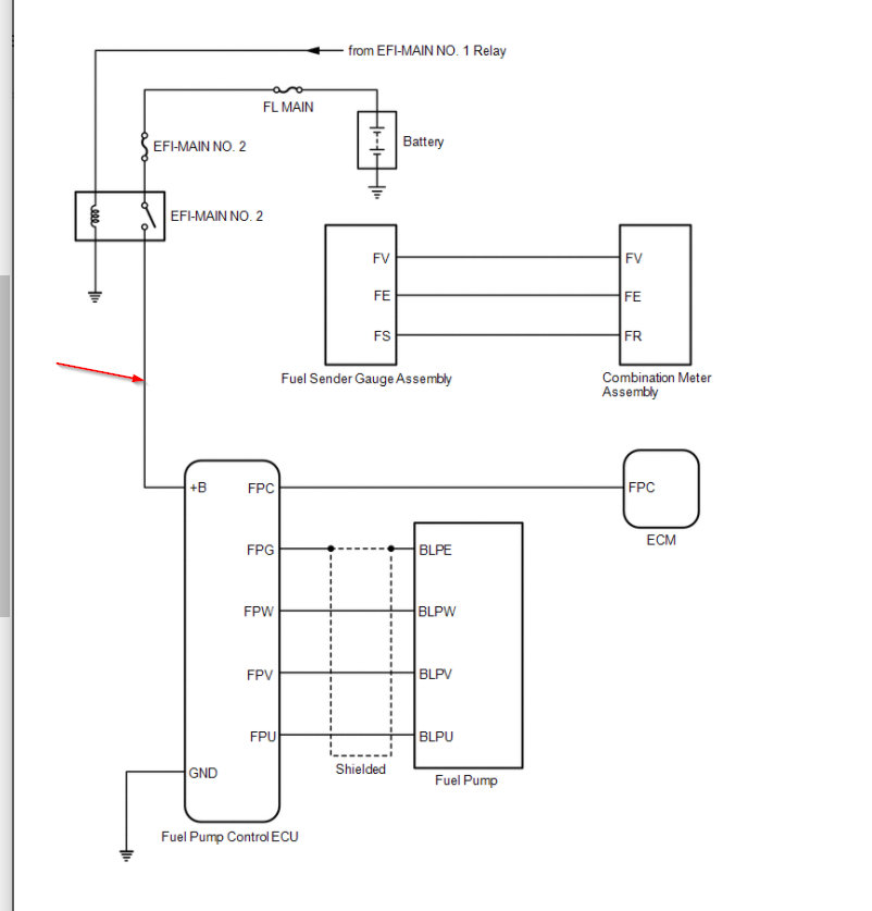
I think the easiest thing would be to chose a B+ wire which is the voltage feed wire to the fuel pump. The only issue is your vehicle uses a control module and then shielded wires to the pump so it is not a direct feed to the pump.

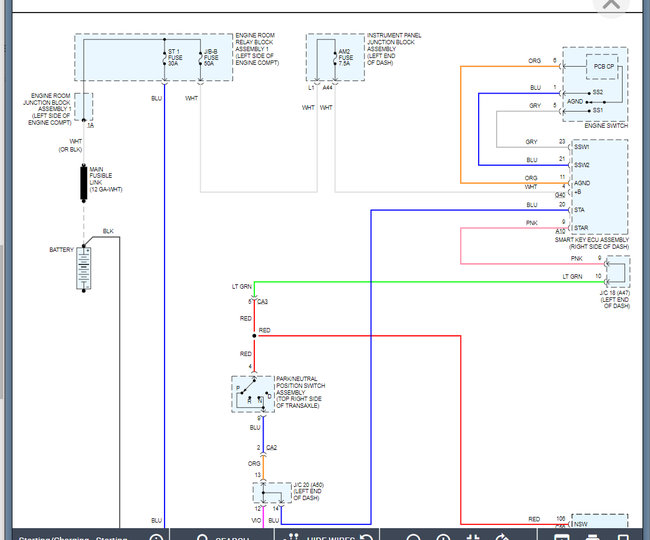
So I would just use the EFI Main number 2 relay and that power wire going to the module will work.

This should not set any codes as the module will not power up in order to set any codes.

However, this is a trial an error on these newer vehicles because if the ECM detects no power to the module it may set a code against it.

It is unlikely but if it does then we just need to chose a different circuit like the ground circuit on the same module. I would think the ground circuit would set a code but it may not.

If it were me, I would not worry about this but if you want to do this, that is the circuit I would choose. If that does not work then we can always just go to the starter and put a switch directly in line from the battery to the starter so that the starter doesn't even turn.

See the diagram below and let me know if you have questions on this.

Thanks
Was this
answer
helpful?
Yes
No
+1
Wednesday, August 11th, 2021 AT 1:38 PM
Tiny
SKEMP8
  • MEMBER
  • 2 POSTS
Thanks for the quick response. You also gave me a ton of stuff to consider. The video I saw made it sound like these types of cars were fairly easy to steal, but if keys are needed first, I don't ever leave them in the vehicle. That, coupled with the potential for error being someone without much experience in this, is making me think that if I do it, I should probably just pay someone who knows what they're doing! Thanks for the in depth explanation. Definitely appreciated!
Was this
answer
helpful?
Yes
No
Wednesday, August 11th, 2021 AT 9:12 PM
Tiny
KASEKENNY
  • MECHANIC
  • 18,907 POSTS
You are welcome. That sounds like a great plan. If they are going to do it, I actually thought more of this after I responded.

If it were me, I would use the starter circuit. That is just a straight power feed and easy to access plus it will be the quickest deterrent. If someone has the key and tries to start it and it doesn't even turn over then they are going to give up quickly rather then it cranking and not starting. They may try a few more things to try and get it going.

Plus one other tip as I have installed these on older vehicles and that is to put the switch in an odd location that is not easily reached by the driver. Most car thefts are done by people who know about these things so they look for them. If you can find a spot that is easy enough to reach only if you know where it is then they will likely not find it.

Please let us know if you have other questions.

Thanks
Was this
answer
helpful?
Yes
No
Thursday, August 12th, 2021 AT 5:44 PM

Please login or register to post a reply.