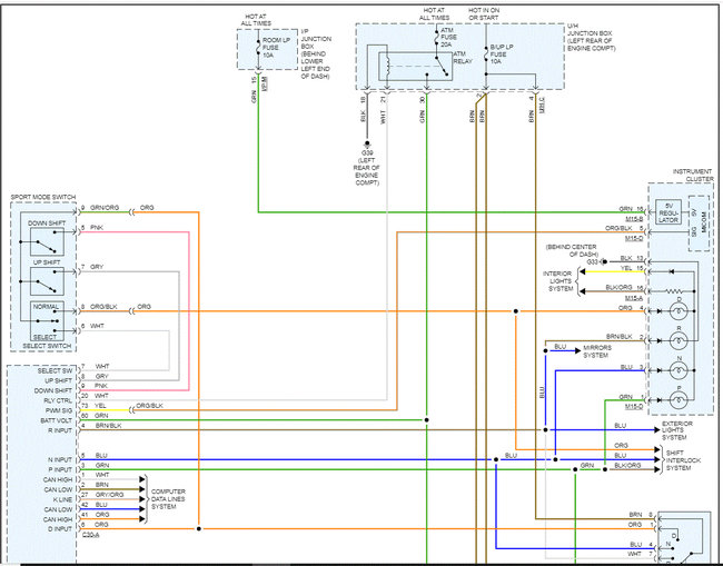
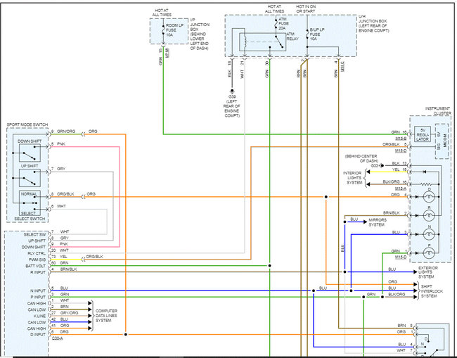
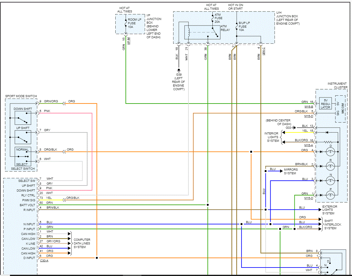
Confirmed codes
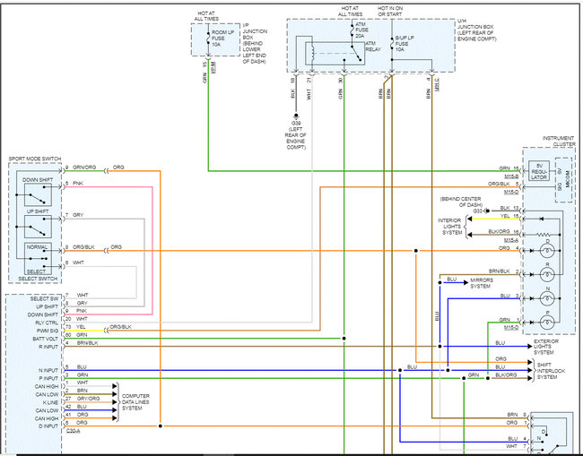
P0717 Input speed sensor.
replace the sensor and the problem remains. I have doubts about the cables of the pins, in a diagram I saw that pin 1 is ground, pin2 is 5v signal and pin 3 is 12v power. This is the same as the output sensor. In a diagram shared by Mr. Ken in an old post, administrator of this site, it appears that the input sensor, pin 1 is ground, pin 2 is 12v power and pin 3 is 5v signal. In my truck it seems that in both sensors the 5v signal was pin 2 as measured. I'm a bit confused here.
P0340 Camshaft position sensor bank 1
i replace the sensor and still the active code. I measured and I have present the 12v signal and ground in the connector
Pending codes:
P0462 fuel level sensor circuit low
p2067 fuel level sensor b circuit low
p2065 fuel level sensor b circuit
p0452 evap. Emission ctrl. System- pressure sensor low input.
When I bought the truck, it did not show the fuel level. Then I changed the complete assembly of the fuel pump, I checked the resistance of the sensor b and it was fine. Now it correctly marks the fuel level in the cluster, but it keeps showing me these codes.
My fuel pump model does not have the pressure sensor on the top, so I'm confused about the p0452 code.
P0501 Vehicle speed sensor range performance.
I changed the pinion gear on the speed sensor because it had a broken tooth. It continues the same code and does show the speed in the cluster.
P0447 Evap emission ctrl system vent circuit open (SOV)
Have not checked yet
p0057 O2 sensor bank 1 sensor 2
p0037 O2 sensor bank 2 sensor 2
Have not checked yet, but I consider less relevant codes.
please help me.
thanks in advance.
Friday, November 19th, 2021 AT 3:59 AM







