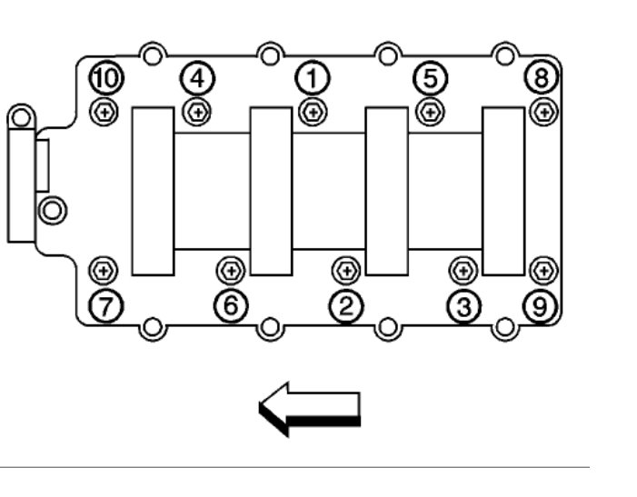
Intake and exhaust manifold torque sequence diagrams

Tiny
BTOLER
  • MEMBER
  • 2007 GMC SIERRA
  • 5.3L
  • V8
  • 4WD
  • 140,000 MILES
Would you happen to have the torque sequence diagrams on the intake manifold, exhaust manifold, fuel injection cross over rail and the cylinder deactivation manifold? I would like to know the torque also for the cylinder deactivation manifold.

Thanks so much!
Thursday, February 22nd, 2018 AT 10:30 AM

1 Reply

Tiny
KEN L
  • MASTER CERTIFIED MECHANIC
  • 55,297 POSTS
Hello,

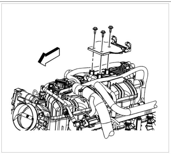
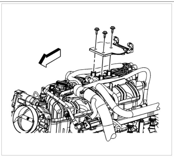
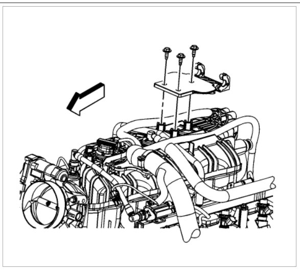
Here are the intake manifold bolt torque and sequence and a guide to give you an idea of what you are in for when doing the job:

https://www.2carpros.com/articles/replace-intake-manifold-gasket

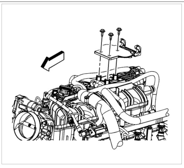
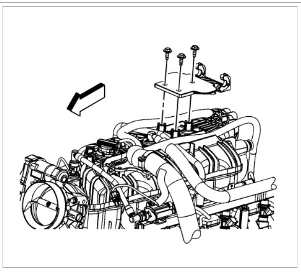
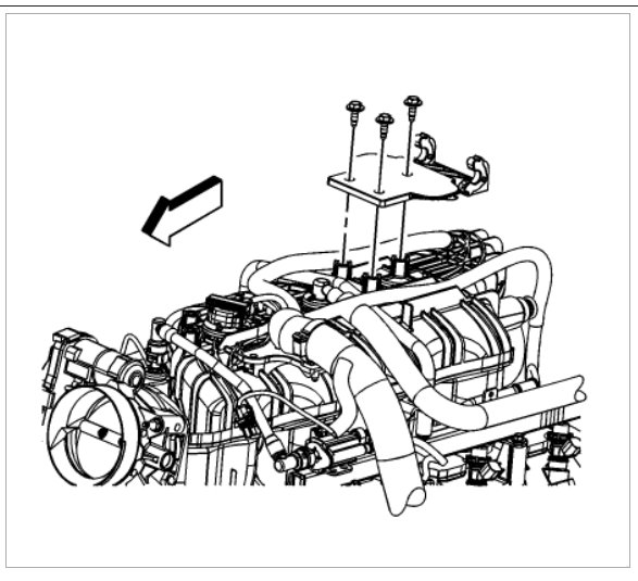
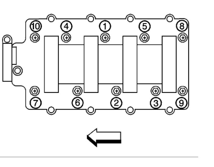
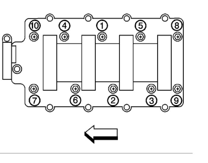
Tighten the intake manifold bolts to specifications.

Tighten the bolts a first pass in the sequence shown to 5 N.m (44 lb in).
Tighten the bolts a final pass in the sequence shown to 10 N.m (89 lb in).

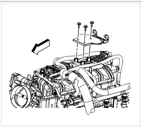
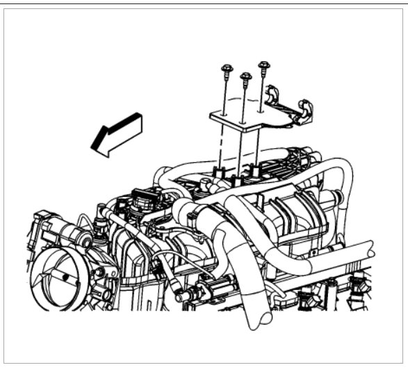
Install the exhaust manifold bolts.

Tighten the bolts a first pass to 15 N.m (11 lb ft). Tighten the exhaust manifold bolts beginning with the center 2 bolts. Alternate from side-to-side, and work toward the outside bolts.

Tighten the bolts a final pass to 20 N.m (15 lb ft). Tighten the exhaust manifold bolts beginning with the center two bolts. Alternate from side-to-side, and work toward the outside bolts.

Check out the intake manifold diagrams (below).

Please let us know if you need anything else to get the problem fixed.

Cheers, Ken
Was this
answer
helpful?
Yes
No
+5
Saturday, February 24th, 2018 AT 11:46 AM

Please login or register to post a reply.