Sunday, December 4th, 2022 AT 4:26 PM
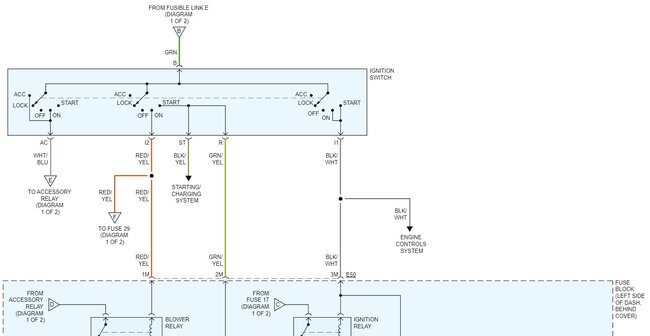
I can't find a diagram of fuse panel and relay switches for the vehicle listed above XE. I'm wanting a very detailed list of what each fuse and each relay protect.








