Saturday, August 24th, 2019 AT 3:22 PM
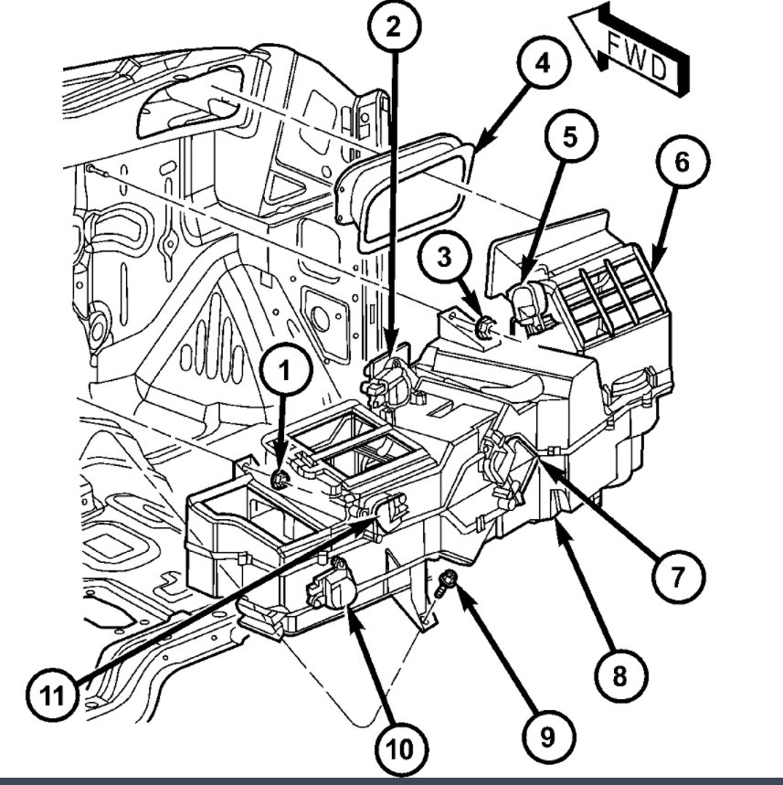
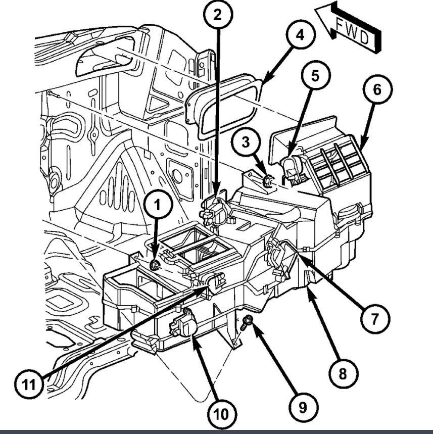
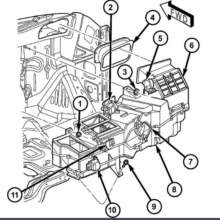
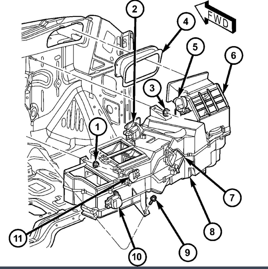
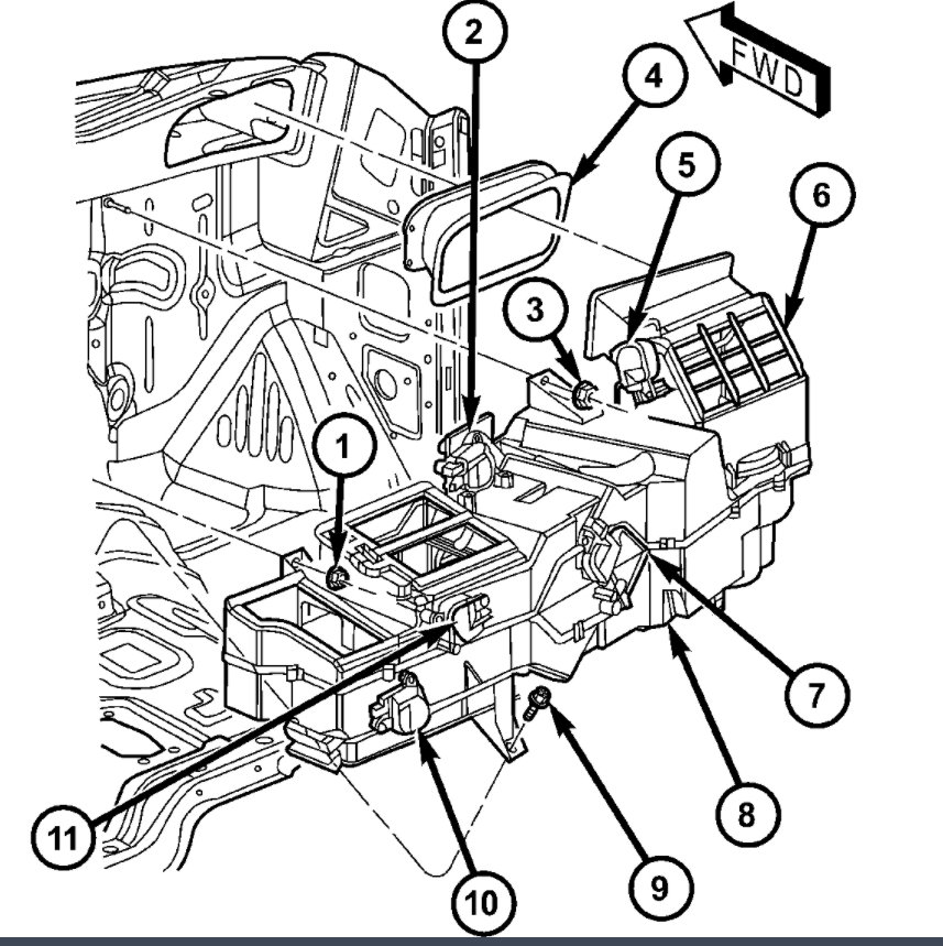
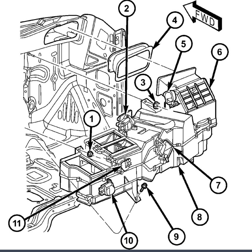
I replaced the blend doors all of them. Tested all four actuators all worked out of the vehicle now installed everything seems to be working fine except for the defrost.

