No power after the truck was parked in extremely cold temperatures?

Tiny
ALVIN ROSE
  • MEMBER
  • 2010 FORD F-150
  • 5.4L
  • V8
  • 4WD
  • AUTOMATIC
  • 175,000 MILES
Truck sat for two days in single digit temperature. Tried to start, nothing no lights on dash no power to nothing. Tried jump start with battery charger on boost about 30 seconds. Just clicked. Put the charger on 40 amp for about 20 minutes. Cranked okay started right up.
But now the ABS brake and traction control lights are on. Worst part is. In the fuse box under the hood all mini fuses have no power. All the square with clear tops looks okay. Sure, hope it’s a relay.
Friday, January 6th, 2023 AT 5:38 PM

1 Reply

Tiny
KEN L
  • MASTER CERTIFIED MECHANIC
  • 55,486 POSTS
Yep, so what happens is the battery went bad and then trying to start it with a bad battery adds strain on the SJB (smart junction box) which is under the dash on the passenger's side. But to be sure let's check the main power fuses under the dash.

here is a guide to help:

https://www.2carpros.com/articles/how-to-check-a-car-fuse

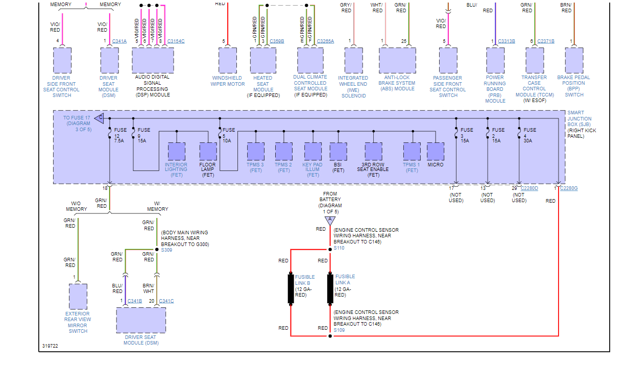
There are two fusible links that could have blown as well use a test light to check them here is a wiring diagrams so you can check it out. I also have included how to replace the SJB in case you need it. Check out the images (below). Please let us know what you find. We are interested to see what it is.

Was this
answer
helpful?
Yes
No
Saturday, January 7th, 2023 AT 6:49 PM

Please login or register to post a reply.