Wednesday, February 5th, 2025 AT 8:22 PM
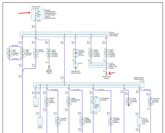
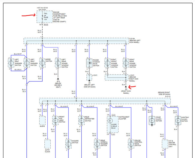
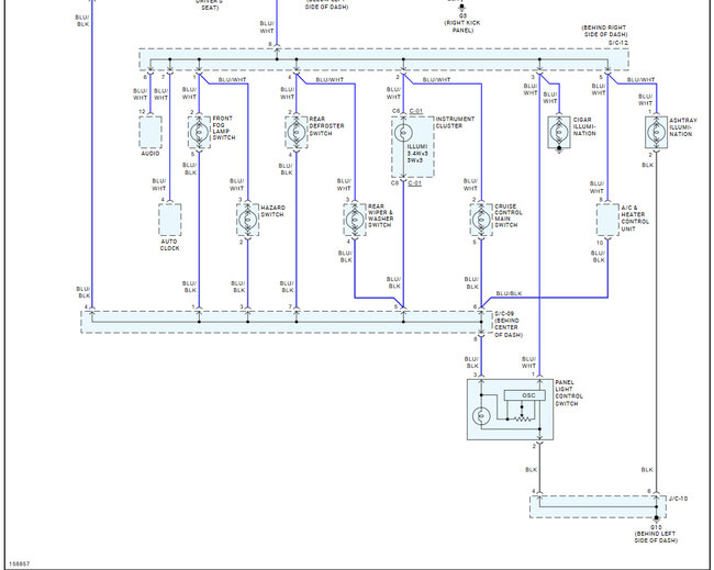
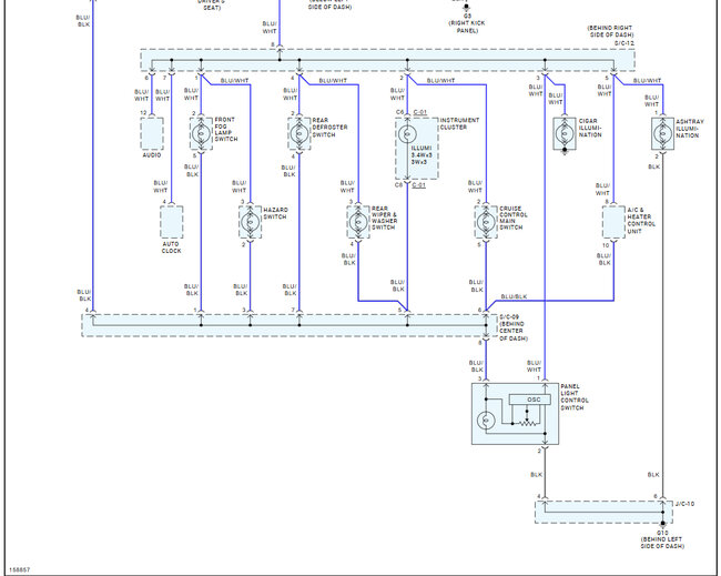
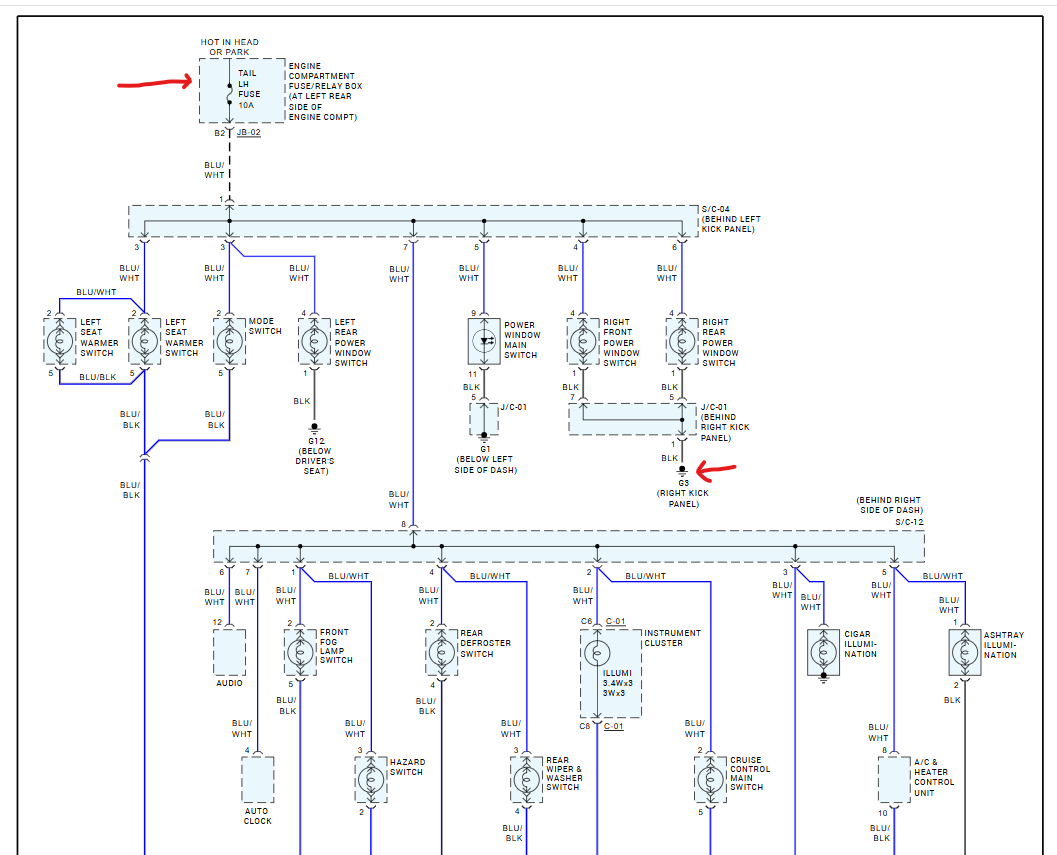
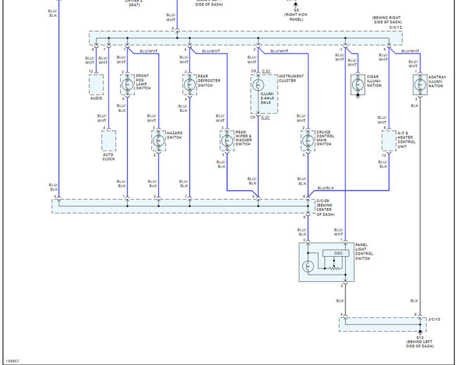
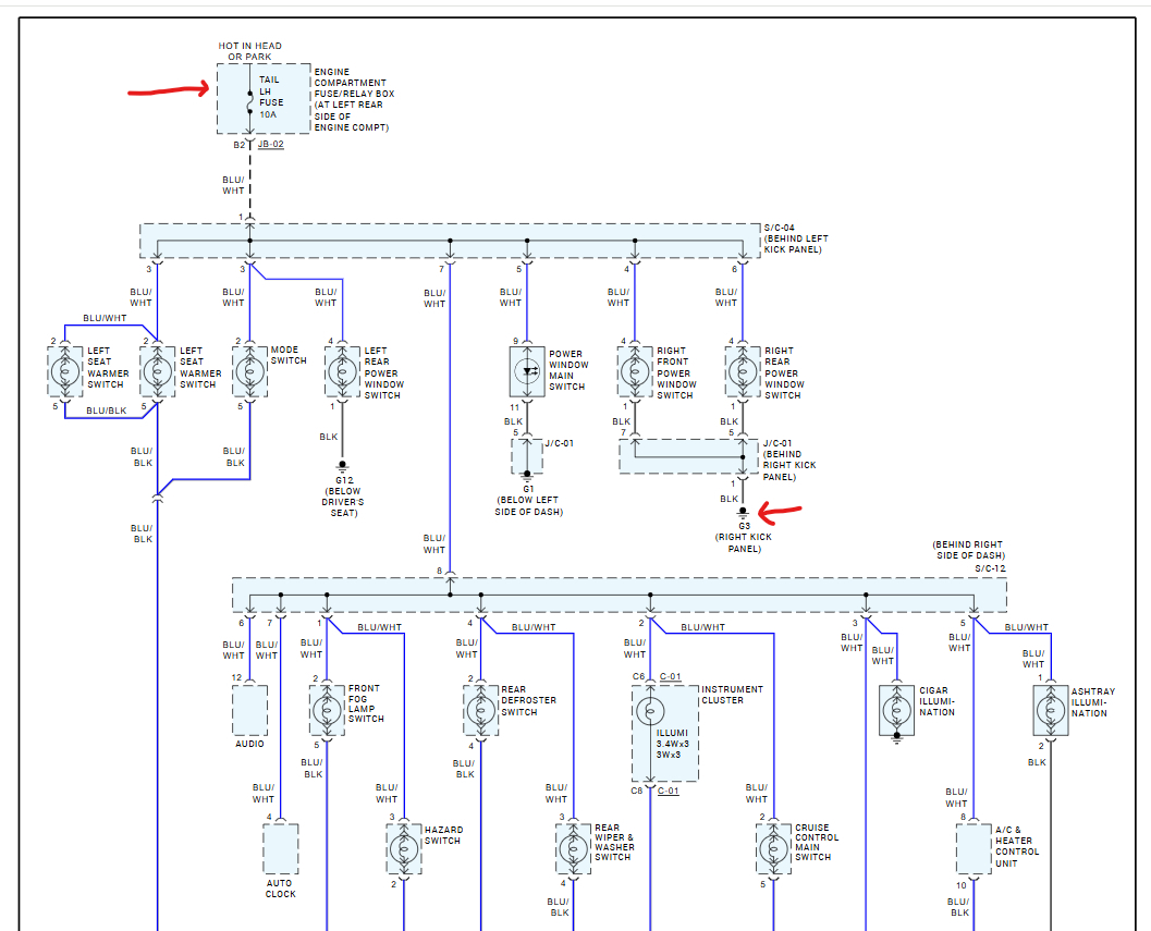
Dash lights stop working. I've checked the battery post, no bad fuses or relays. All taillights, headlights, stop lights, fog lights, license plate lights, bright lights and interior lights, blinkers and hazard work. All warning lights and gear lights work. The seat warmer switch light, main power window switch light and dimmer light switch not working and driver's side window stopped working also. Everything was all working up until replaced transmission mounts and fuel filter. Please help. The vehicle listed above is a GSX.




