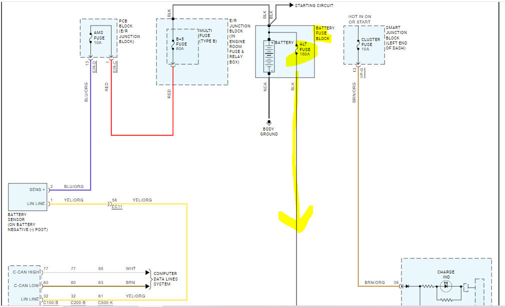
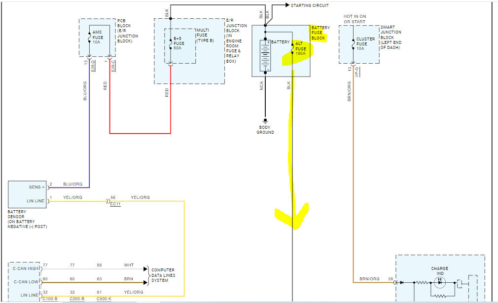
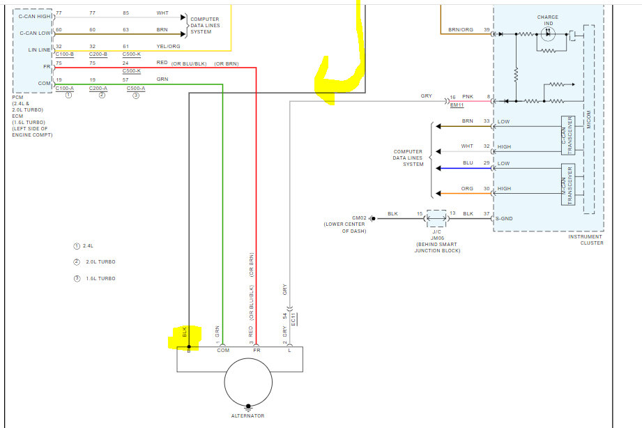
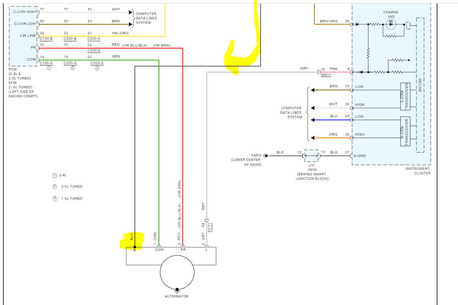
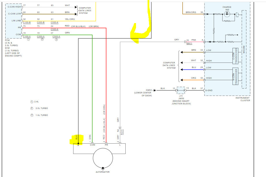
Friday, February 9th, 2024 AT 12:58 PM
I have replaced the alternator and battery car will start and drive but 15 minutes into the drive the radio shuts off and the dashboard lights come on. Then it’s hard to steer the car then once you stop it shut off and will not restart.




