Tuesday, January 28th, 2020 AT 4:52 PM
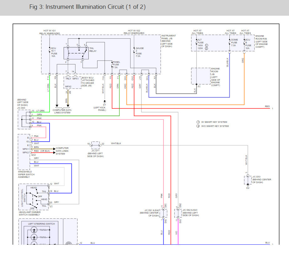
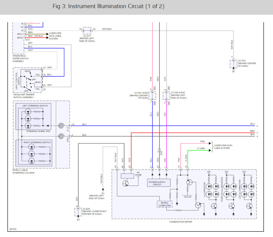
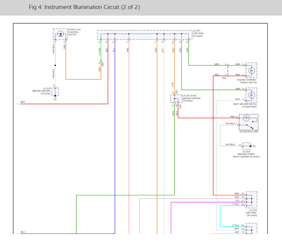
For a while the dashboard lights would flicker. On Sunday there were no lights to the radio now there are no lights to see gas gauge, speedometer, etc. Just everything is black.






