Dashboard light not coming up with headlamp on

Tiny
BLESSING EWOBOR
  • MEMBER
  • 2004 TOYOTA COROLLA
  • 4 CYL
  • 2WD
  • AUTOMATIC
  • 235,675 MILES
Hello, the vehicle's dashboard light is not coming on with the head light on. The radio too has refused to power. I have checked all the fuses they are in good condition. What could have been the cause?
Thursday, March 11th, 2021 AT 1:31 PM

6 Replies

Tiny
I-SMOGEM
  • MECHANIC
  • 118 POSTS
Hi,

Has anyone else driven it lately? As far as the dash lights, have you checked the dash dimmer switch (if you have one)? Someone may have moved it.
As far as the fuses go, did you check both the under hood and under dash boxes with a test light or volt meter? Is anything else not working?
I know I'm hitting you with questions, but I see no immediate commonality with the two systems. A common item in many vehicles is the cigarette lighter/power outlet circuit that is also involved with other electrical systems. Please see if it is working.
Other techs may jump in if they have other info or have come across this before.

Glenn
Was this
answer
helpful?
Yes
No
Thursday, March 11th, 2021 AT 4:37 PM
Tiny
BLESSING EWOBOR
  • MEMBER
  • 754 POSTS
Yes, I checked the both the under hood and under dash with test light. Could I have a circuit diagram for this?
Was this
answer
helpful?
Yes
No
Thursday, March 11th, 2021 AT 7:57 PM
Tiny
BLESSING EWOBOR
  • MEMBER
  • 754 POSTS
The cigarette lighter is working.
Was this
answer
helpful?
Yes
No
Thursday, March 11th, 2021 AT 7:59 PM
Tiny
JACOBANDNICKOLAS
  • MECHANIC
  • 110,192 POSTS
Hi,

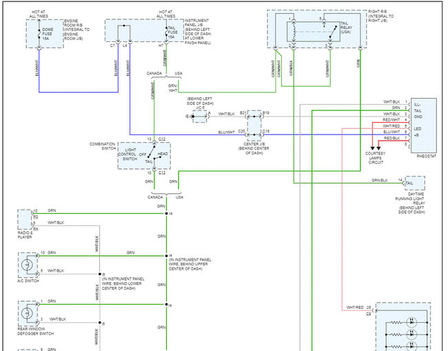
I noticed it's been a couple of days since you were here. As far as the wiring schematics, I attached them below. I cut it in half to make it readable.

Let me know if that is what you needed. It is for the instrument panel/lights.

Let me know.

Joe
Was this
answer
helpful?
Yes
No
Saturday, March 13th, 2021 AT 8:30 PM
Tiny
BLESSING EWOBOR
  • MEMBER
  • 754 POSTS
Thank you very much.
Was this
answer
helpful?
Yes
No
Sunday, March 14th, 2021 AT 4:33 AM
Tiny
JACOBANDNICKOLAS
  • MECHANIC
  • 110,192 POSTS
You're very welcome. Let us know if you have other questions.

Take care,
Joe
Was this
answer
helpful?
Yes
No
Monday, March 15th, 2021 AT 5:55 PM

Please login or register to post a reply.