Wednesday, July 12th, 2017 AT 9:05 AM
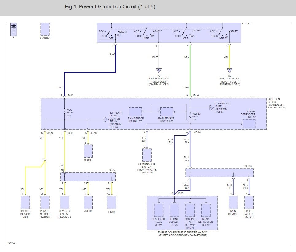
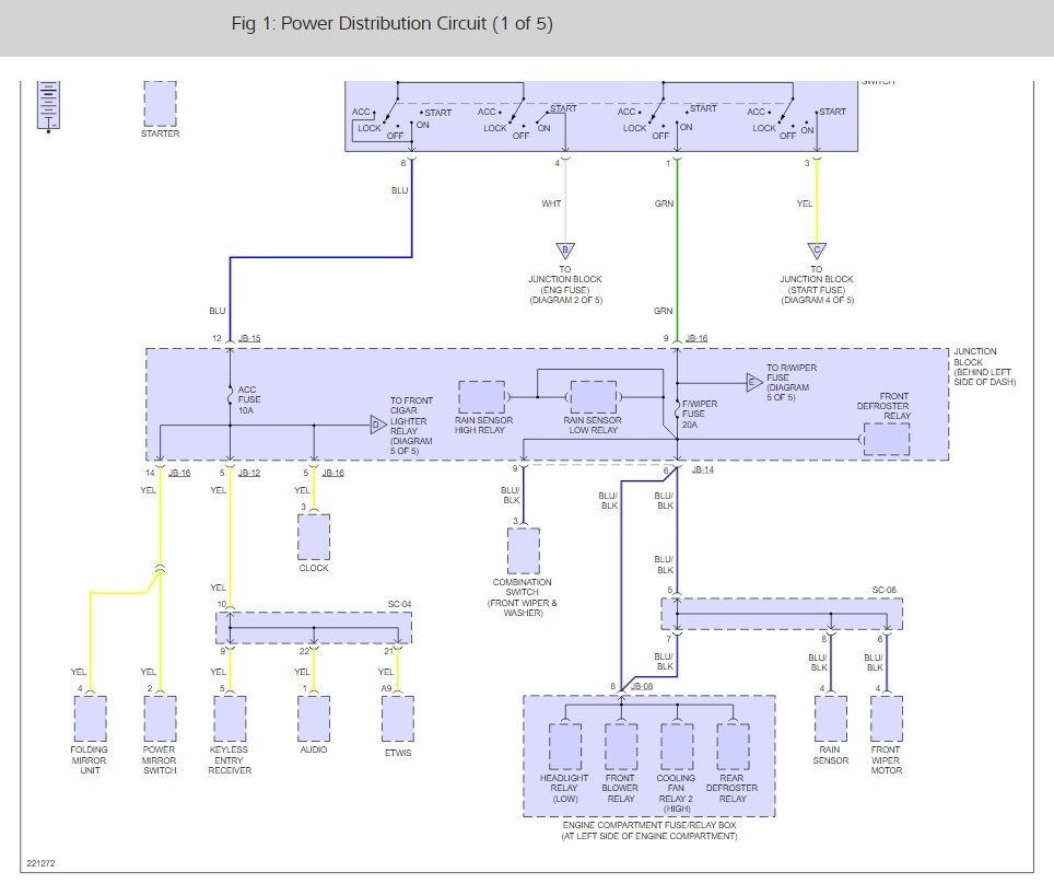
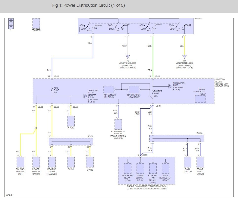
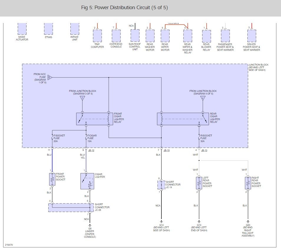
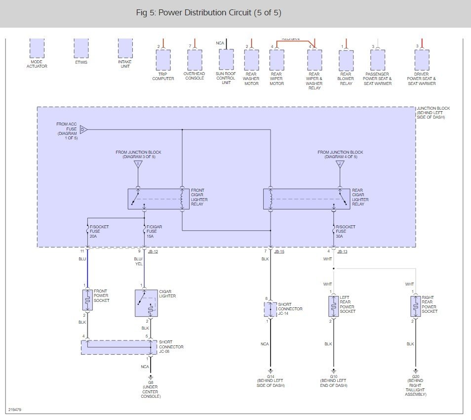
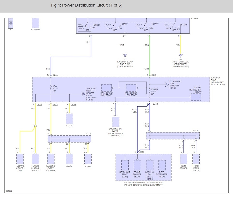
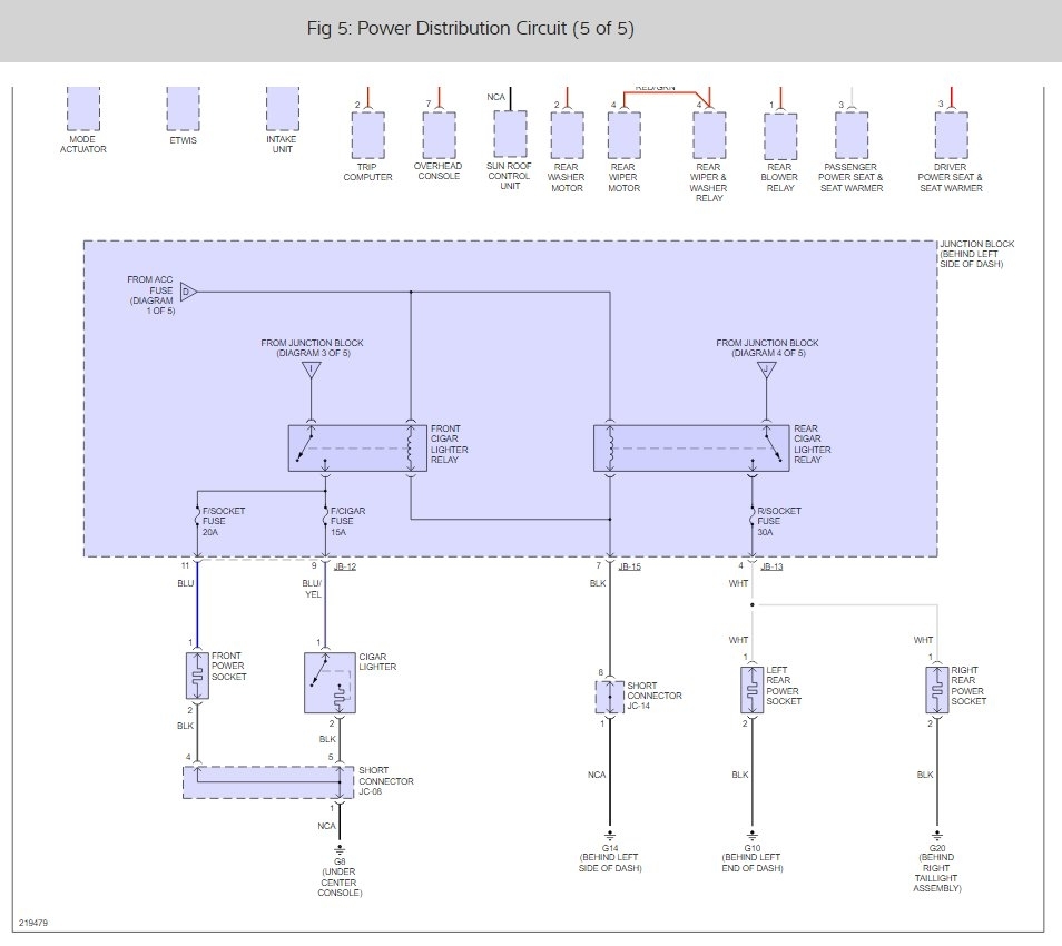
My dash board lights (speedometer, etc.) Do not light up. I have no front defrost/heater, and taillights do not work (brake lights work).














