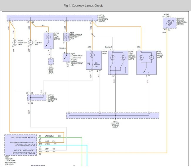
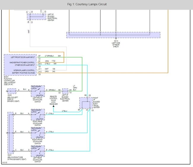
Sunday, February 19th, 2017 AT 7:04 PM
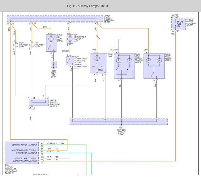
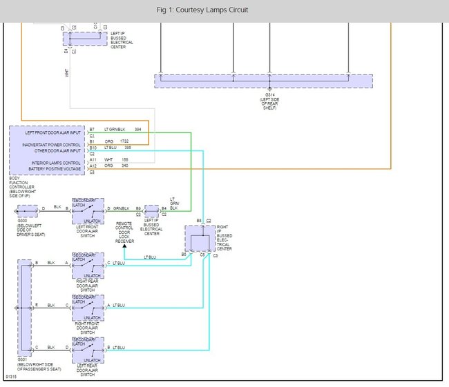
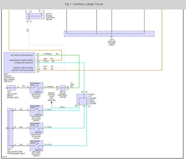
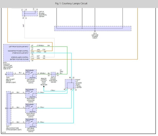
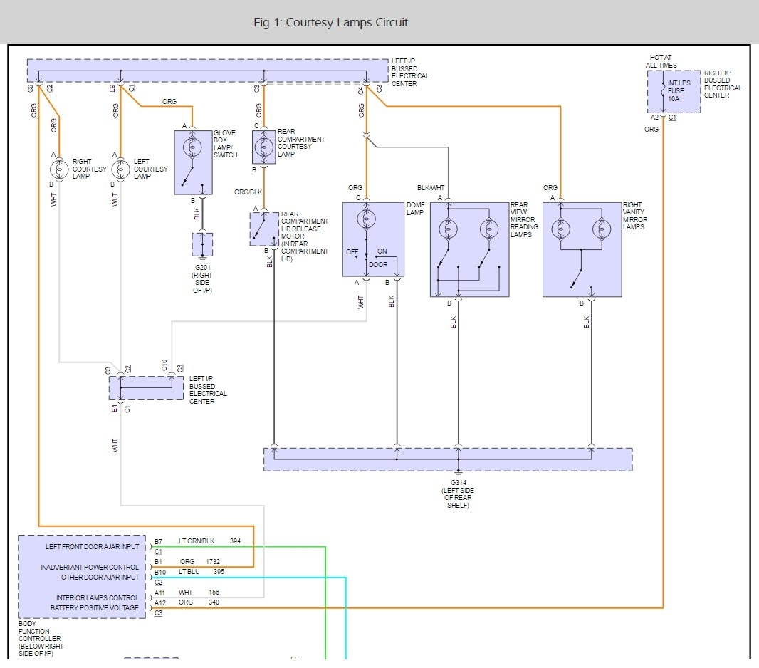
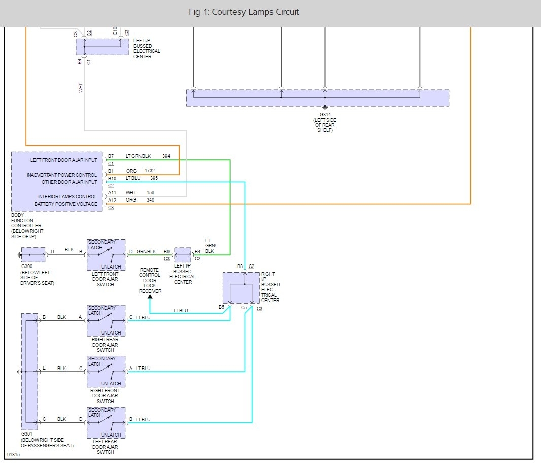
The dash and door lights are not working, but they will randomly come on once in a blue moon, but will go back off after a minute or two. Also, when I turn the headlights on the radio display light goes out.


