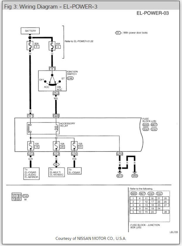
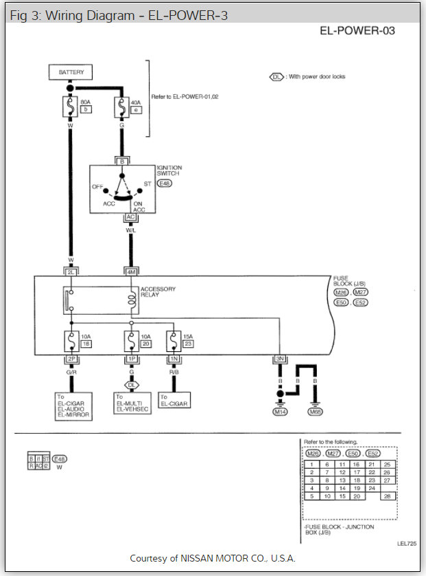
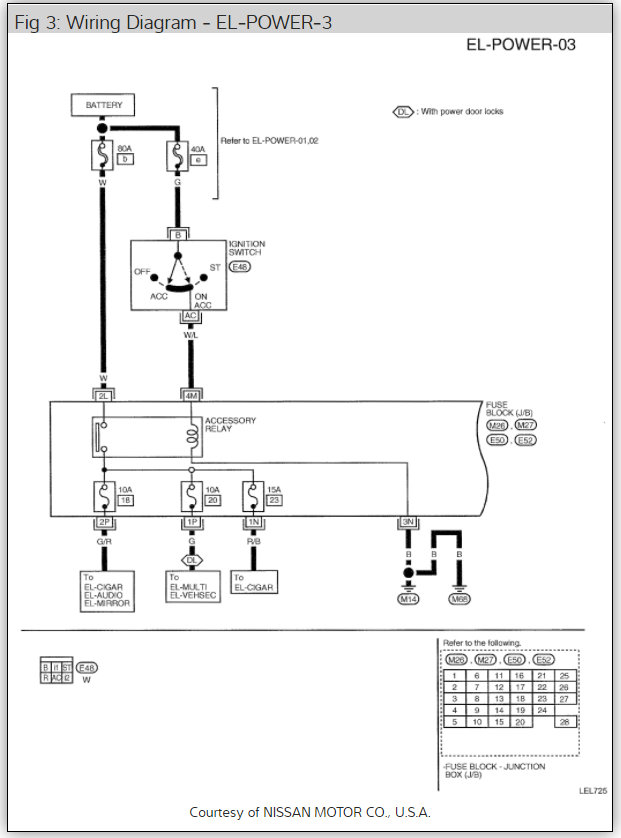
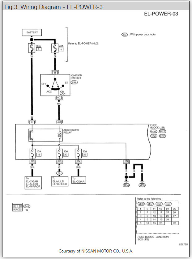
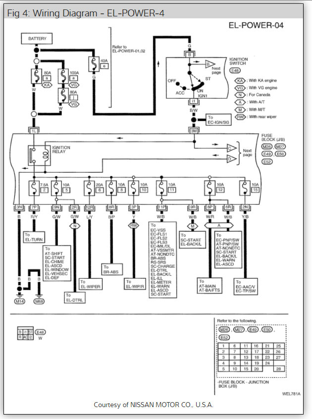
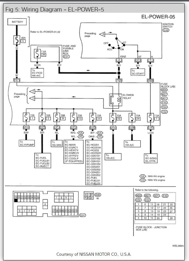
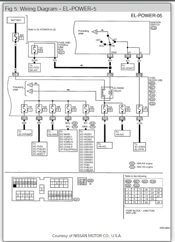
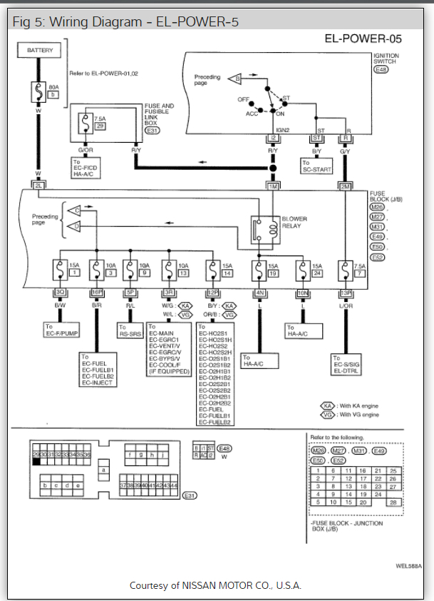
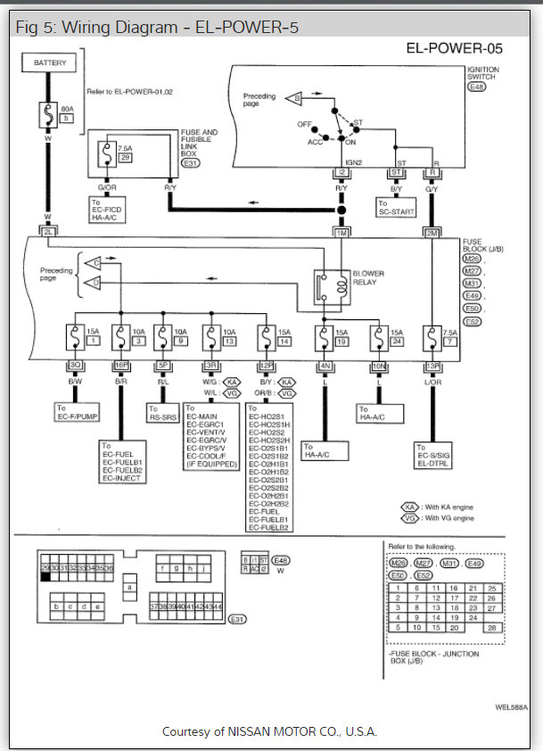
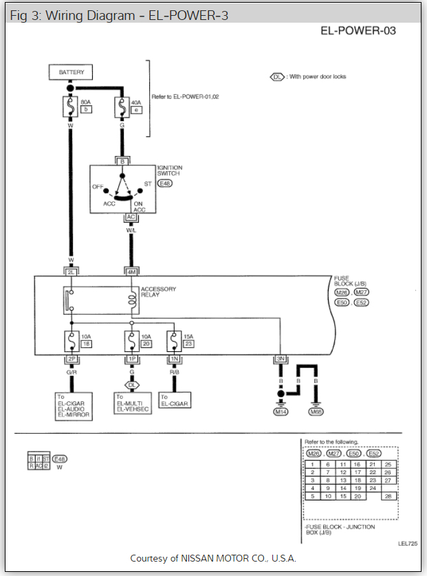
receiver, now there is no lights to the dash instruments tachometer, speedometer, fuel, A/C-blower controls. However, the defrost, check engine light, door ajar and gas warning light still light up. All fuses are fine in engine bed and cab.
Thursday, January 4th, 2018 AT 11:00 AM















