Dash gauges quit working

Tiny
TELEPLAYER
  • MEMBER
  • 2000 JEEP GRAND CHEROKEE LAREDO
  • 4.0L
  • 4WD
  • AUTOMATIC
  • 20,000 MILES
We have owned this vehicle for approximately eight years. All of a sudden the security light is coming on at start up. This vehicle only has a outside door lock on the drivers side. My wife has always used the key fob to open the doors. It will start up okay and all gauges seem to be working normally. While driving the gauges quit working, oil press, temp, speedometer, tachometer, etc. Other times everything seems okay. I have replaced the battery and cleaned all ground connections. I am a former technician with forty five years experience and never have seen this problem. Hope you can help. Thanks

Bill Fronefield
Sunday, January 13th, 2019 AT 2:55 PM

1 Reply

Tiny
KEN L
  • MASTER CERTIFIED MECHANIC
  • 55,450 POSTS
Hello,

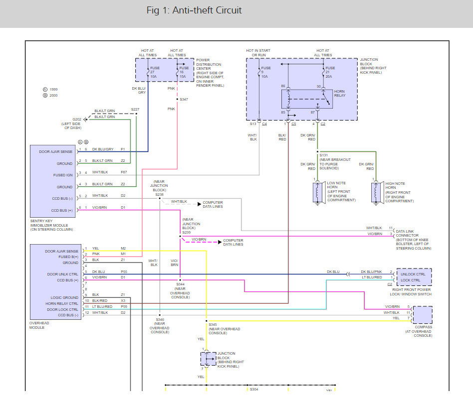
These system share fuse #9 and #16 can you check to see if the fuse is loose it its holder please. Here is a guide that can help with the wiring diagrams for both the cluster and the security system so you can see how they work and the fuse locations:

https://www.2carpros.com/articles/how-to-check-a-car-fuse

Check out the diagrams (below). Please let us know what you find. We are interested to see what it is.

Was this
answer
helpful?
Yes
No
Monday, January 14th, 2019 AT 11:58 AM

Please login or register to post a reply.