Saturday, February 1st, 2020 AT 1:34 PM
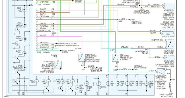
Been chasing a battery drain. New battery. New alternator. Removed all the aftermarket radio stuff and double checked wiring. Dash cluster with miles and gear selector remains powered even with key out of car. Gem module? Or something else. Saw another post that said the gear selector isn't up all the way but seems to easy to be true.








