Digital clock fuse keeps blowing?

Tiny
NICK BEDARD
  • MEMBER
  • 2010 HYUNDAI SONATA
  • 2.4L
  • 4 CYL
  • 2WD
  • AUTOMATIC
  • 174,000 MILES
I’ve figured out which harness is responsible for blowing the fuse but now I need help figuring out how to determine which wire is bad on that connector to trace it out.
Saturday, August 6th, 2022 AT 6:46 AM

4 Replies

Tiny
JACOBANDNICKOLAS
  • MECHANIC
  • 110,194 POSTS
Hi,

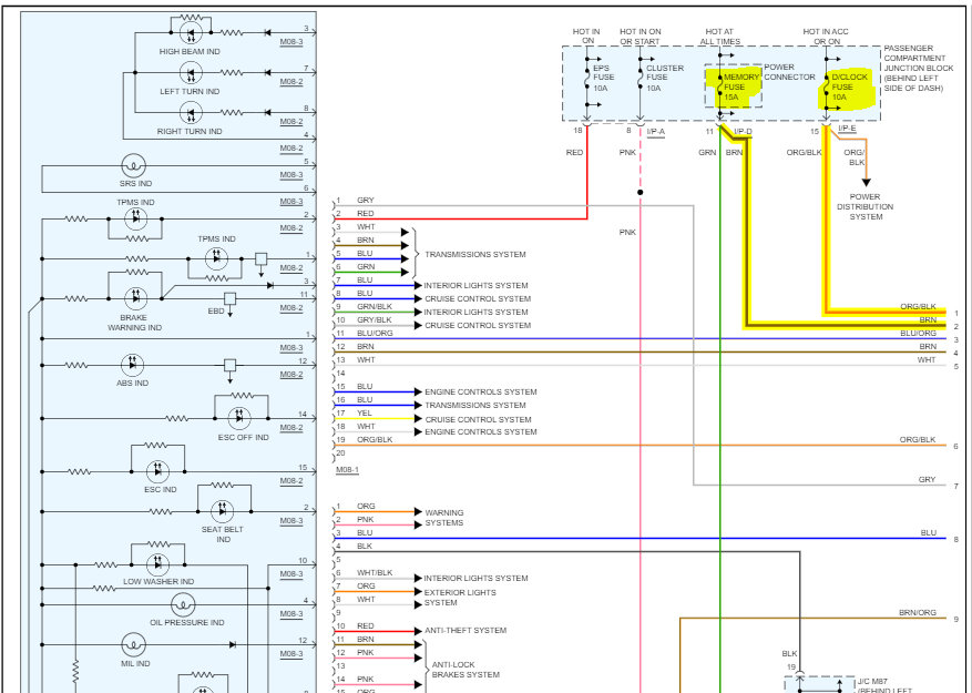
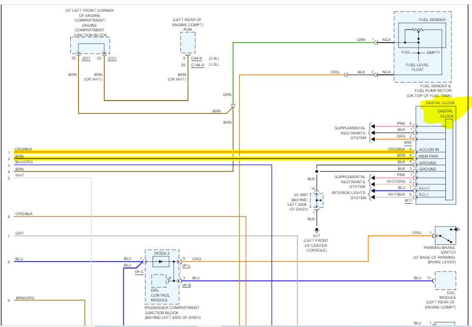
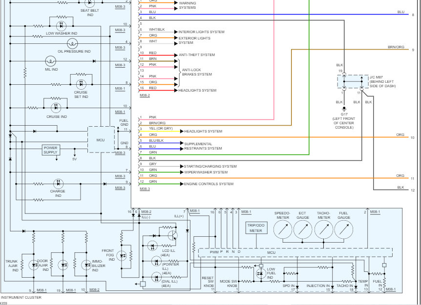
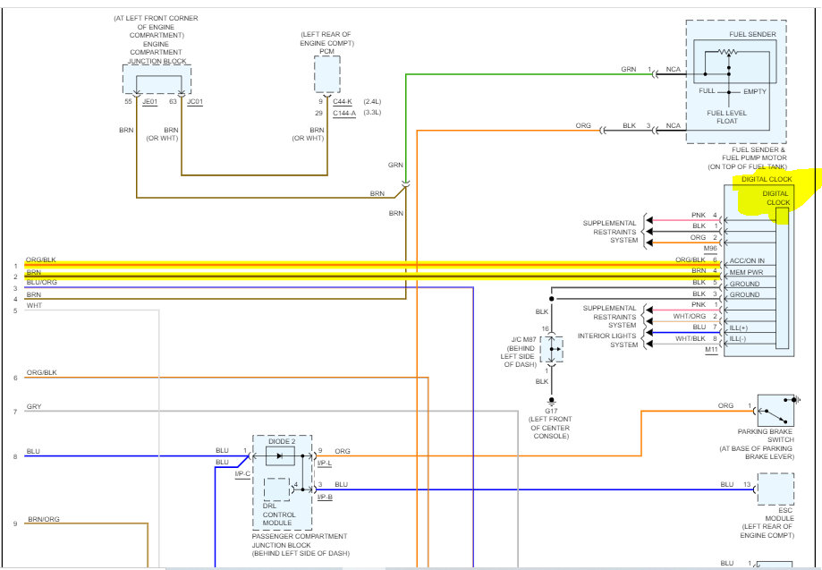
There are two fuses related to the digital clock. One is power when the key is on and the other is for memory when the key is off.

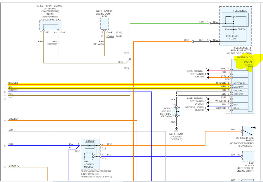
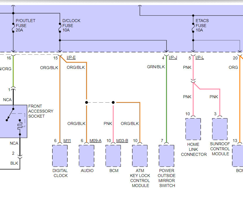
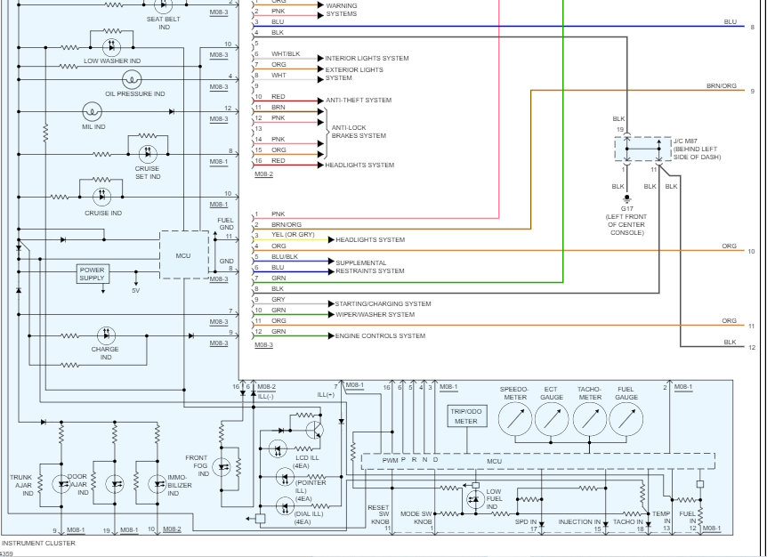
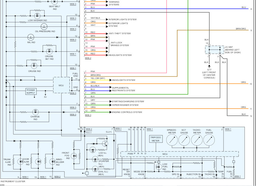
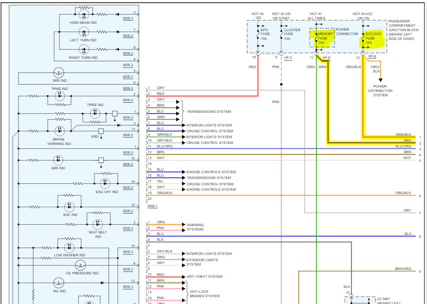
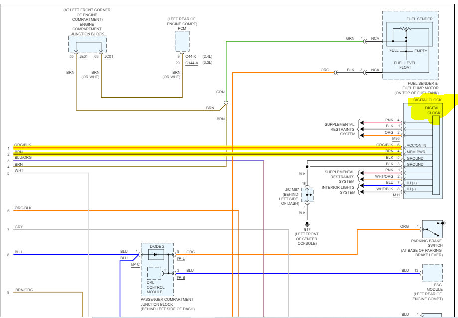
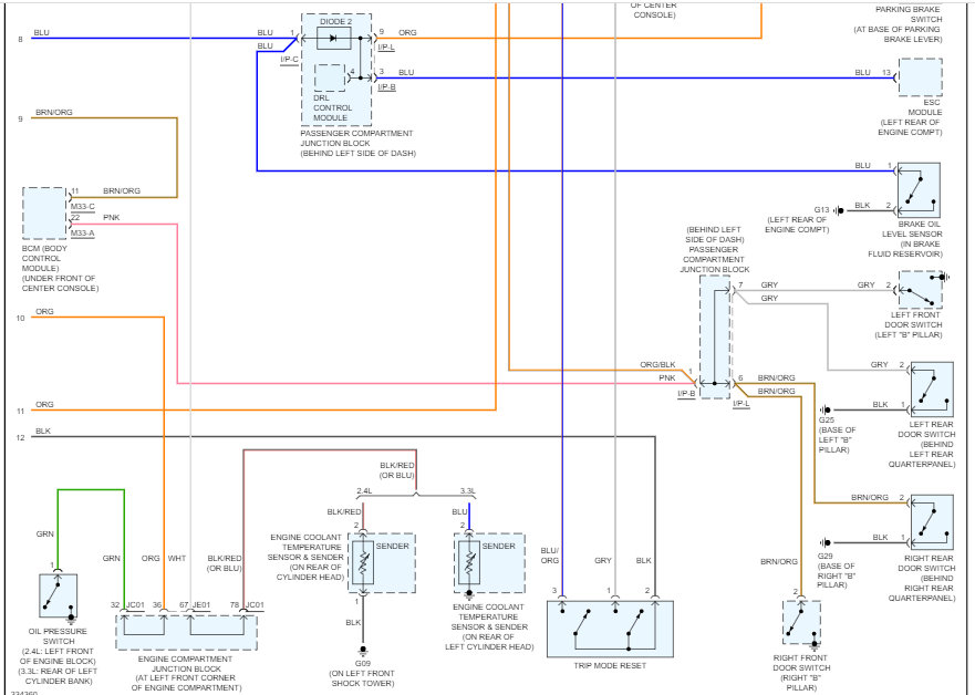
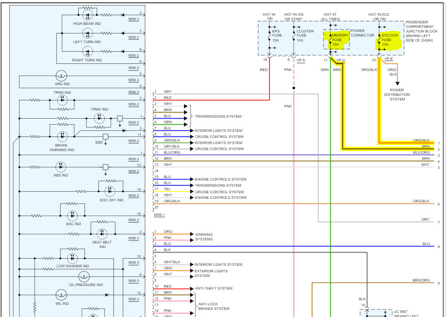
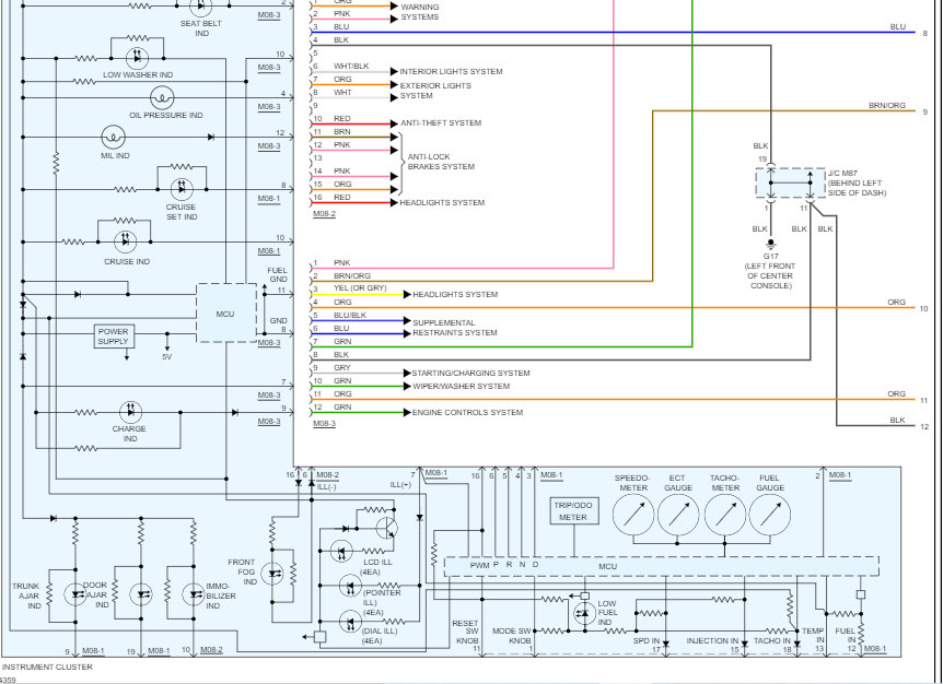
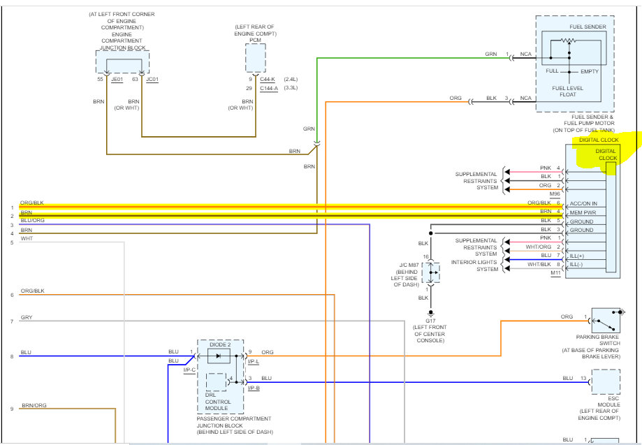
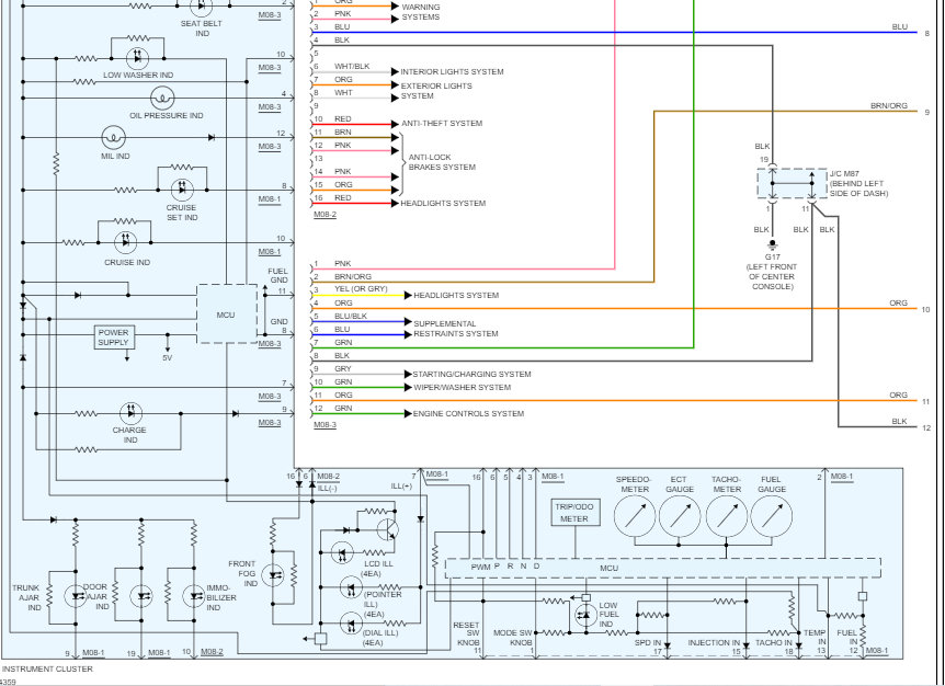
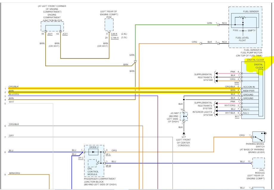
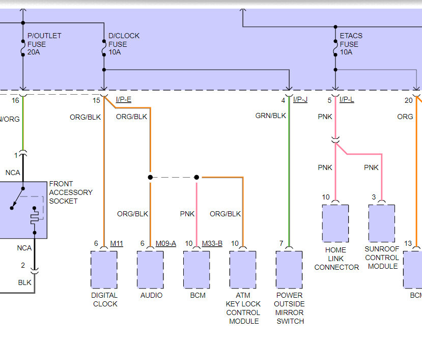
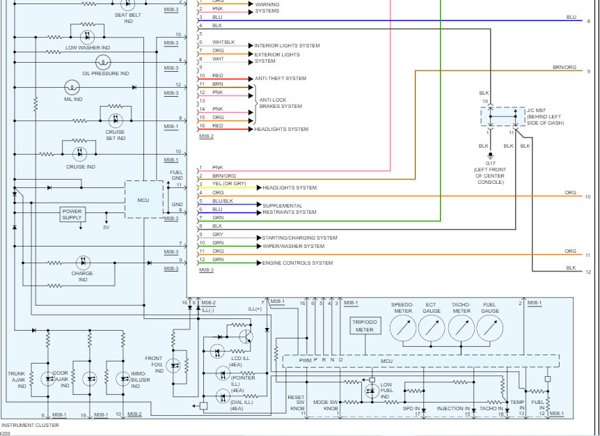
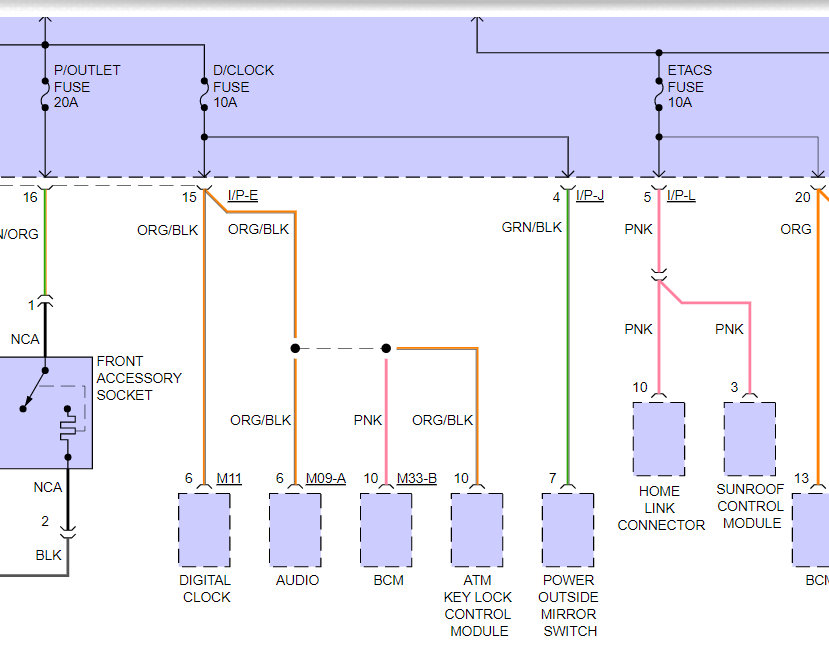
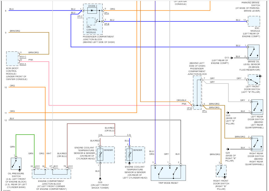
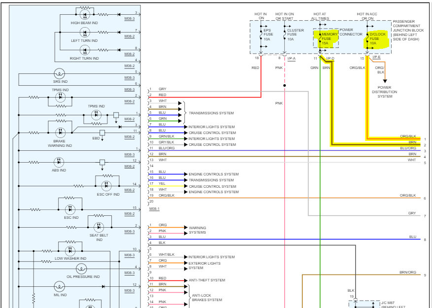
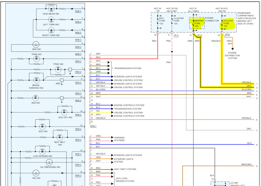
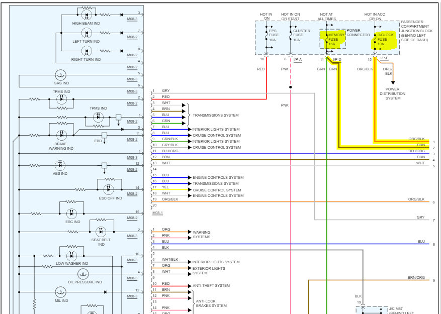
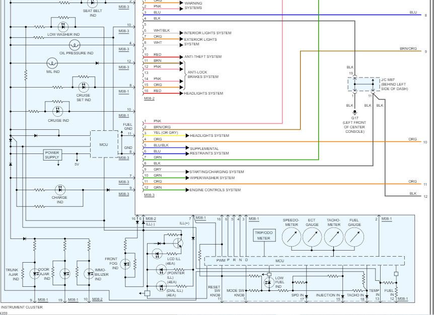
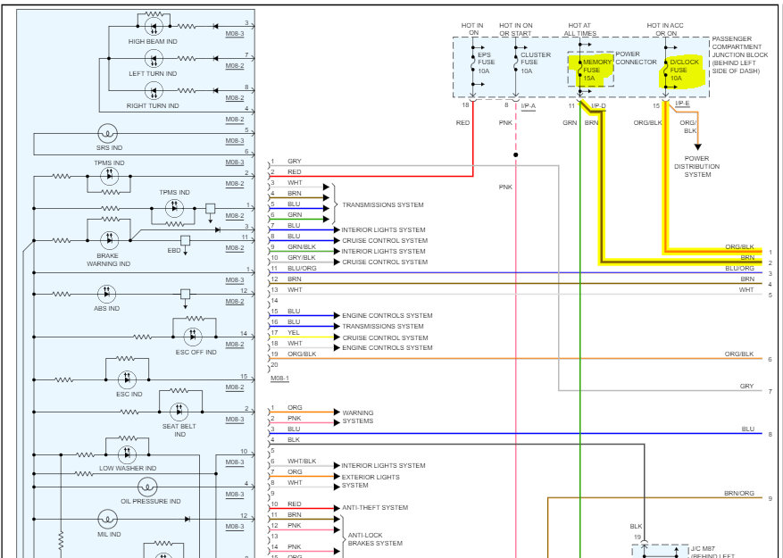
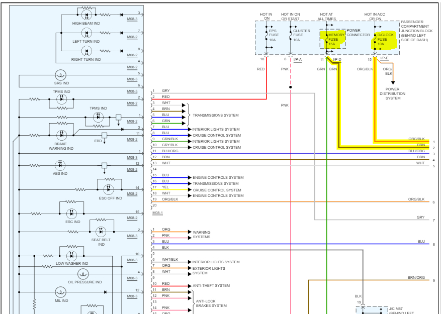
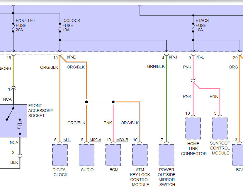
I'm not sure which fuse you are having issues with. So, I attached the instrument cluster wiring schematic below. There were only two pages of schematics. However, I had to cut each one in half to make it readable for you. I did overlap the two so you can follow from one to the next. Additionally, I highlighted the wires involved. Pics 1 and 3 will be the most helpful for you.

Let me know if this helps or if you have other questions.

Take care,

Joe

See pics below.
Was this
answer
helpful?
Yes
No
+1
Saturday, August 6th, 2022 AT 8:11 PM
Tiny
KEN L
  • MASTER CERTIFIED MECHANIC
  • 55,522 POSTS
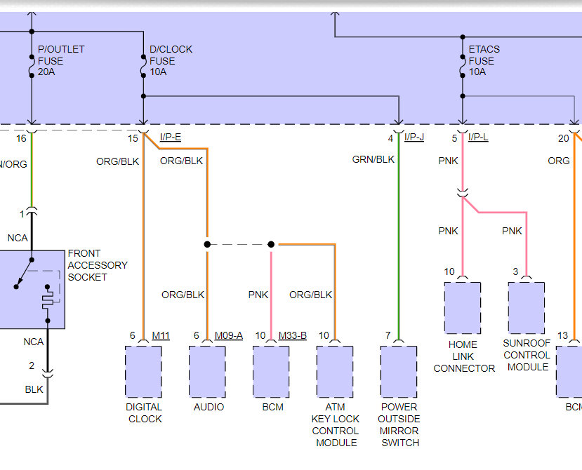
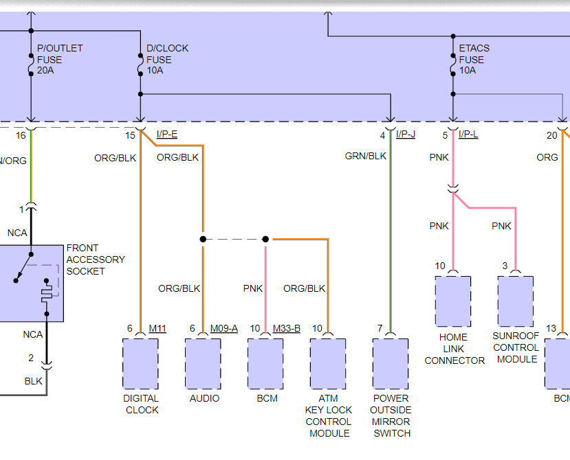
Sure, here is what is connected to that fuse. I would start with the outside mirror control switch, unplug it to see if the fuse still blows, you can see the other items on the fuse as well in the diagrams below. Check out the diagrams (below). Please let us know what you find. We are interested to see what it is.
Was this
answer
helpful?
Yes
No
+1
Saturday, August 6th, 2022 AT 8:18 PM
Tiny
NICK BEDARD
  • MEMBER
  • 3 POSTS
I’m still not very far with the problem but I was able to determine the exact harness for y’all. Also, I think you should know, that when harness IP/J is unplugged, the D/Clock fuse doesn’t pop at all. But I lose my dome lights, driver side windows, power locks for the driver's side, power mirrors, and my fuel door button as well, however when that harness is plugged in everything works when the fuse does pop except for my radio and power mirrors. Any further advice would be much appreciated.
Was this
answer
helpful?
Yes
No
Sunday, September 25th, 2022 AT 8:16 AM
Tiny
JACOBANDNICKOLAS
  • MECHANIC
  • 110,194 POSTS
Hi,

Have you tried disconnecting one component at a time to see if you can find the one that is causing it to fail?

Let us know.

Joe
Was this
answer
helpful?
Yes
No
Sunday, September 25th, 2022 AT 6:28 PM

Please login or register to post a reply.