Tuesday, March 9th, 2021 AT 5:02 PM
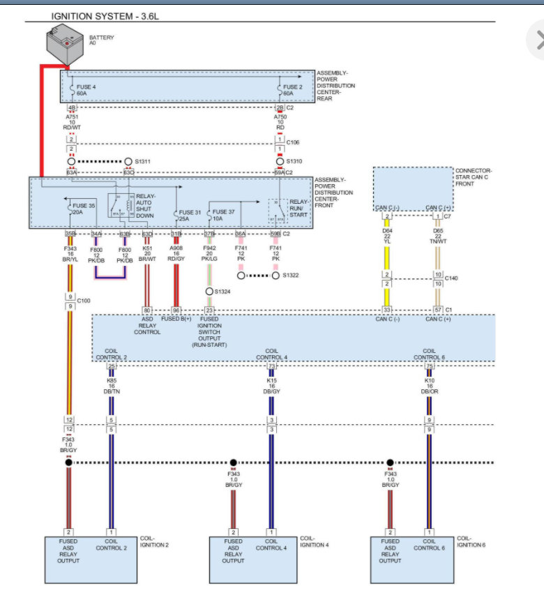
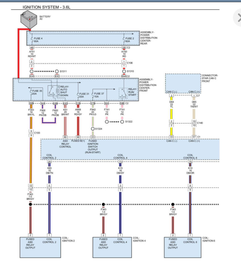
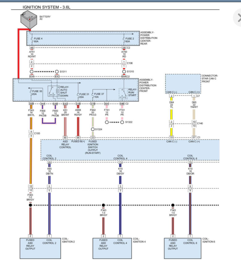
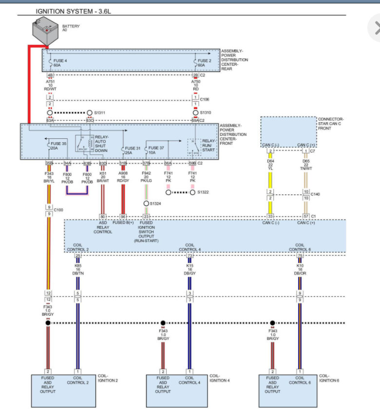
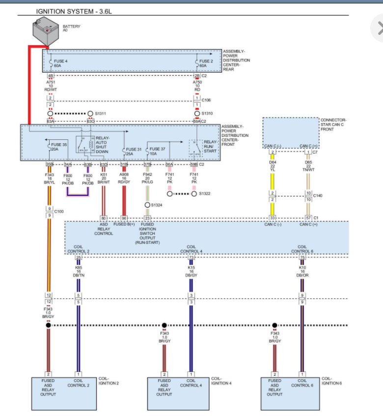
I have replaced all coil and plugs also all o2 sensors crank and cam all cylinders deactivation sensors and intake gaskets fuel pump and injectors and still have no "fire" in cylinders 2 and 4. Any ideas why? Thanks in advance.









