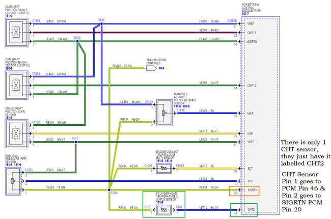
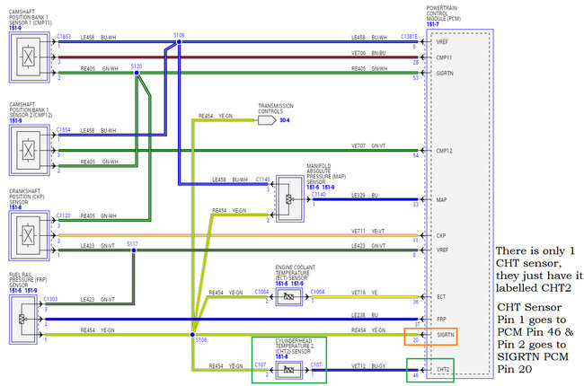
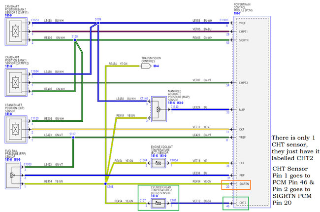
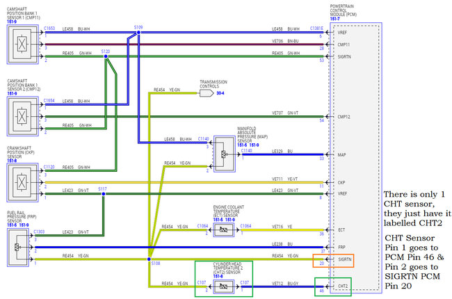
Saturday, September 30th, 2023 AT 5:22 PM
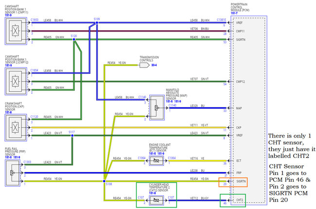
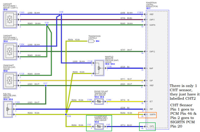
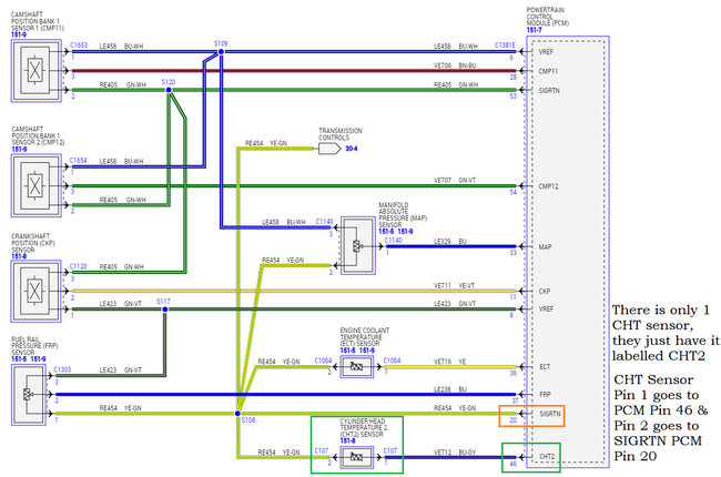
I have a p1023 code indicating a Cylinder head temperature sensor issue. In order. To confirm it's the problem I need the PCM connector pin out and the resistance temperature table for the sensor. Is the something you can provide?


















