Cylinder one misfire

Tiny
MR.JOSHUA79
  • MEMBER
  • 1998 GMC SONOMA
  • 4.3L
  • 6 CYL
  • 2WD
  • AUTOMATIC
  • 164,000 MILES
Hello, I have the truck listed above with a 4.3 liter Vortec. I've just finished changing the cylinder heads and now I have a misfire in cylinder 1. Checked plug and wire, I'm getting plenty of spark. Can't find any value leaks. I'm told that it may be one of the spider injectors but not sure. Any help would be greatly appreciated !
Thanks
Friday, May 7th, 2021 AT 1:53 PM

1 Reply

Tiny
ASEMASTER6371
  • MECHANIC
  • 52,796 POSTS
Good afternoon,

I would start by checking the compression. You need 140-160 on that cylinder.

https://www.2carpros.com/articles/how-to-test-engine-compression

Yes, it could be the spider. It is a common issue. Are there any codes set?

https://www.2carpros.com/articles/how-to-test-a-fuel-injector

https://www.2carpros.com/articles/how-to-replace-a-fuel-injector

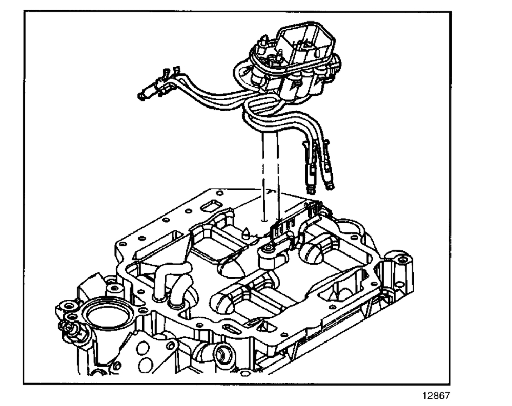
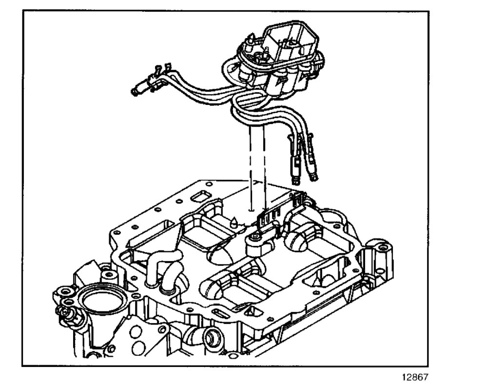
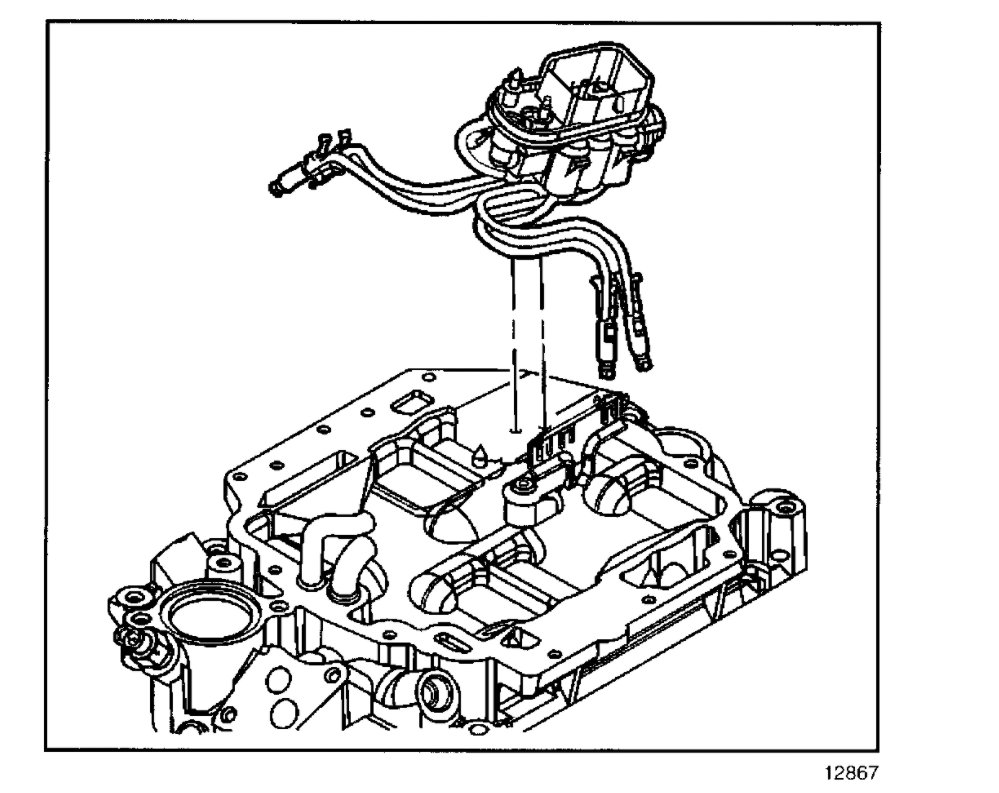
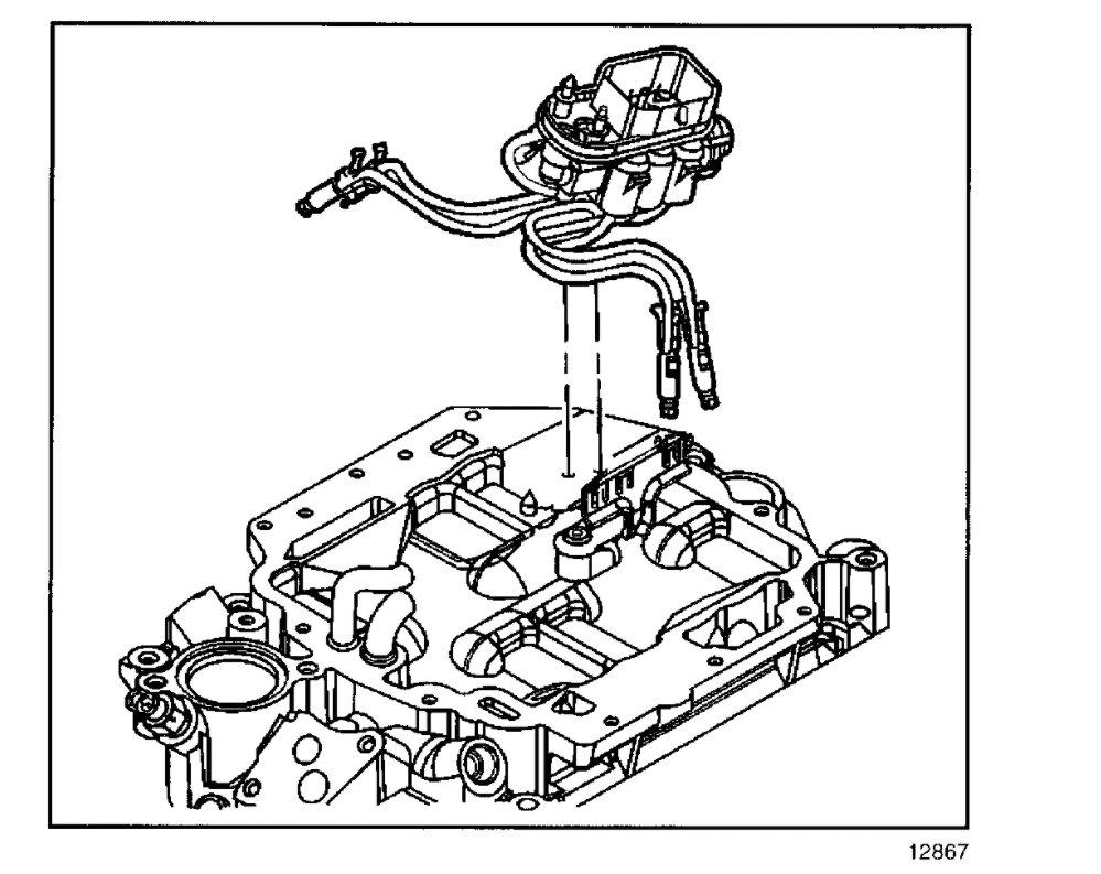
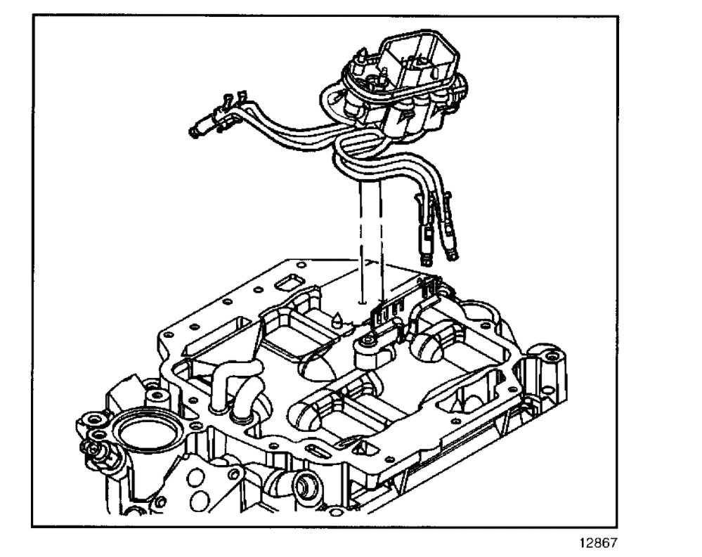
I attached the procedure for you for replacing the spider assembly.

Roy
Was this
answer
helpful?
Yes
No
Friday, May 7th, 2021 AT 4:20 PM

Please login or register to post a reply.