Tuesday, October 11th, 2022 AT 2:41 PM
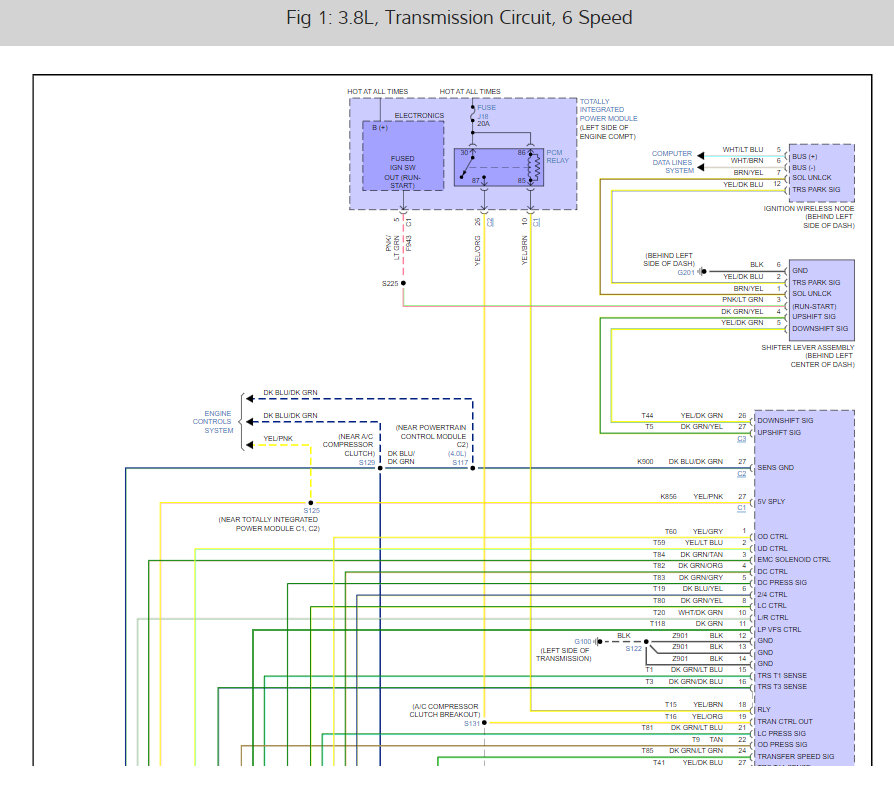
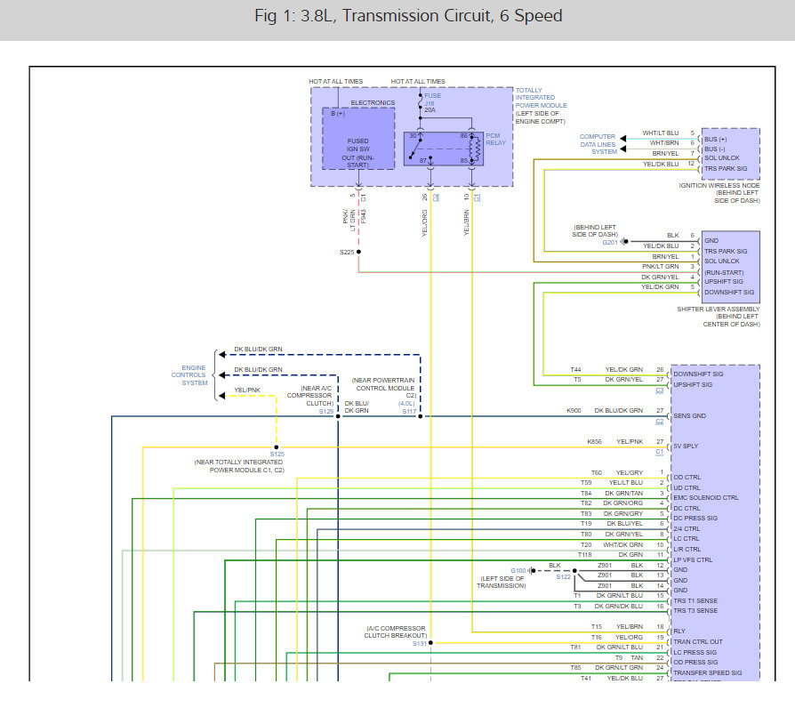
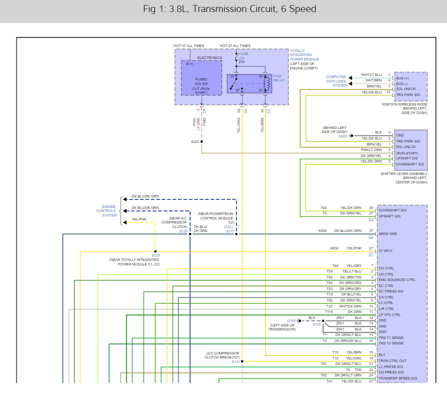
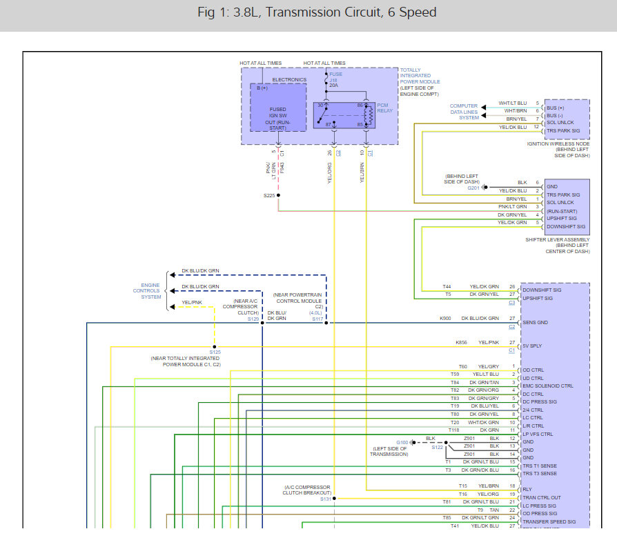
I replaced both front CV axles and my speedometer does not work. Transmission shift through all gears. I did have to reseat the driver's side axle. First attempt wheels did not move.




