Cut unused connector from under driver's seat when engine was running, now have issues with electrical components not working

Tiny
COLTON747
  • MEMBER
  • 1997 DODGE CARAVAN
  • 3.8L
  • V6
  • 4WD
  • AUTOMATIC
  • 178,000 MILES
So I cut the connector for an electric driver's seat which I don't have. The engine was running and I shorted the two black and red wires and the lights dimmed for a moment until it cut through. Now when I turn the key to the on position and flick the unlock/lock switch, nothing happens. The turn signals don't work but the hazards do work, the blower motor switches and dials don't work and they don't turn on. The engine runs like usual, (which is bad too), but usual and you can drive it. Those things just don't work though. I have checked all the fuses that are located in the fuse box under the hood and the main TIPM box under the dash and all fuses are fine.

I would really like to fugue this out!

Sincerely,
Colton.
Wednesday, January 13th, 2021 AT 5:09 PM

3 Replies

Tiny
CARADIODOC
  • MECHANIC
  • 34,491 POSTS
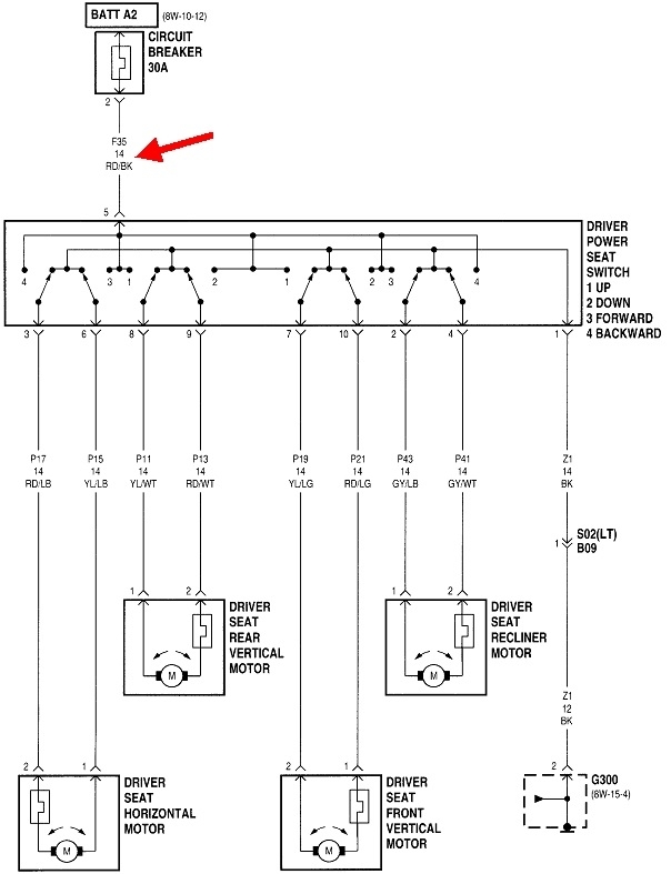
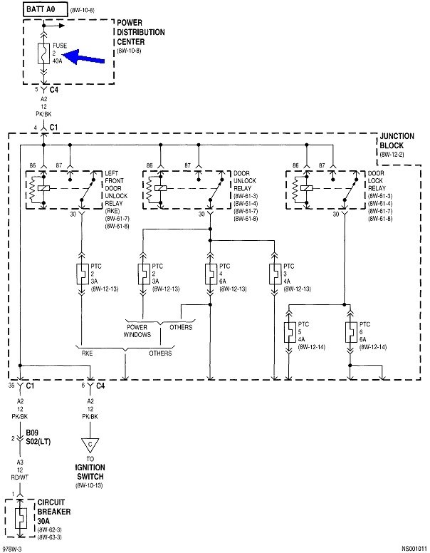
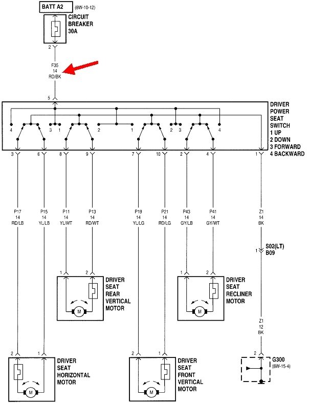
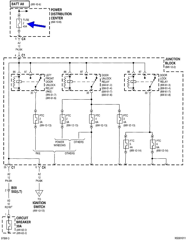
Shorting the red/black wire should have tripped the auto-resetting circuit breaker, but it sounds like this happened too fast. That's shown in the first diagram just above the red arrow.

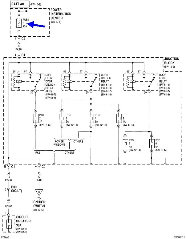
Diagram 2 shows that circuit breaker at the bottom, and it's fed by the large 40-amp maxi-fuse # 2 at the top, (blue arrow). That fuse also feeds the power lock relays and one section of the ignition switch. That would explain why all those systems you listed are not working. The third drawing shows the location of the Power Distribution Center under the hood, and the fourth one shows fuse # 2. That fuse has to be blown.
Was this
answer
helpful?
Yes
No
+1
Wednesday, January 13th, 2021 AT 7:51 PM
Tiny
COLTON747
  • MEMBER
  • 2 POSTS
The picture below, which is the style of PDC that I have. The layout of fuse box is different but the mention of the 30A and the 40A fuses made me check again and fiddle around with everything. Lo and behold it was the 40A fuse like you had mentioned. Thank you very much for the info! I will diffidently be using this site more. Have a great one!

Sincerely,
Colton
Was this
answer
helpful?
Yes
No
Sunday, January 24th, 2021 AT 12:50 PM
Tiny
CARADIODOC
  • MECHANIC
  • 34,491 POSTS
Dandy. Happy to hear you solved it. Please come back to see us again.
Was this
answer
helpful?
Yes
No
Sunday, January 24th, 2021 AT 8:06 PM

Please login or register to post a reply.