Cruise Control stop working?

Tiny
JEAN GAGNON
  • MEMBER
  • 2011 FORD ESCAPE
  • 2.5L
  • 4 CYL
  • 2WD
  • AUTOMATIC
  • 172,559 MILES
Last week I tried to put on the cruise Control but it did not work. And No cruise control light on.
Sunday, October 13th, 2024 AT 7:52 PM

3 Replies

Tiny
KEN L
  • MASTER CERTIFIED MECHANIC
  • 55,522 POSTS
Okay, the first thing we should do is check the #2 fuse in the fuse panel at the center of the dash and the fuse # 28 in the fuse panel under the hood. here is a guide to help and I have included the fuse location in the images below.

https://www.2carpros.com/articles/how-to-check-a-car-fuse

Check out the images (below). Please let us know what happens.
Was this
answer
helpful?
Yes
No
-1
Monday, October 14th, 2024 AT 10:35 AM
Tiny
JEAN GAGNON
  • MEMBER
  • 2 POSTS
Hi Ken L! I just checked the 2 fuses, and they are okay (no burn fuses). Do you have another idea that I can try? If I am in a parking an I put on the Cruise control, will I see the light on in my dash? Because the light of cruise control, do not get on. Thanks' for helping!
Jean G
Was this
answer
helpful?
Yes
No
Monday, October 14th, 2024 AT 1:11 PM
Tiny
KEN L
  • MASTER CERTIFIED MECHANIC
  • 55,522 POSTS
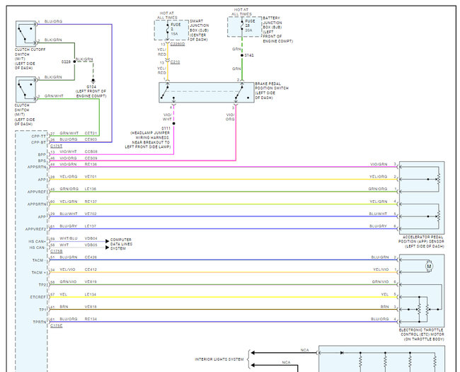
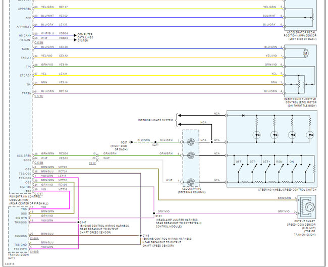
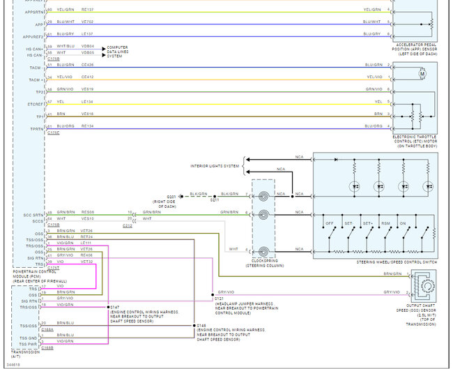
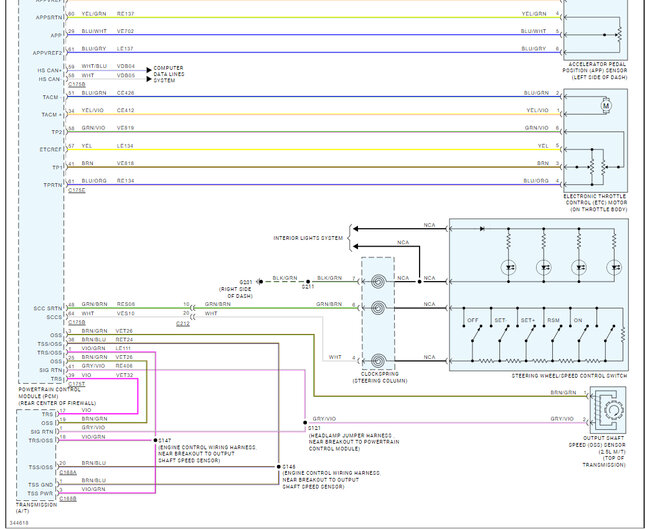
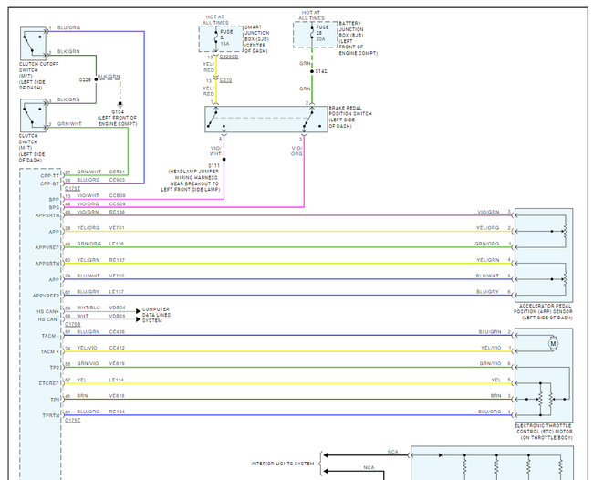
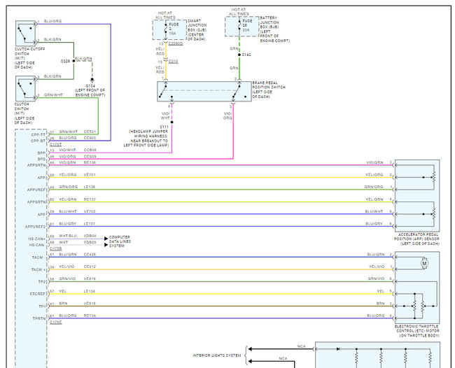
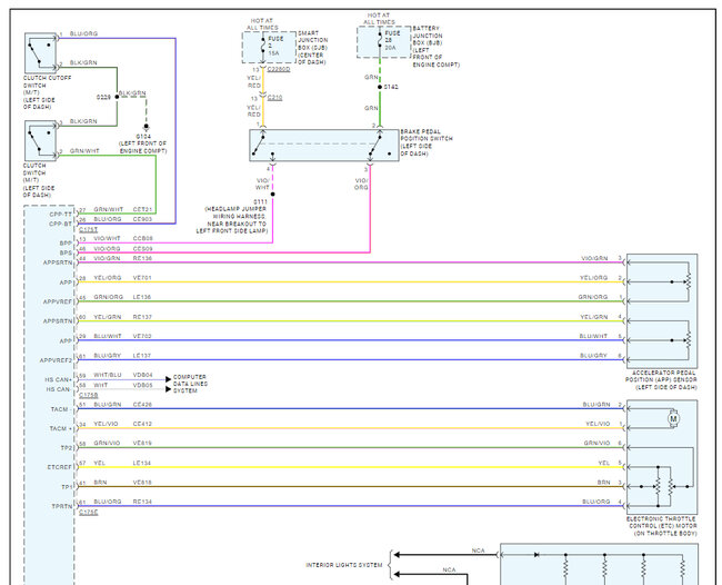
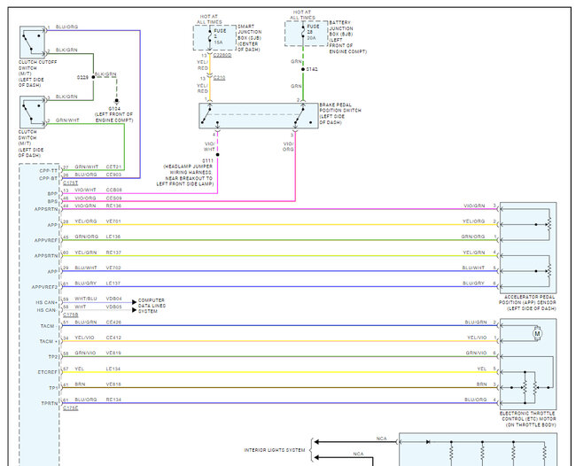
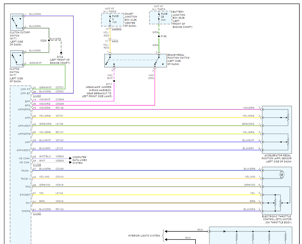
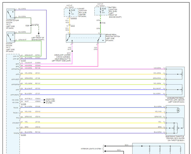
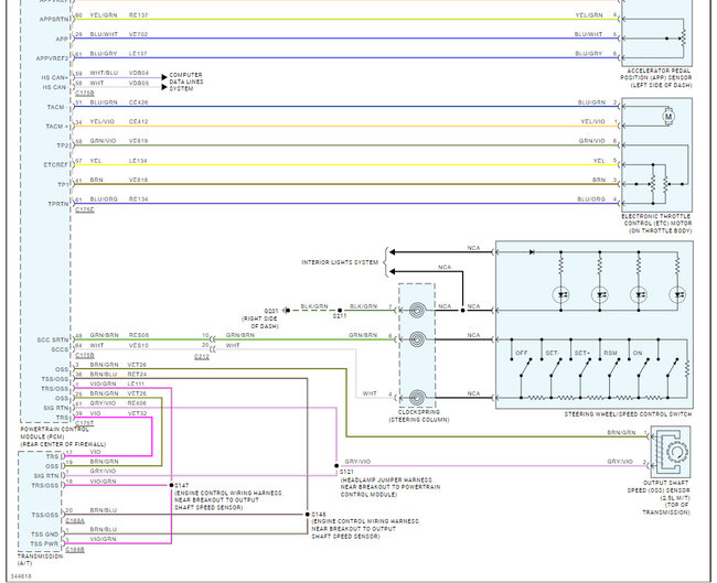
If the light is not coming on and the fuses are good, there is a circuit error. A common place for the failure is the clock spring (spiral wire) behind the steering wheel. Here is the cruise control wiring diagrams and a guide to help test through the wire and how to replace the clock spring if it tests bad.

https://www.2carpros.com/articles/how-to-check-wiring

Check out the images (below). Please let us know what happens.
Was this
answer
helpful?
Yes
No
Tuesday, October 15th, 2024 AT 9:05 AM

Please login or register to post a reply.