Cruise control shuts off after three to five miles

Tiny
DAVEJORDAN1203
  • MEMBER
  • 2005 DODGE CARAVAN
  • 6 CYL
  • 2WD
  • AUTOMATIC
  • 235,000 MILES
My cruise control comes on fine it runs for about 3 to 5 miles and then shuts off. No other lights come on, just the cruise turns off. The only way to get it to work again is turn the car off and back on and it will work for another 3 to 5 miles. It does this when the weather if fine or raining. Any ideas?
Tuesday, March 9th, 2021 AT 10:05 AM

2 Replies

Tiny
CARADIODOC
  • MECHANIC
  • 34,489 POSTS
I can't say for sure about aftermarket scanners, but Chrysler's DRB3 has a listing on a drop-down menu for "Last Cruise Cutout". This has to be observed during a test-drive. If you initiate the test while sitting in the parking lot, it will be listed as "Road speed too low". If you read the reason for the first time after reaching a high-enough road speed, the cause will be listed as "Ignition switch turned off". The proper way to run the test is to reach highway speed, set the cruise control, then read the reason right after it disengages.

The most common cause is 'Brake pedal pressed". We know that's a signal to turn the cruise control off. To verify that, you can also use the scanner to monitor the position of the brake light switch as "Pressed" or "Released". If that switch is out-of-adjustment, the pedal can bounce when you hit bumps in the road and turn the brake light switch on too fast for you to see on the scanner, but the "cruise cutout reason" will point you there. You can also verify that by holding the brake pedal up with your toes to prevent it from bouncing.

If the reason listed is "Ignition switch turned off, we know you didn't do that while driving, but that would tell us to look at the power supply wires to the Engine Computer. Fuses loose in their sockets, and corroded connector terminals are some possible causes. On older models from the '90s, arced ignition switch contacts were also a common problem. There's multiple individual switches built into the ignition switch assembly. The section that always develops the problem is the one that turns power on for the power windows, radio, and heater fan motor. The people who have the most trouble with this are those who are in the habit of turning the ignition switch on and off while the heater fan is set to one of its higher speeds. That causes a lot of arcing in the ignition switch that eventually leads to this problem. Another common clue was the cassette player sounded like it was reversing direction when both power windows were rolled down and bottomed out at the same time. That caused increased current, and the excessive resistance in the switch caused a drop in voltage to the radio which thought the ignition switch was being turned off. In fact, it wasn't really reversing. It was just retracting the head and pinch roller as it normally does when you leave the vehicle. Regardless, that was a clue the ignition switch was failing.

Another possibility is "Cruise control power switch turned off". Older models had a switch that latched down when pressed, and popped back up when pressed again. That type can develop pitted contacts and lose their connection intermittently. Newer models have a momentary-contact switch that only turns on while it is being pressed. Look for one that's sticking or not popping back when released.

There's two other possible causes that are almost impossible to identify without the scanner. One has to do with the vehicle speed sensor. If there is a momentary dropout of the signal, it may be over too quickly for the Engine or Transmission Computer to set a diagnostic fault code, or to affect the speedometer, but that can be enough for the cruise control to lick out. The listed reason will be "Road speed too low".

The other elusive cause is the throttle position sensor. This type of sensor is fed with ground, (0 volts), and 5.0 volts. There's mechanical stops inside the sensor that limit its range of signal voltage to approximately 0.5 to 4.5 volts. Those values are for explanation purposes. In actual practice you might find 0.43 to 4.28 volts, for example, but the point is it will never reach 0.0 or 5.0 volts. The only way it can is if there's a break inside the sensor, the wiring to it, or between two mating connector terminals. Most of the time the Engine Computer will see that momentary jump to an unacceptable value and set a fault code for "TPS voltage too high" or "TPS voltage too low", even though that happens too quickly to be observed on a scanner. A much less-common defect occurs when a chip of the carbon resistor element in the sensor breaks off and gets stuck under the movable contact, or when corrosion develops between two terminals in a connector. That can cause the TPS signal voltage to go to a wrong value. As long as that wrong value remains between 0.5 and 4.5 volts, no defect will be detected and no fault code will be set, but if the computer interprets that as a sudden hard acceleration while other sensors don't report similar conditions, the cruise control will kick out as a precaution that a failure of its driver circuits inside the computer have tugged the throttle wide-open, which would lead to loss of control. The reason for cutout would in some way indicate sudden or uncontrolled acceleration.

Chrysler's DRB3 went obsolete on 2004 Dakotas and Durangos, but it was still the dealer's scanner for 2005 minivans. With an extra plug-in card, they did emissions-related stuff for all brands and models sold in the U.S. Starting with '96 models. A lot of independent shops bought them for that reason. The last they worked on were some 2008 Jeep models. Today all independent shops have something newer, so you might find one that has a DRB3 they'd be happy to sell. You can find them on eBay too. There are a lot of nice aftermarket scanners out there too, but I don't know if any will perform the "Reason for last cutout" test.
Was this
answer
helpful?
Yes
No
Tuesday, March 9th, 2021 AT 12:47 PM
Tiny
CARADIODOC
  • MECHANIC
  • 34,489 POSTS
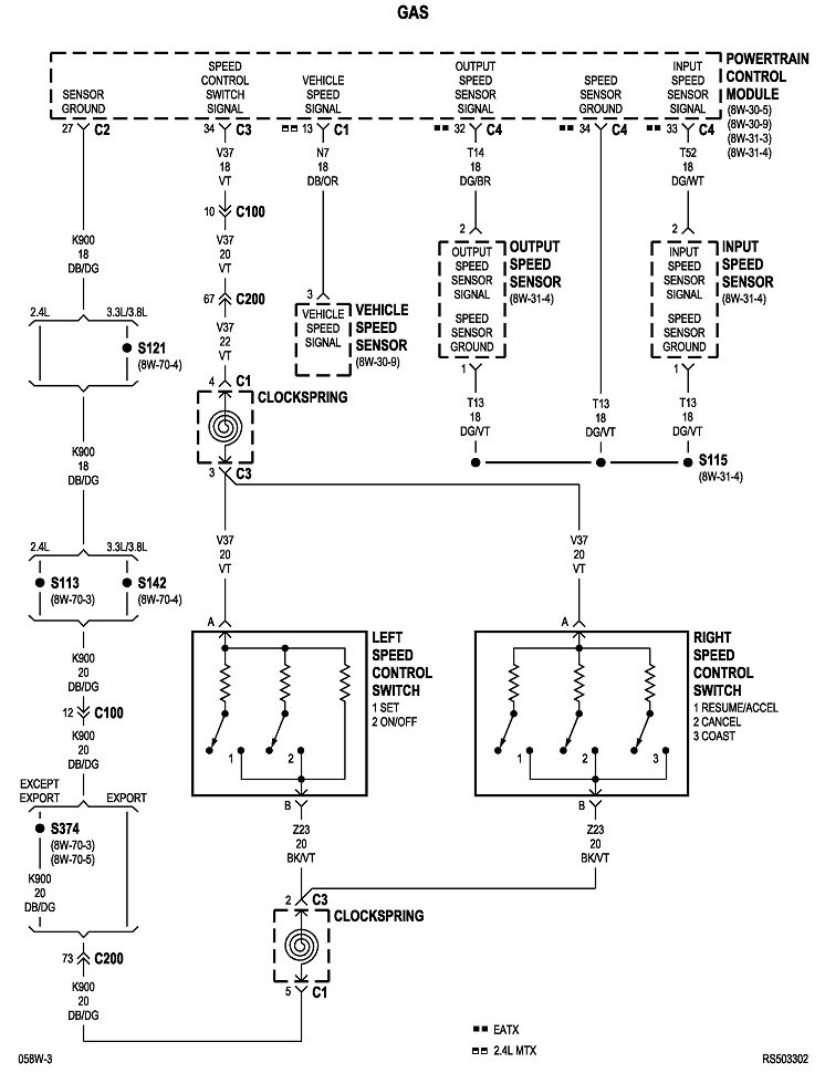
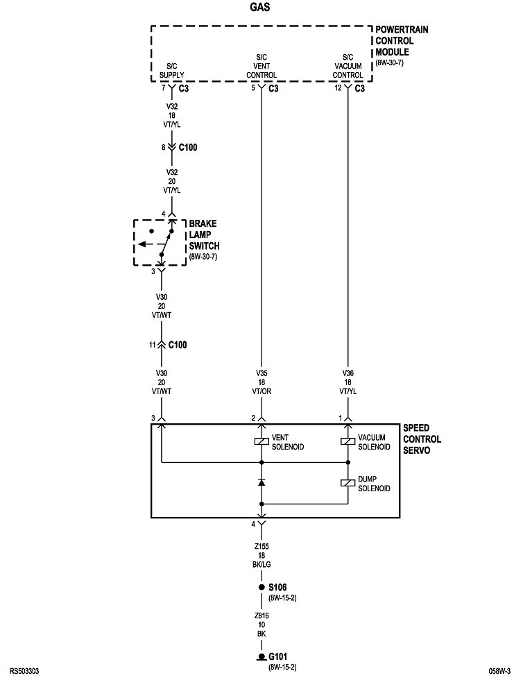
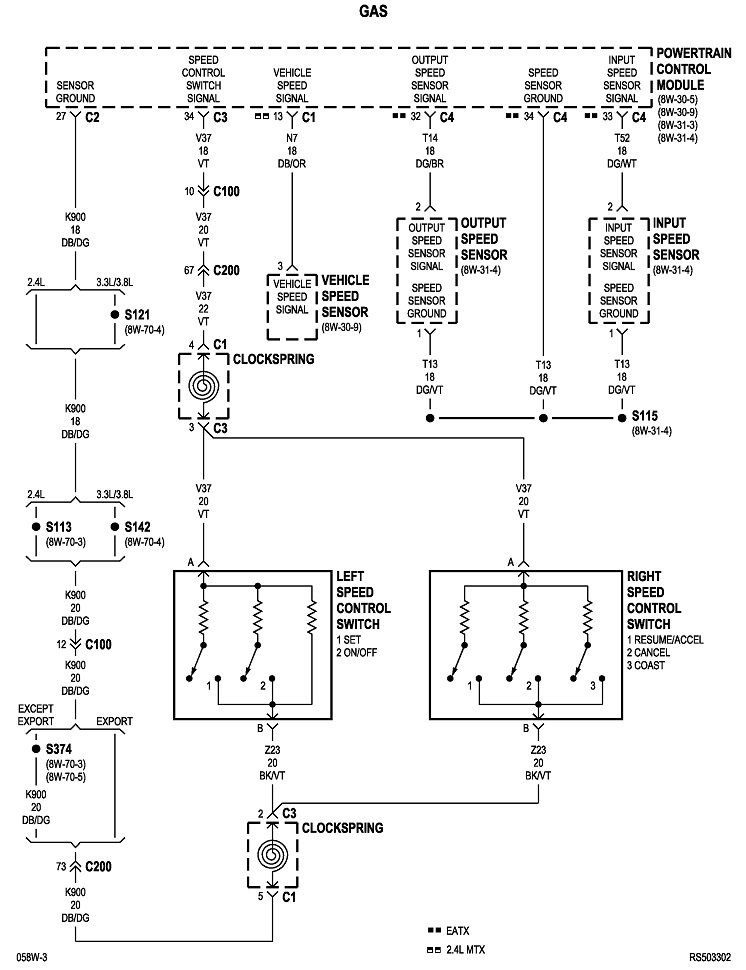
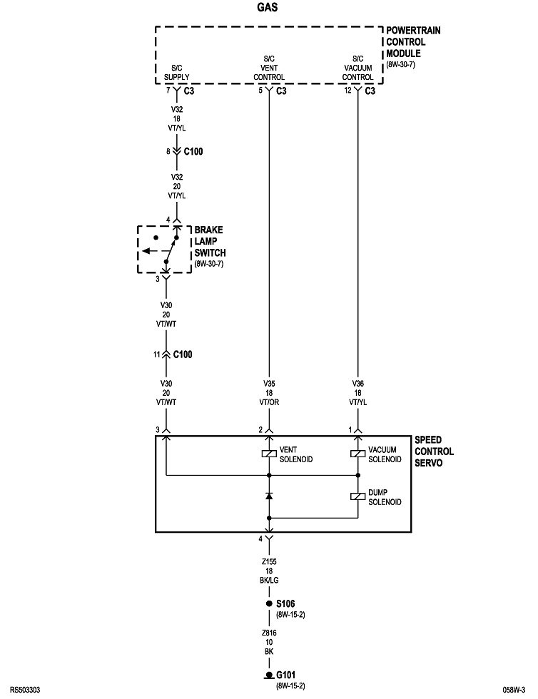
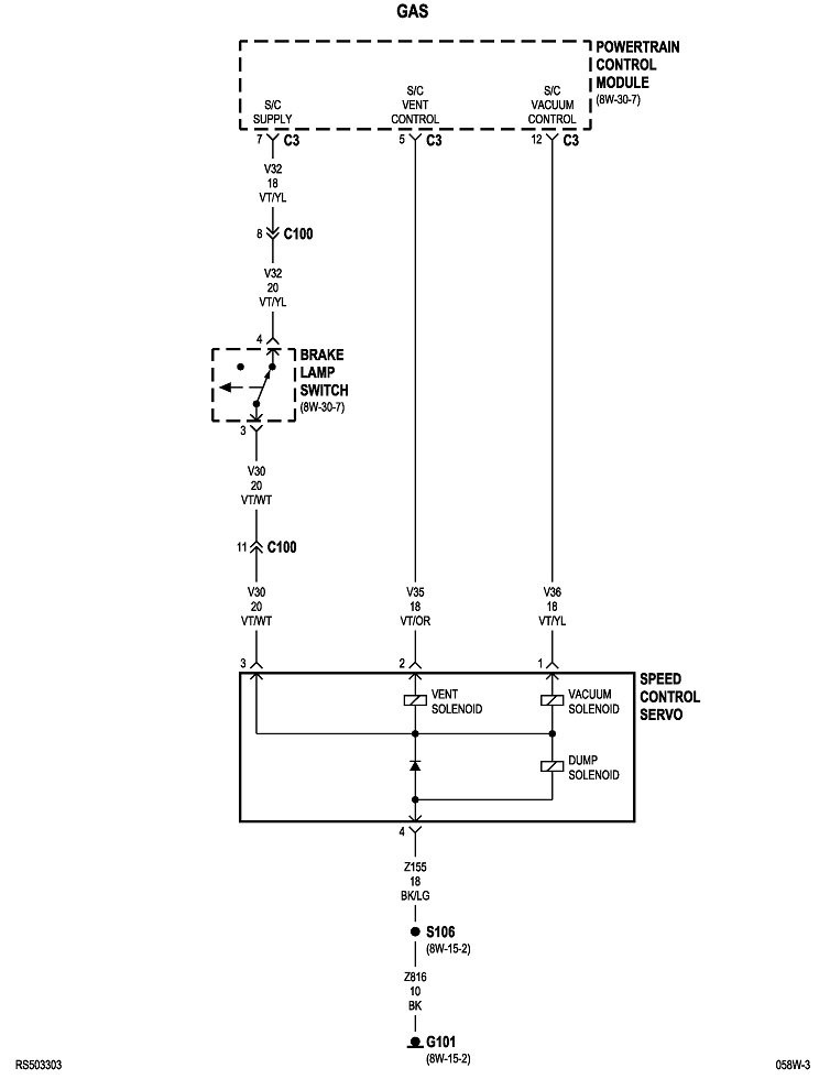
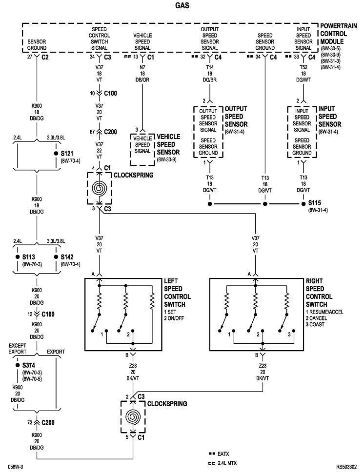
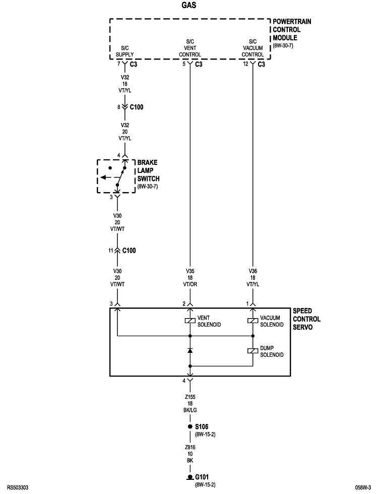
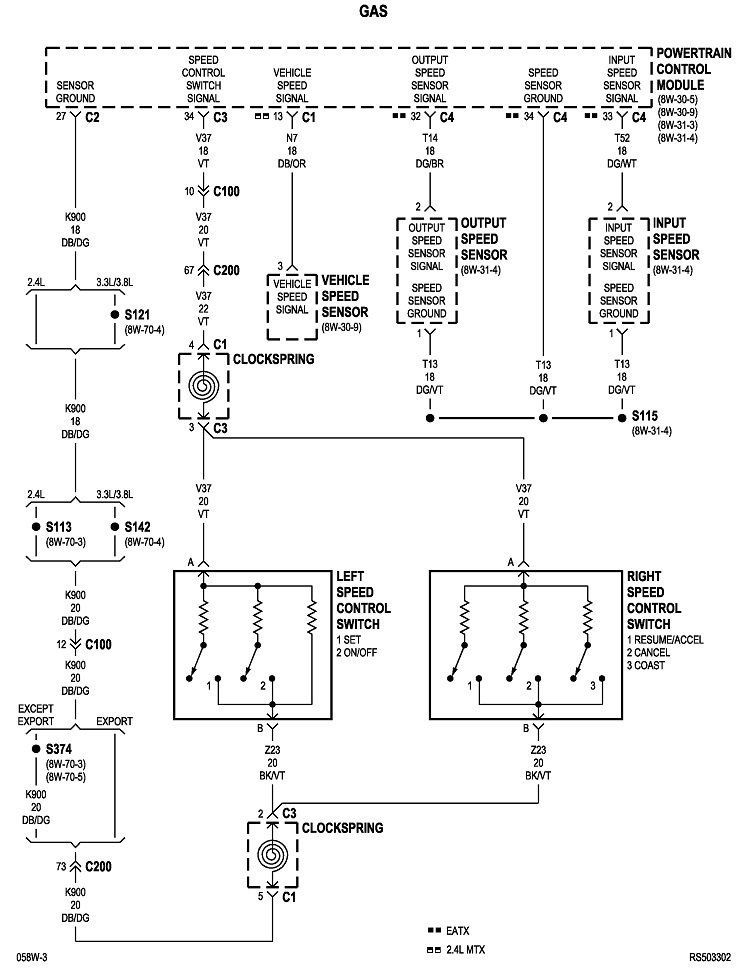
Here's the diagrams for the cruise control system.

You might also read and record any diagnostic fault codes to see if any are set related to this problem. You can do that yourself by cycling the ignition switch from "off" to "run" three times within five seconds without cranking the engine. Leave it in "run", then watch the code number show up in the odometer display. The people at many auto parts stores will also read them for you for free, but most of them can only read codes in the Engine Computer, and sometimes in the Transmission Computer.

Once you know the exact fault code number(s), you can go here:

https://www.2carpros.com/trouble_codes/obd2/p0500

to see the definitions, or I can interpret them for you.
Was this
answer
helpful?
Yes
No
+1
Wednesday, March 10th, 2021 AT 5:44 PM

Please login or register to post a reply.