HOME
ASK A QUESTION
REPAIR GUIDES
BECOME A MEMBER
LOG IN
Login with Facebook
OR
Remember me
NOT A MEMBER?
FORGOT PASSWORD?
CONTACT US
PRIVACY POLICY
TERMS AND CONDITIONS
☰
Home
Chevrolet
Impala
Interior
Cruise Control
Not Working
Cruise control not working or lighting up on dash
CODYCLARK247
MEMBER
2001 CHEVROLET IMPALA
4.8L
6 CYL
2WD
AUTOMATIC
90,000 MILES
Try to use cruise control and I can't get it to work. Checked fuses and none are bad.
Tuesday, April 21st, 2020 AT 7:54 PM
1 Reply
ASEMASTER6371
MECHANIC
52,796 POSTS
Good morning,
Is the ABS light on in your car? If it is, it will disable the cruise system as it uses the signal from the sensors to control the cruise.
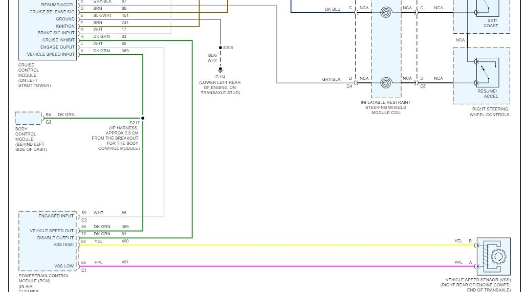
I attached a wiring diagram for you to view. Can you get a test light or voltmeter to do some testing?
https://www.2carpros.com/articles/how-to-check-a-car-fuse
https://www.2carpros.com/articles/how-to-check-wiring
Roy
Images (Click to make bigger)
Was this
answer
helpful?
Yes
No
Wednesday, April 22nd, 2020 AT 4:25 AM
Please
login
or
register
to post a reply.
Related Cruise Control Not Working Content
Cruise Control Not Working
Cruise Control Cuts In And Out. After Non-diagnosis By Local Shop, I Checked The Fuses And Relays In Fuse Box Under Hood. I Found Several...
Asked by
John Ho10
·
55 ANSWERS
9 IMAGES
2006
CHEVROLET IMPALA
2005 Chevy Impala How To Repair Cruise Control
Is The Cruise Control On The 2005 Chevy Impala A Module That I Can Replace Or Is It More Involved? If It Is A Module, Where Can I Get The...
Asked by
ang74
·
16 ANSWERS
2 IMAGES
2005
CHEVROLET IMPALA
Drivers Seat
I Slid My Drivers Seat Up For Cleaning And Now It Would Not Slide Back. Only One Side Is Sliding Back - So The Seat Is Sliding Back At An...
Asked by
SCHERUBIN
·
5 ANSWERS
2001
CHEVROLET IMPALA
2001 Chevy Impala Stock Cd Player
This Car Hasn't Really Had Any Big Problems That I Couldn't Figure Out But Up Until Tonite The Cd Player (stock) Decided To Give Up On Me....
Asked by
IonNuke
·
6 ANSWERS
2001
CHEVROLET IMPALA
2001 Chevy Impala Electricel
I Need To Run 4 Large Wires (strobes) Through The Firewall, I Can See A Few Places Where Wires Are Run Through But All Are Innaccesible...
Asked by
kpom01
·
4 ANSWERS
2001
CHEVROLET IMPALA
VIEW MORE
Ask a Car Question. It's Free!
How to Use a Test Light
Blend Door Actuator Replacement
Window Switch Replacement and Test