Saturday, October 26th, 2024 AT 9:49 AM
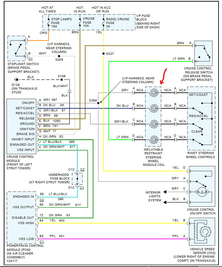
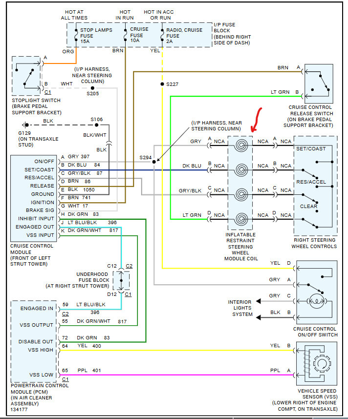
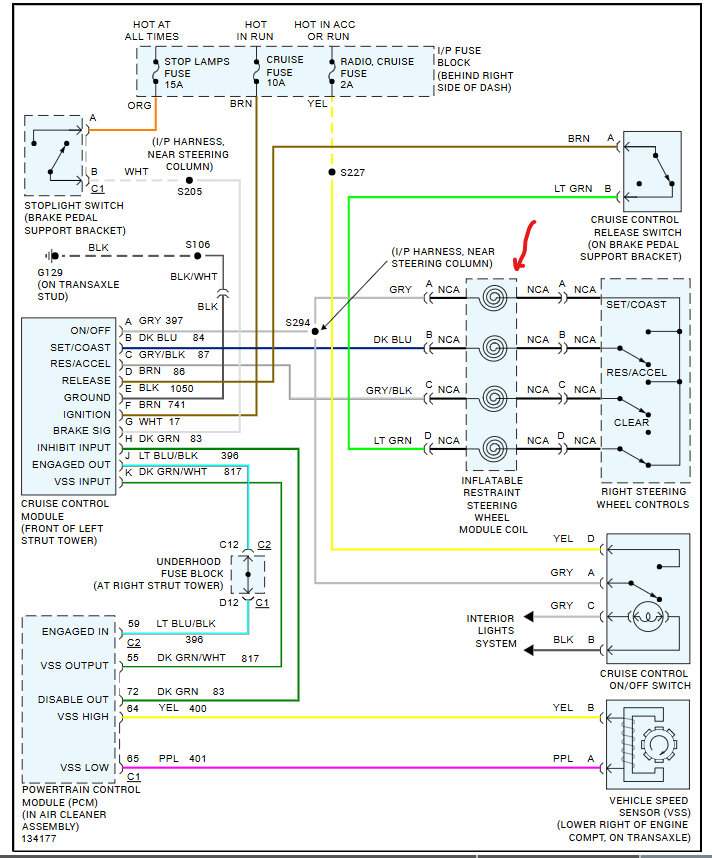
My cruise control will work when my headlights are off but won't when they come on. It will also kick off sometimes when I use the turn signals doesn't which way right or left. Is the Hazzard switch headlights and cruise control all together and if the hazard switch bad, could it be the cause?





