Cruise control engages then Kicks out immediately

Tiny
KELSI STAPLETON
  • MEMBER
  • 2006 PONTIAC GRAND PRIX
  • 3.8L
  • 6 CYL
  • 2WD
  • AUTOMATIC
  • 137,000 MILES
Cruise control engages then kicks it out immediately after. All brake lights work no codes or lights on on dash. Fuse is good.
Wednesday, March 21st, 2018 AT 8:26 AM

1 Reply

Tiny
KEN L
  • MASTER CERTIFIED MECHANIC
  • 55,512 POSTS
Hello,

I would start by checking the codes because an input shaft speeds sensor can cause the cruise to kick out.

Here is a guide to help you get the codes:

https://www.2carpros.com/articles/checking-a-service-engine-soon-or-check-engine-light-on-or-flashing

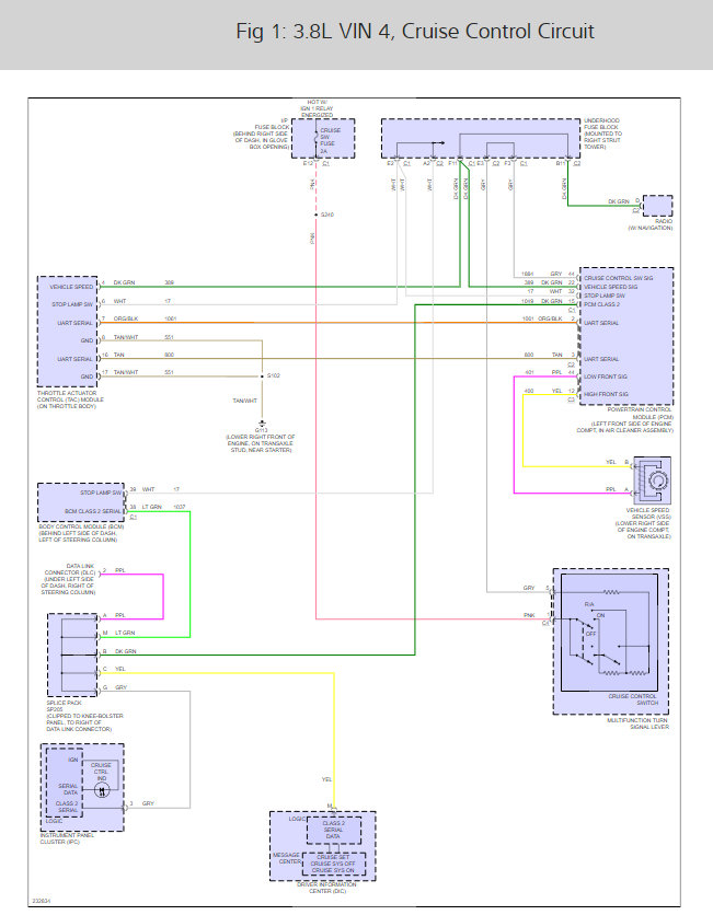
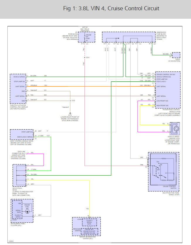
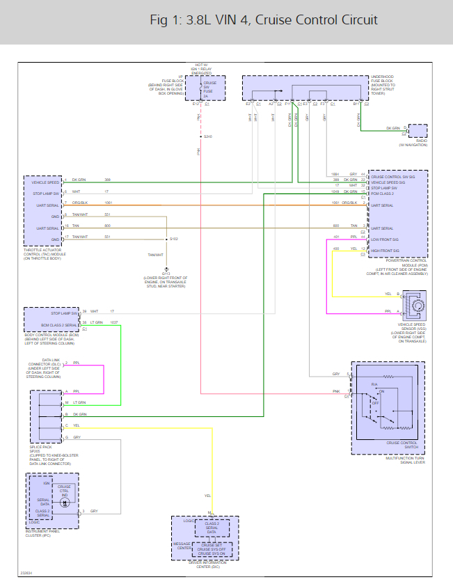
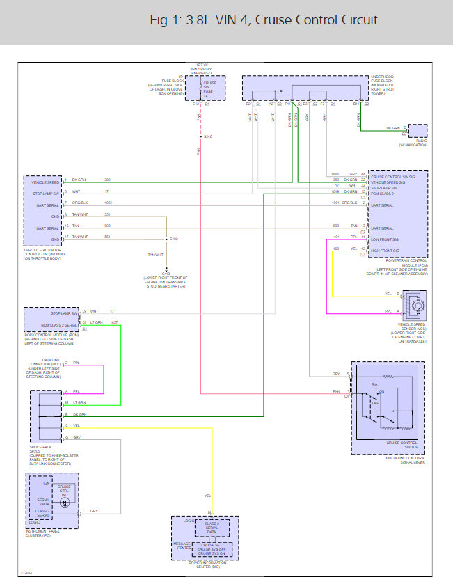
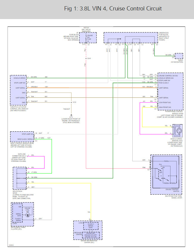
Here is the cruise control wiring diagrams so you can see how the system works.

Check out the diagrams (below).

Please let us know what you find. We are interested to see what it is.

Cheers, Ken
Was this
answer
helpful?
Yes
No
Thursday, March 22nd, 2018 AT 11:25 AM

Please login or register to post a reply.