Saturday, April 9th, 2022 AT 8:00 AM
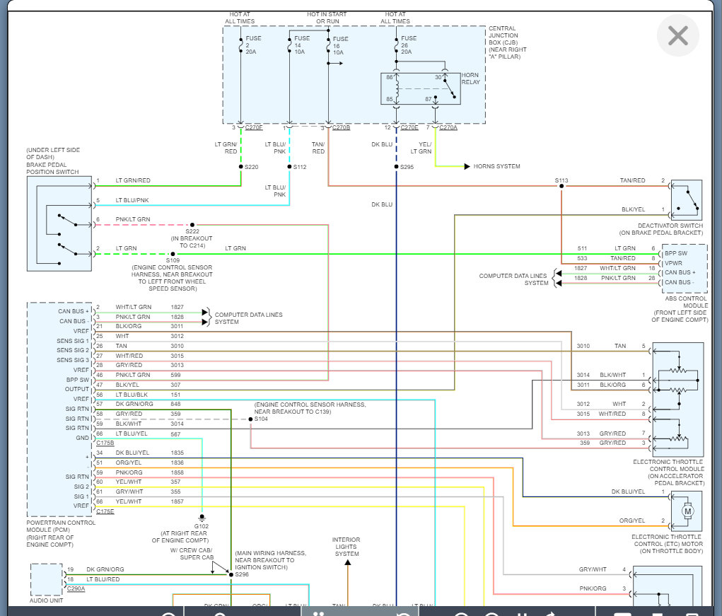
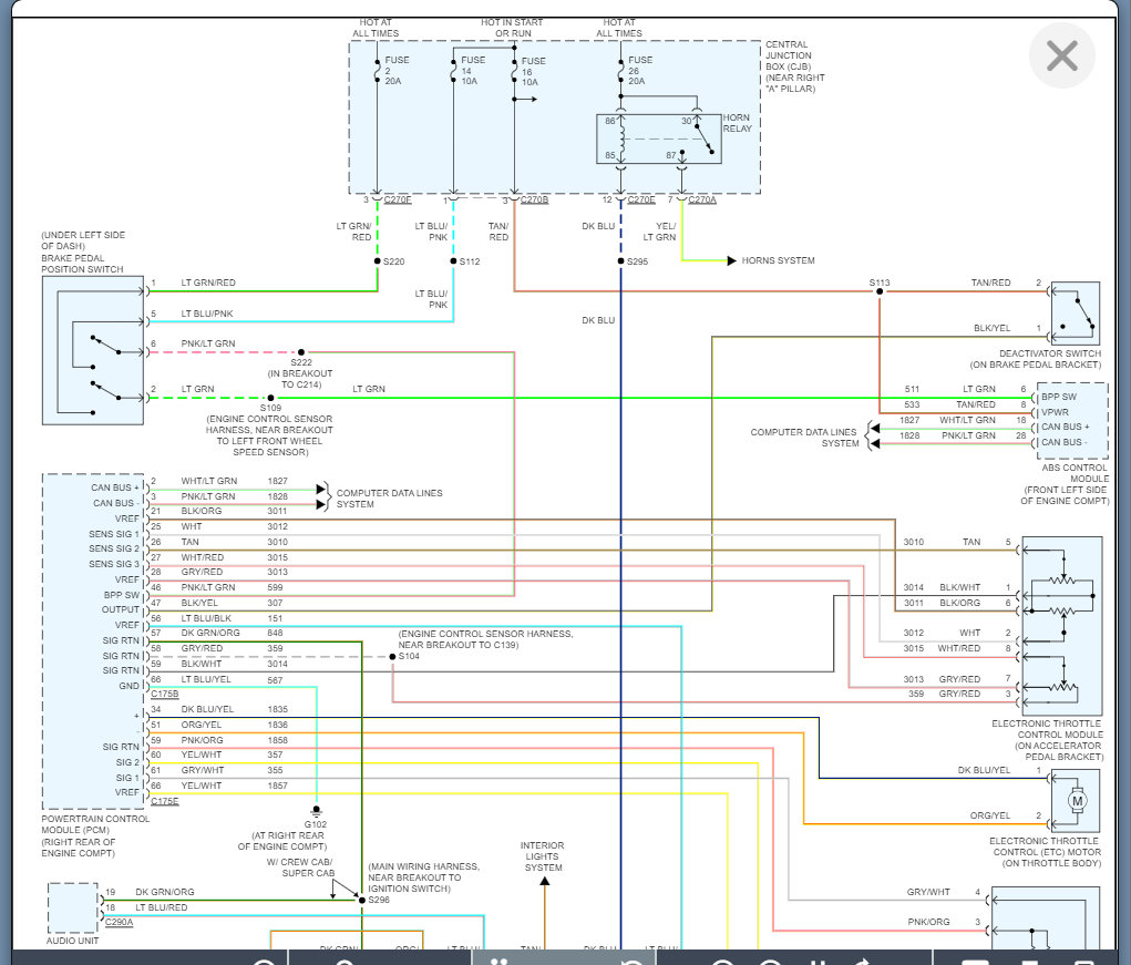
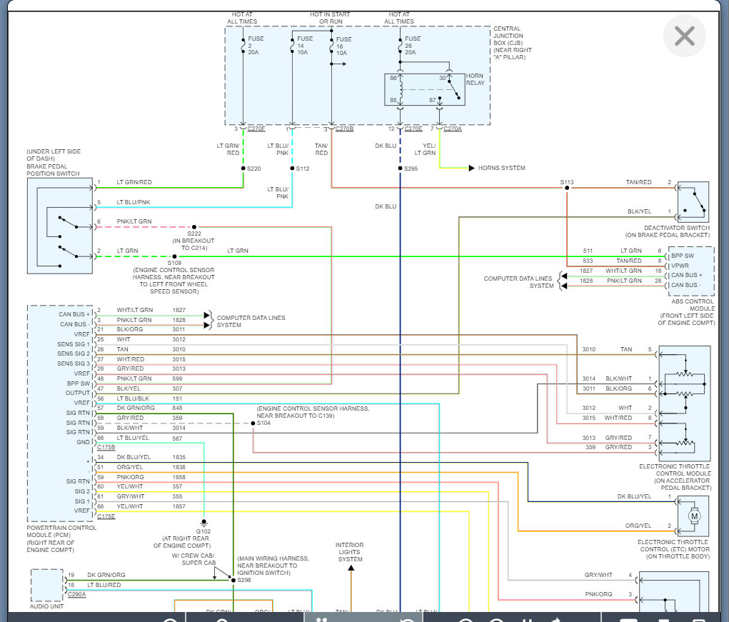
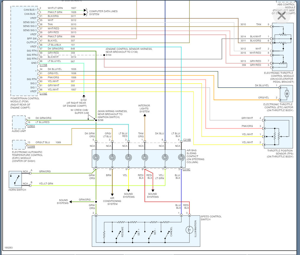
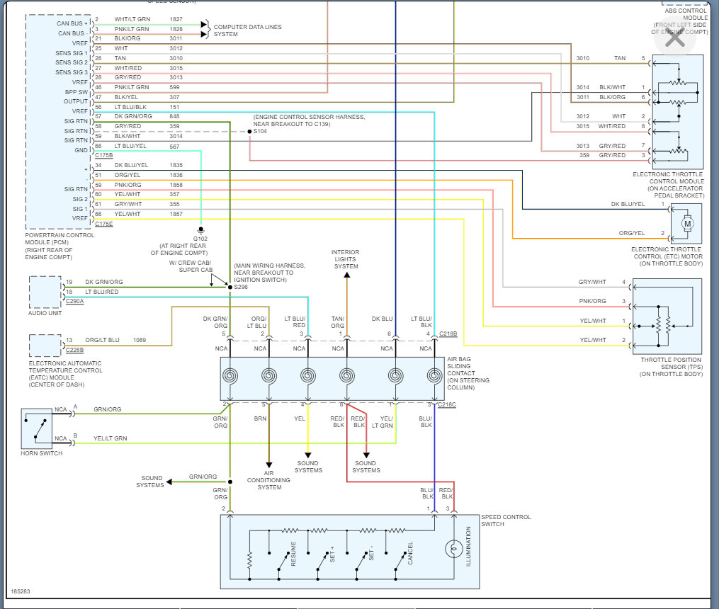
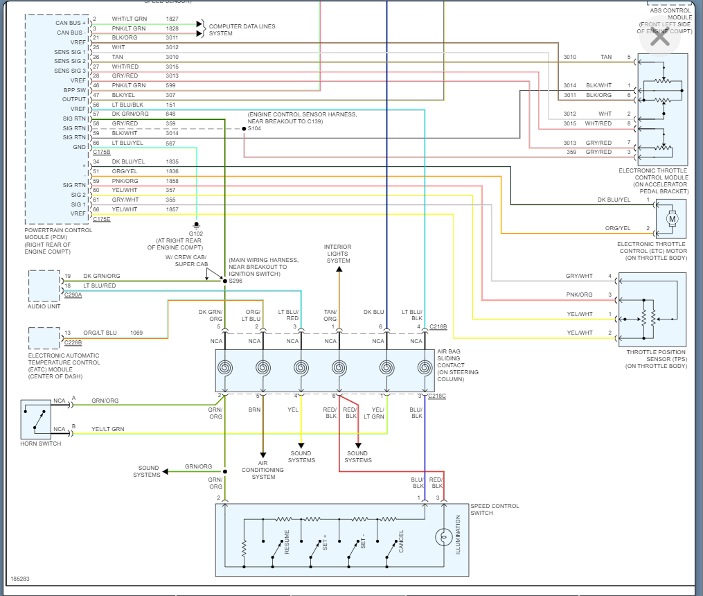
I have had my truck for six years and the cruise control has been working fine! However recently It stopped working. So, any time I turn it on it works for 5-10 seconds and immediately turns off. Then I turn it on again and it lights up and turns off. So, it does activate but does not stay on. Any help please? And I just replaced all the brake light buds and the Cruise control switch and I am still having the same problem.



