Cruise control does not work when headlights are on

Tiny
FYE456
  • MEMBER
  • 2006 GMC SIERRA
  • 5.3L
  • V8
  • 4WD
  • AUTOMATIC
  • 85,000 MILES
Hi there, nine months ago I converted all bulbs to LED and put the correct relay in it to fix the hyper flash. Never had an issue, until now.

Now whenever the headlights are on the cruise control will shut off.

I checked all grounds, fuses, brake light switch is fine.

I swapped the third brake lights back to incandescent bulbs because I was told that's where the cruise feeds through. No luck.

Any suggestions on what next?

Thanks for your help.
Friday, March 25th, 2022 AT 10:00 PM

3 Replies

Tiny
KASEKENNY
  • MECHANIC
  • 18,907 POSTS
If the cruise only works when the lights are off, then you are correct that most likely one of the brake lights is back feeding through to the brake pedal switch making it think that the brakes are on.

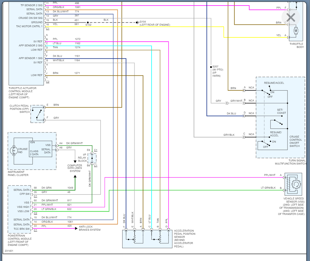
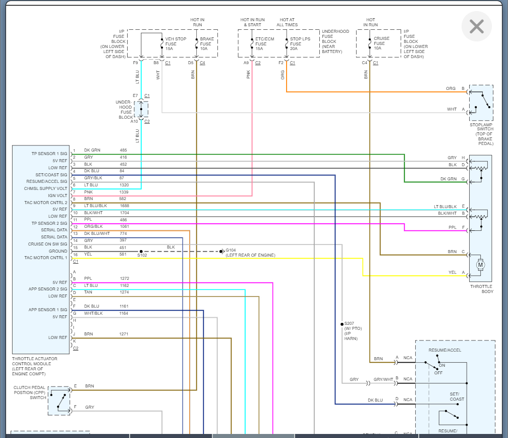
However, the third brake light does not feed this system. It is the brake light switch that controls the cancel function. This is a common misunderstanding because the circuit is labeled CHMSL supply volt. However, it is fed from the switch. So, whenever you press the pedal, the cruise shuts off.

What I would suggest is unplugging each of the brake light assemblies one at a time until you find which one is causing the issue.

There is no guarantee that this is the issue, but it is the likely place to start.

The next thing we need to do is check the power on the CHMSL circuit when the head lights are on. If you have voltage on this circuit, then we are missing the short circuit somewhere and we will have to dig further.

https://www.2carpros.com/articles/how-to-check-wiring

Take a look at the wiring diagram below and you will see from the brake light switch to the actuator is the circuit we are focused on.

Let me know what questions you have.
Was this
answer
helpful?
Yes
No
Saturday, March 26th, 2022 AT 10:58 AM
Tiny
FYE456
  • MEMBER
  • 2 POSTS
I will check into this! Thanks! I really appreciate it.
Was this
answer
helpful?
Yes
No
Saturday, March 26th, 2022 AT 12:43 PM
Tiny
KASEKENNY
  • MECHANIC
  • 18,907 POSTS
You are welcome. Let us know how you make out. We will wait to hear back but thanks for updating us and thanks for using 2CarPros.
Was this
answer
helpful?
Yes
No
Sunday, March 27th, 2022 AT 12:51 PM

Please login or register to post a reply.