CRUISE CONTROL ELECTRONIC MODULE?

Tiny
I4EP46KNJ
  • MEMBER
  • 2001 BUICK LESABRE LIMITED
  • 200,000 MILES
NEED A PHOTO OF LOCATION OF THE CRUISE CONTROL ELECTRONIC MODULE
Tuesday, December 30th, 2025 AT 12:13 PM

3 Replies

Tiny
STEVE W.
  • MECHANIC
  • 15,683 POSTS
It is on the firewall between the brake booster and the wiper motor. There is a cable from it to the throttle body. Part # 12575408 Be advised that they usually don't come with the cable as those are vehicle dependent.
Was this
answer
helpful?
Yes
No
Tuesday, December 30th, 2025 AT 1:10 PM
Tiny
I4EP46KNJ
  • MEMBER
  • 2 POSTS
Steve, thank you. I just looked and could see nothing under the hood but I suspect it's behind a plastic panel between & separating engine compartment and firewall. AND underneath a plastic panel that has vents going down between that plastic panel that separates engine compartment and firewall.

When temperature goes up a bit I'll unbolt that plastic panel with the vents on it, and see if it's buried in there.
Was this
answer
helpful?
Yes
No
Tuesday, December 30th, 2025 AT 3:03 PM
Tiny
STEVE W.
  • MECHANIC
  • 15,683 POSTS
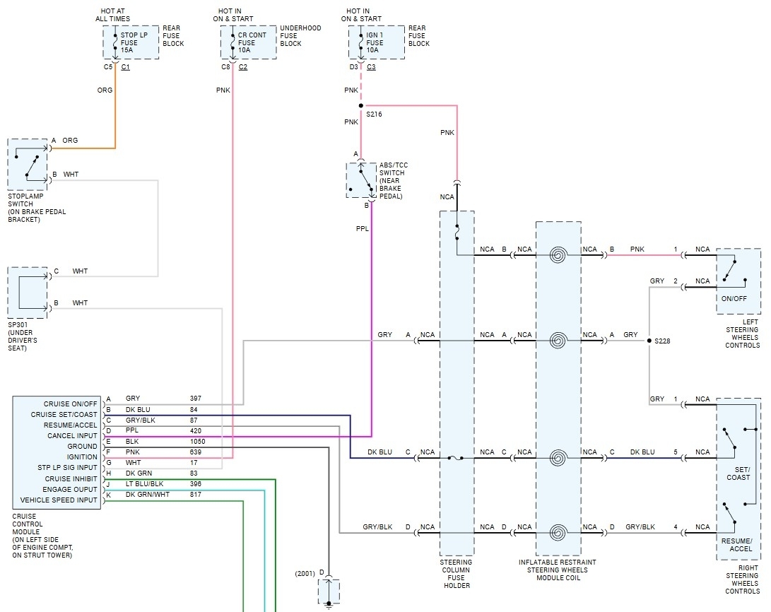
Sorry forgot about the cowl panel trim. Yes it's under that. You have to remove the wiper arms and then the various push pins and screws to get the panel off. However there are a few things other than the module itself that can keep the cruise from working. The most common is the brake light switch, it has 2 sections in it One for the lights and another for the cruise. Both powered through different fuses as well. Attached is the wiring in case you need it.
Was this
answer
helpful?
Yes
No
Wednesday, December 31st, 2025 AT 4:01 AM

Please login or register to post a reply.