Cruise control light on

Tiny
TANKK2014
  • MEMBER
  • 2007 NISSAN ALTIMA
  • 2.4L
  • 4 CYL
  • 2WD
  • AUTOMATIC
  • 170,000 MILES
The cruise control light has started staying on even when it's not actually "on" and the "set" light has started blinking. I have absolutely no idea what this means.
Wednesday, October 6th, 2021 AT 2:47 PM

1 Reply

Tiny
KASEKENNY
  • MECHANIC
  • 18,907 POSTS
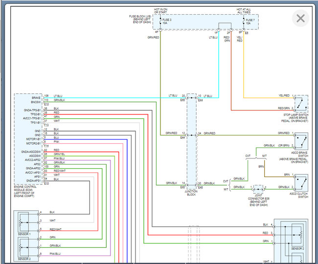
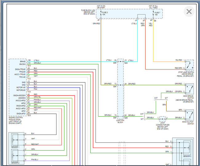
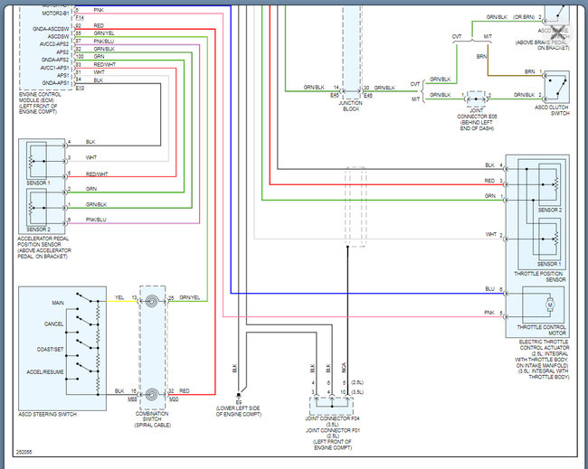
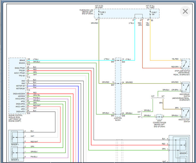
This means there is an issue with the system, and we need to start with checking for codes.

https://www.2carpros.com/articles/checking-a-service-engine-soon-or-check-engine-light-on-or-flashing

This could be as simple as a switch issue, but it could also be an open circuit in some of the wiring.

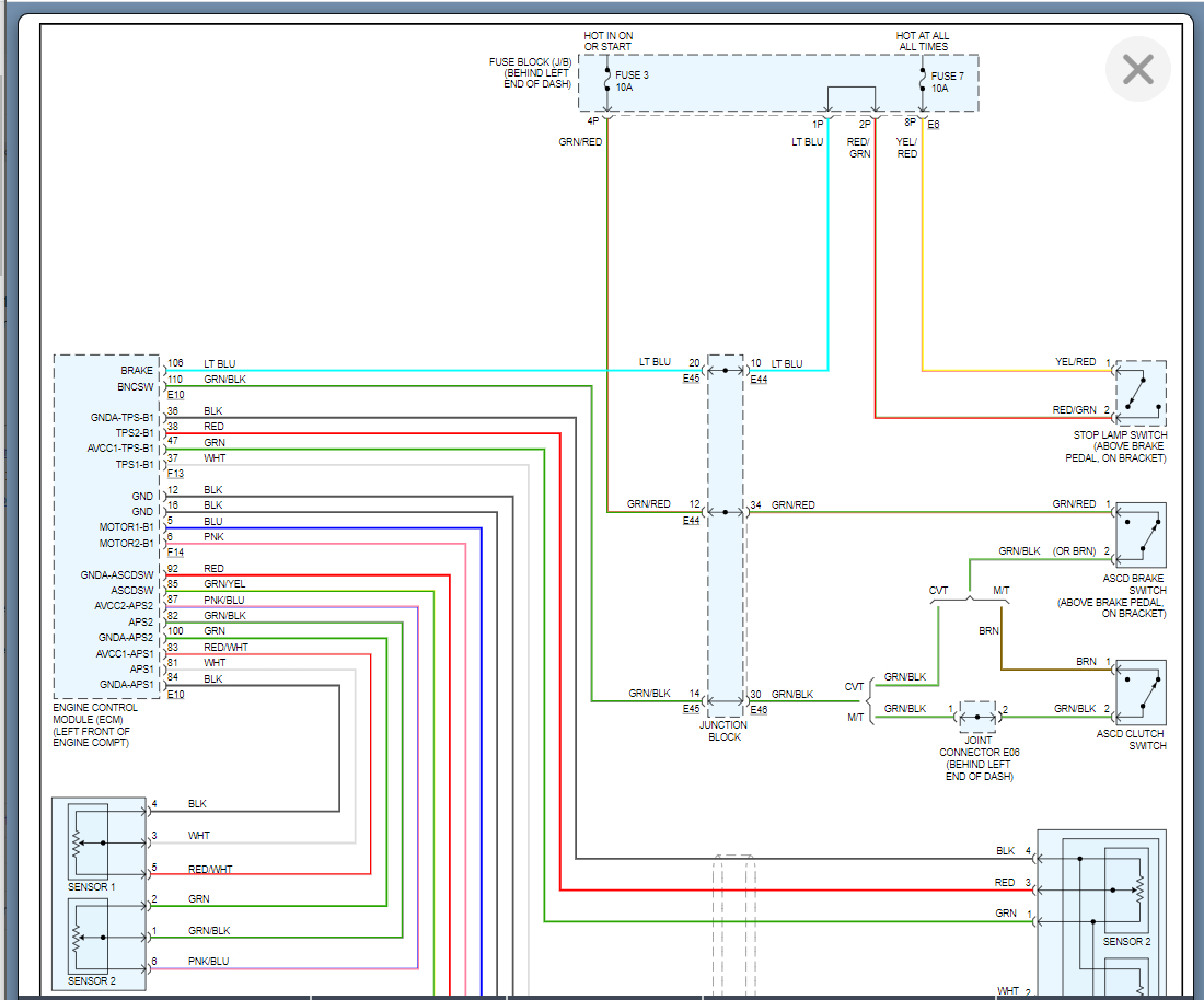
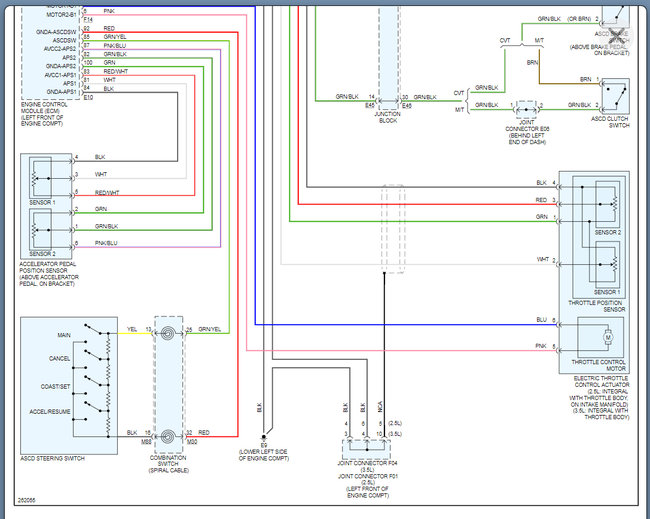
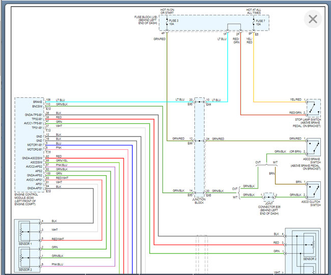
Once we know what codes are there, then we can figure out the next steps, but I am including the wiring diagram which includes all the components for us to start checking.

The most likely cause of this is an ECM or actuator issue but again, we need to start with codes to find out the correct testing to start with.

Let me know what you find, and we can go from there. Thanks
Was this
answer
helpful?
Yes
No
Thursday, October 7th, 2021 AT 5:26 PM

Please login or register to post a reply.