Wednesday, June 12th, 2024 AT 8:33 AM
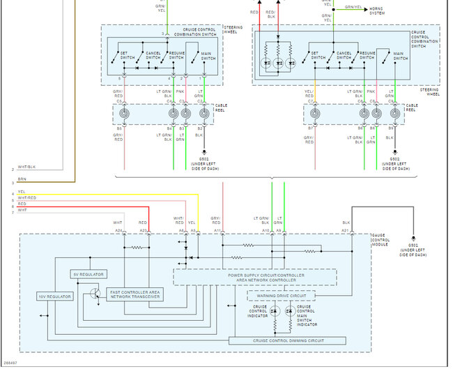
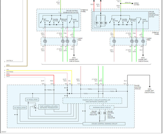
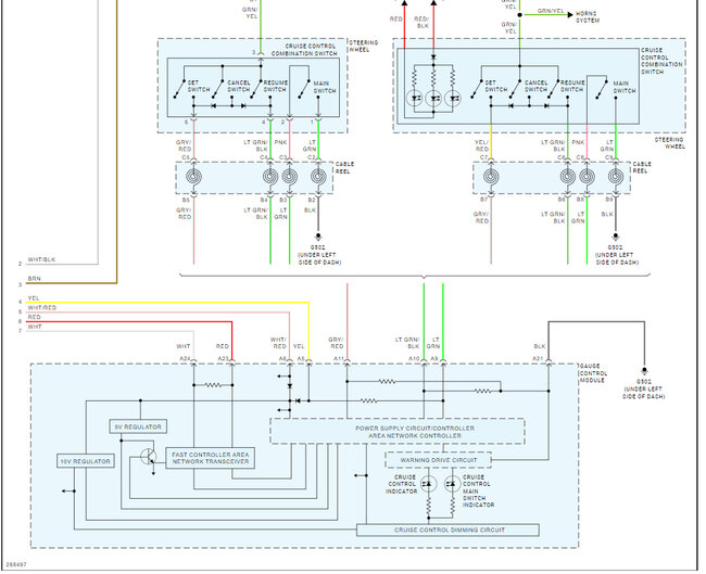
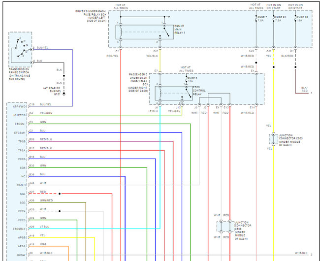
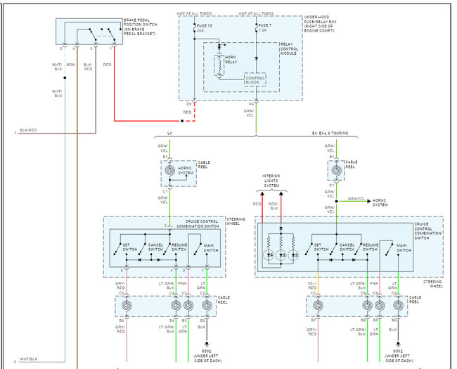
When I press the Cruise on my steering wheel, it lights up on the dash only while I am pressing Cruise. When I let go it goes off. How can I turn on the cruise control?
