Cruise control not working?

Tiny
RON KRUZ
  • MEMBER
  • 1998 DODGE DAKOTA
  • 3.9L
  • 6 CYL
  • 2WD
  • AUTOMATIC
  • 89,000 MILES
None of the fuses are blown, "cruise" light will activate and that is it. No cruise. Suggestions for an easy fix?
Saturday, July 7th, 2018 AT 11:50 PM

1 Reply

Tiny
SQM
  • MECHANIC
  • 6,383 POSTS
Hello,

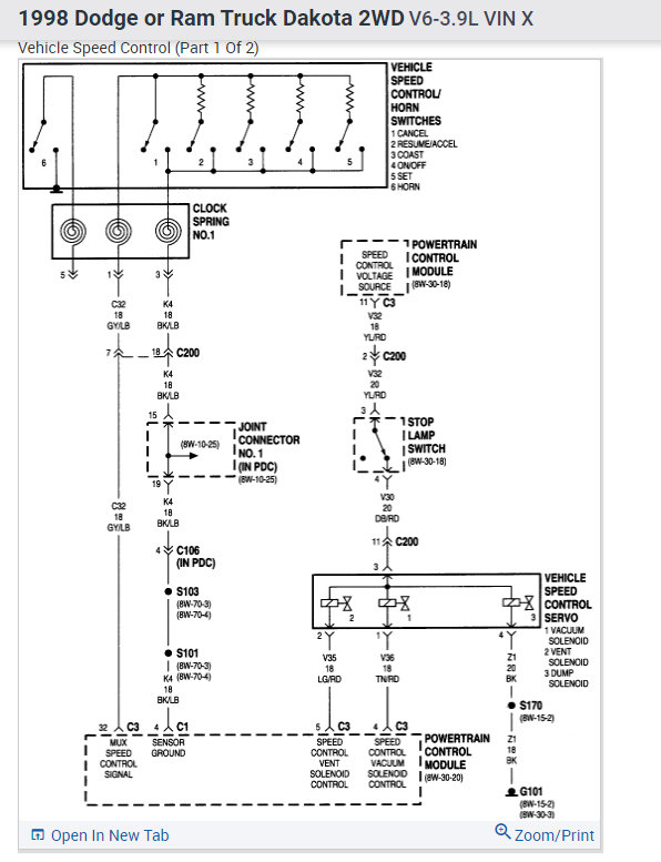
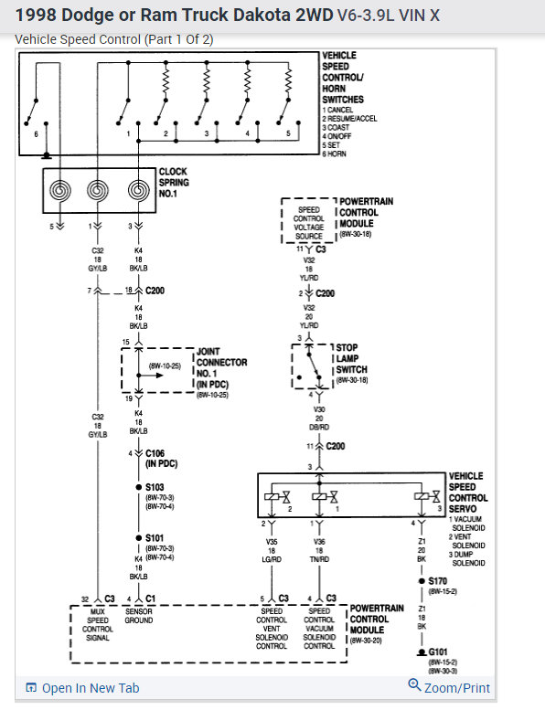
There are several components that could trigger an inoperative cruise control.
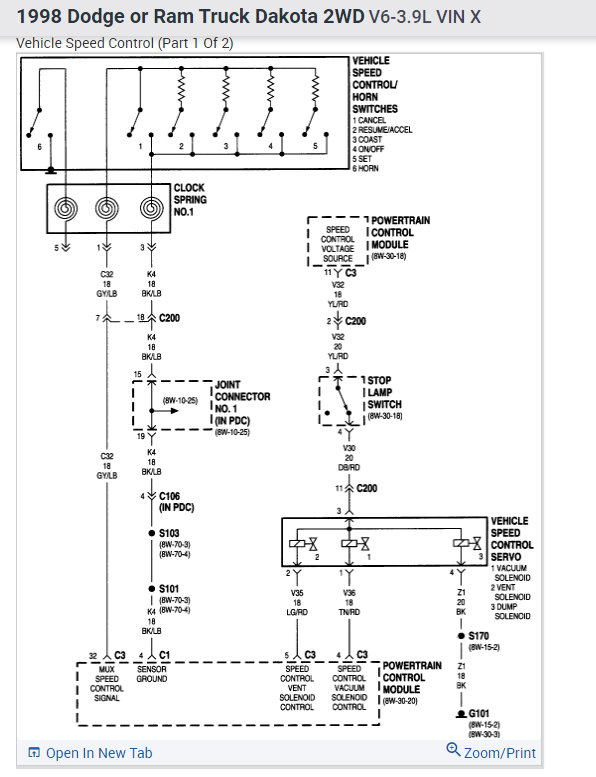
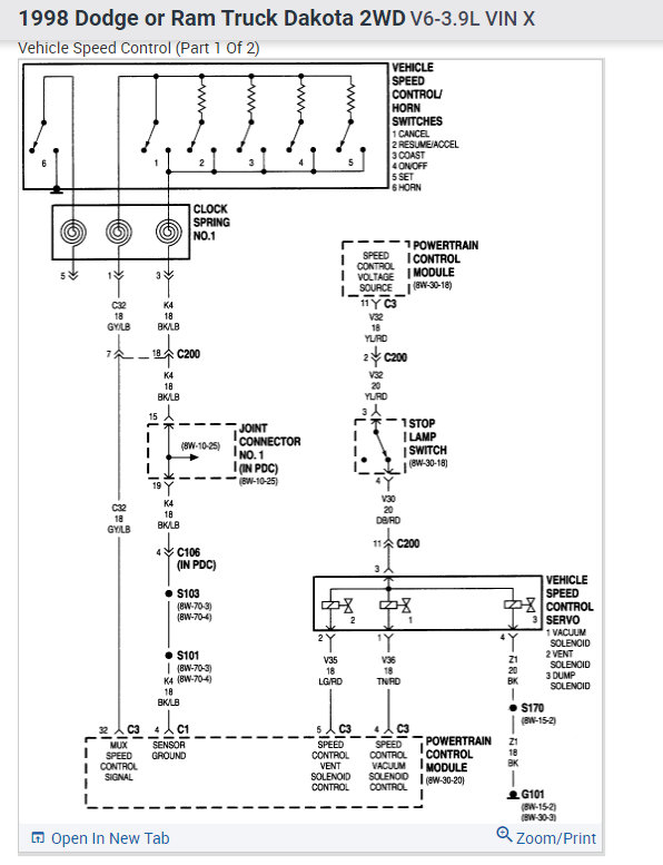
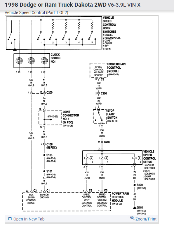
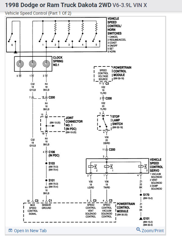
It could be due to faulty servo, module or even the brake light switch.
First check the brake light switch.
If that switch is shorted then the cruise control will not set. The module will 'see' that the brake pedal is depressed due to the shorted switch and will not engage the cruise.
The brake light switch is located behind the brake pedal (see diagram).

It can also be due to a wiring issue. I have attached the wiring schematics for your reference.

https://www.2carpros.com/articles/how-to-check-wiring

Please let me know of any questions.
Thank you.
Was this
answer
helpful?
Yes
No
Tuesday, September 14th, 2021 AT 10:32 AM

Please login or register to post a reply.