Saturday, May 20th, 2017 AT 9:34 AM
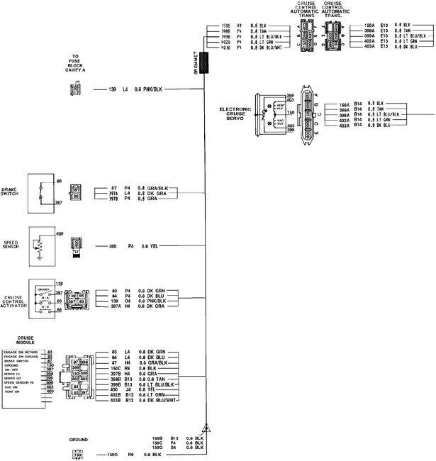
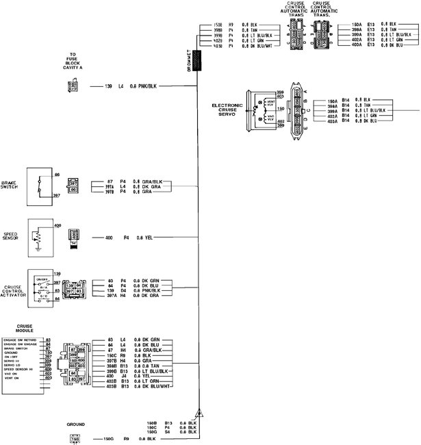
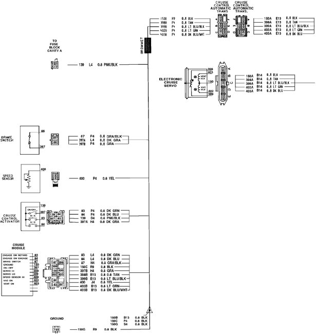
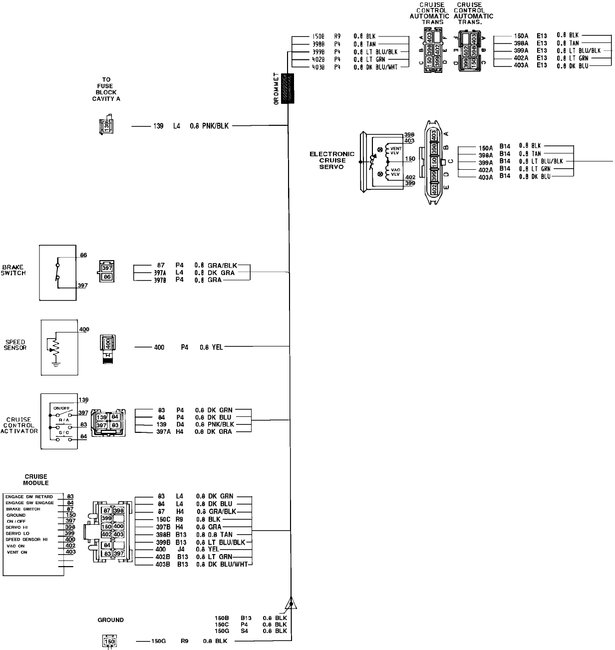
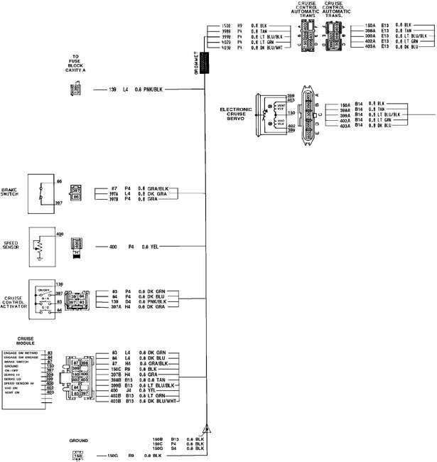
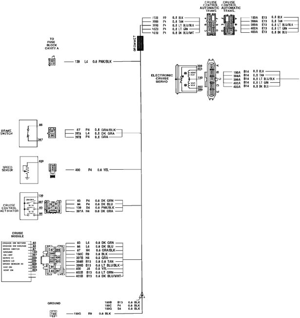
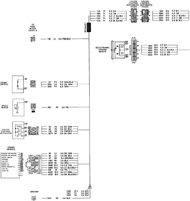
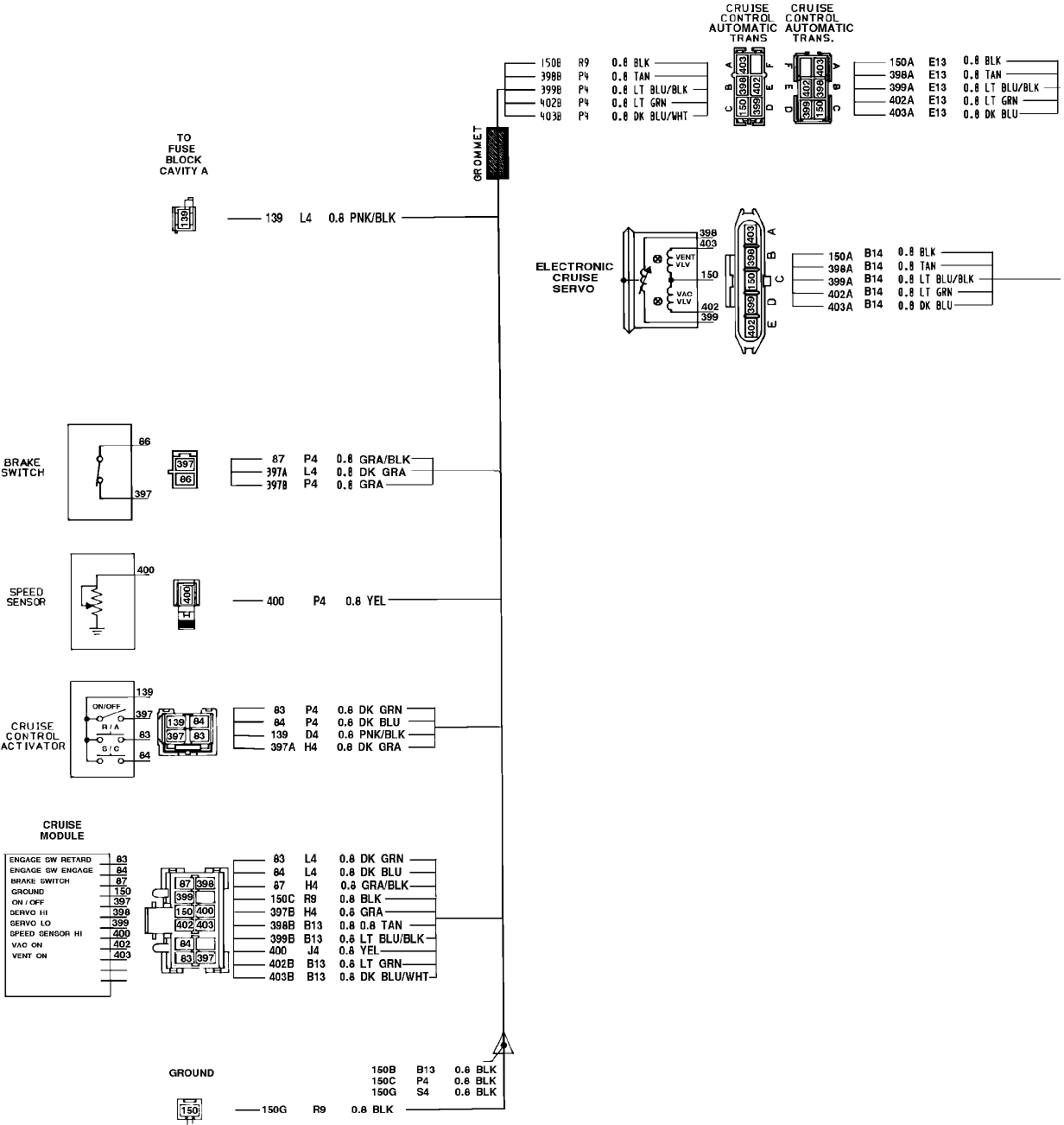
Wires on cruise control switch broke off at connection. The switch is made by ALPS it has four pins side by side wire colors are red, blue, green and yellow. Which wire goes to which pin?


