Sunday, January 23rd, 2022 AT 6:54 PM
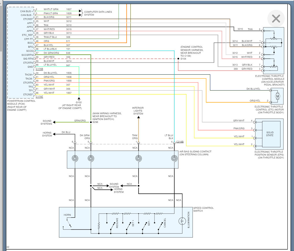
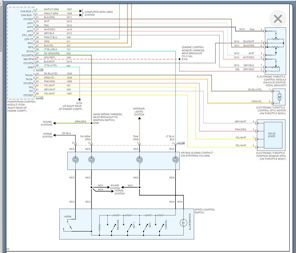
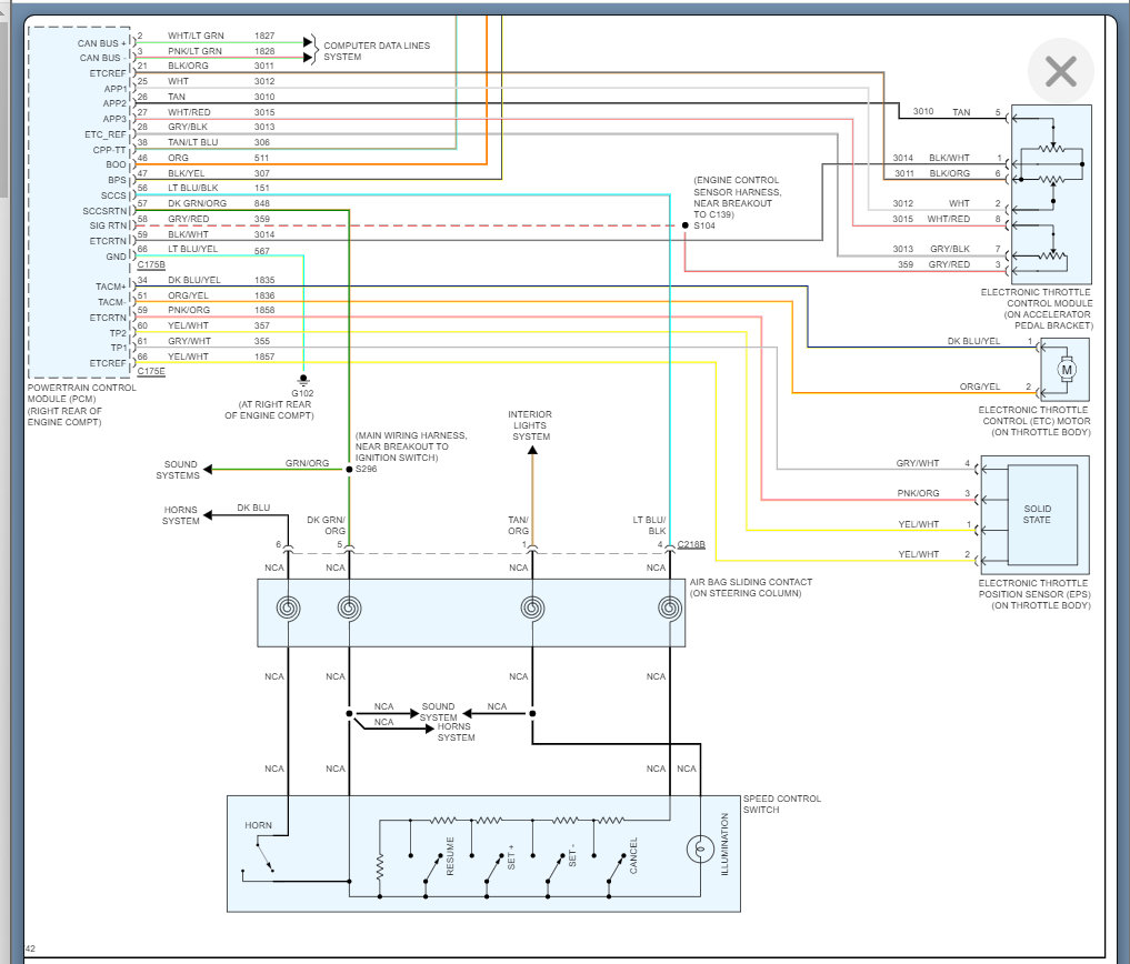
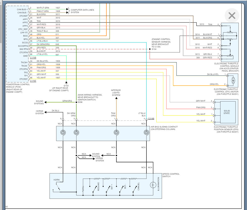
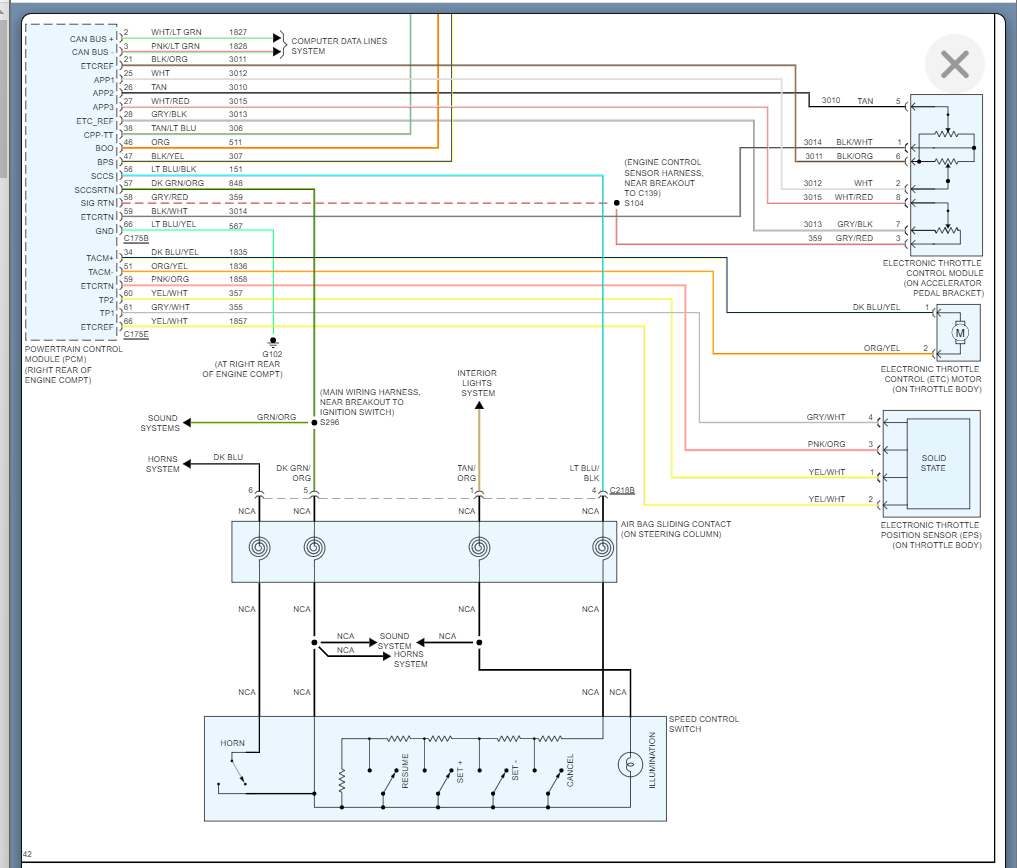
Asking for a family member. Cruise control works intermittently. I went out in very wet conditions. The park brake light has been on for some time but just recently lost cruise control. When it’s not working there’s no lights in the dash at all when pressing the cruise on/off. Inside map lights and dome lights will not come on when opening the door. Well, this morning he started to pull out and the check engine light came on and put the truck in limp mode as he was turning right at a stop sign. He immediately cut the truck off, let it set for about 30 seconds. Truck started right back up, no check engine light and the cruise control are now working. After a test of the blue and white speed inhibitor switch or cruise control cut out switch it’s stuck in the open position like the brake is always being pressed. Can these problems be linked by anything other than the PCM? Where to start to attempt to test the cruise control? Any help is greatly appreciated! Thank you





